- Partiron
- OEM Parts
- Yamaha
- snowmobile
- 1990
- CF300P (INVITER) 1990
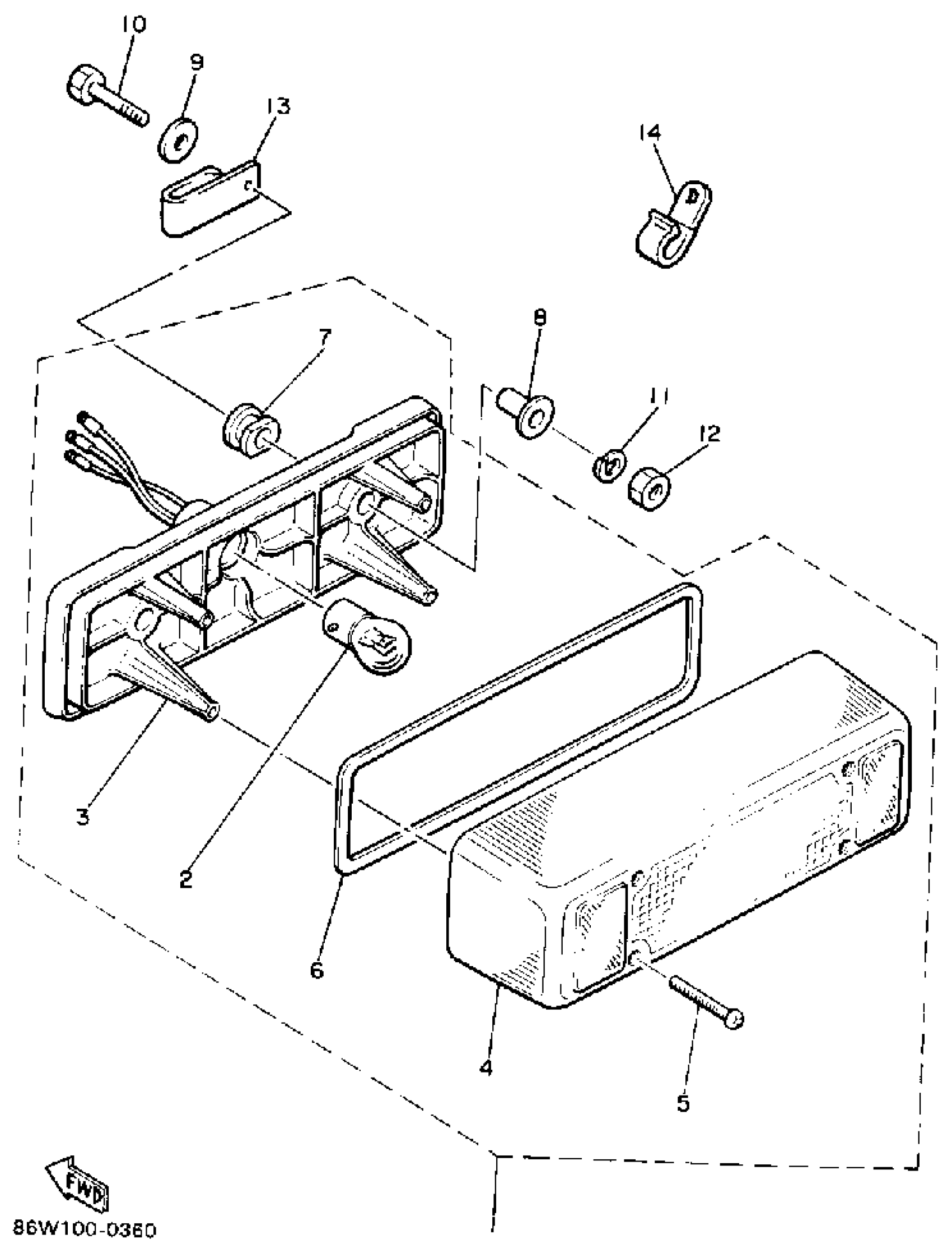
TAILLIGHT
Yamaha CF300P (INVITER) 1990 TAILLIGHT Diagram
#
Description
Price
2
BULB(12V32/3CP)1157
137-84714-61-XX
Unavailable
6
SEAL
3TJ-14457-00-00
Unavailable
11
WASHER, SPRING
92995-06100-00
Unavailable
12
NUT, HEXAGON
95380-06600-00
Unavailable
14
CLAMP
90465-08028-00
Unavailable
