- Partiron
- OEM Parts
- Yamaha
- snowmobile
- 1990
- CF300P (INVITER) 1990
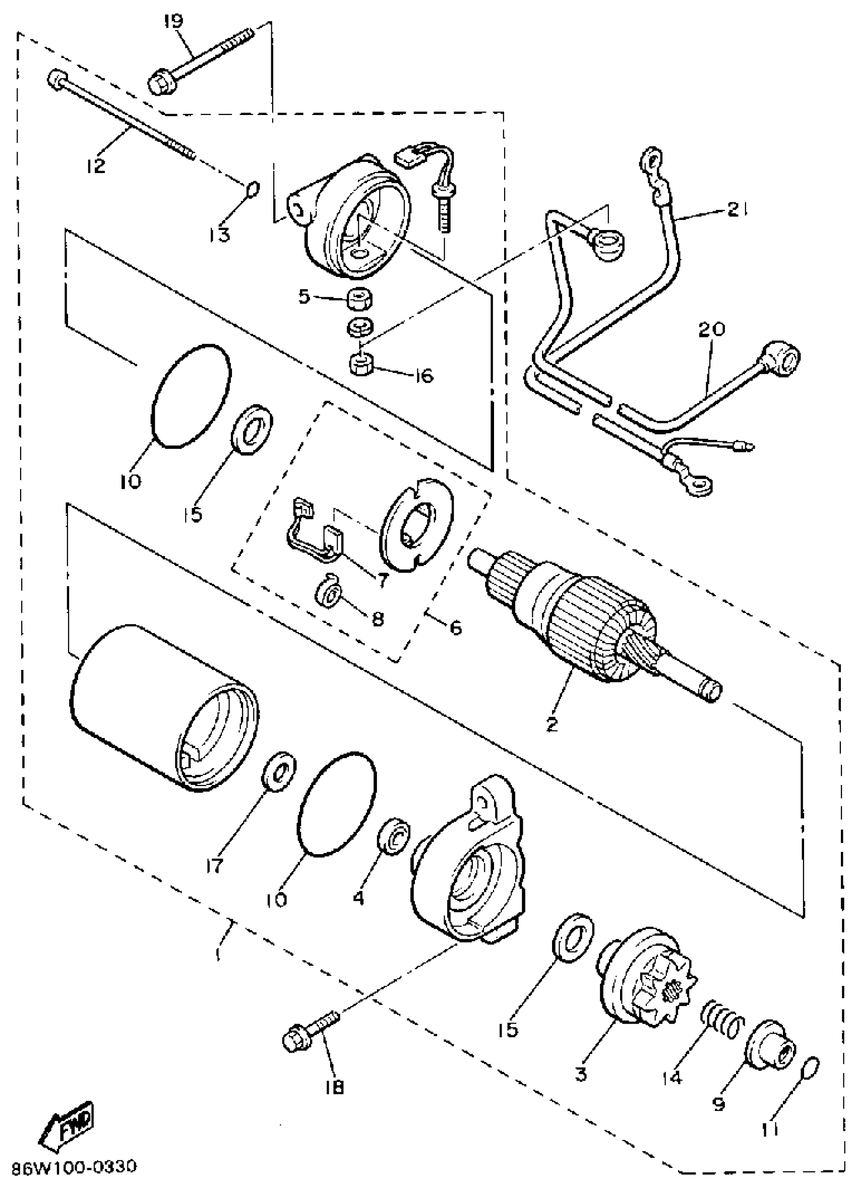
STARTING MOTOR
Yamaha CF300P (INVITER) 1990 STARTING MOTOR Diagram
#
Description
Price
1
STARTING MOTOR ASSEMBLY
81E-81800-50-00
Unavailable
2
. ARMATURE ASSEMBLY
81E-81850-50-00
Unavailable
3
. CLUTCH, OVER RUN
81E-81832-50-00
Unavailable
4
. OIL SEAL
8Y3-81167-00-00
Unavailable
5
NUT
4H7-81872-00-00
Unavailable
7
.. BRUSH HOLDER ASSEMBLY
7GA-81812-50-00
Unavailable
8
SPRING, BRUSH
8L6-81813-50-00
Unavailable
9
. RING, STOP
81E-81833-50-00
Unavailable
10
O-RING
4H7-81844-00-00
Unavailable
14
SPRING, LEVER
7GA-81836-50-00
Unavailable
16
NUT, HEXAGON
95380-06600-00
Unavailable
17
WASHER
8L6-81835-50-00
Unavailable
18
BOLT, FLANGE(6TA)
95817-08030-00
Unavailable
19
BOLT, FLANGE(JF2)
95817-08080-00
Unavailable
20
WIRE,LEAD
8CL-82117-00-00
Unavailable
21
WIRE, MINUS LEAD (81E-82116-00)
83M-82116-00-00
Unavailable
