- Partiron
- OEM Parts
- Yamaha
- snowmobile
- 1988
- CF300M (INVITER) 1988
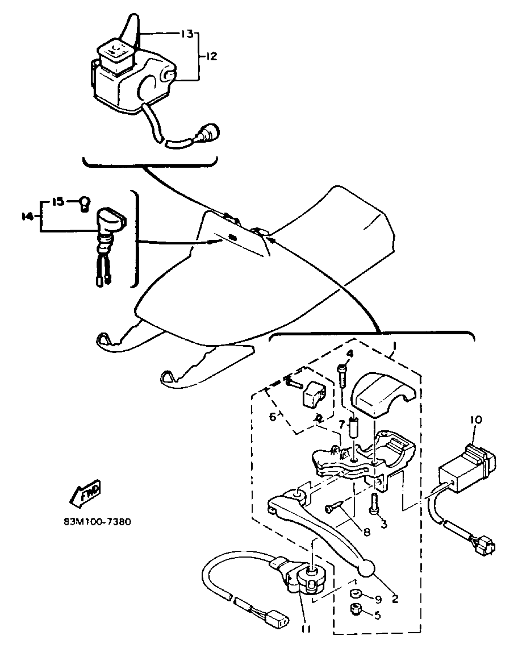
ELECTRICAL 2
Yamaha CF300M (INVITER) 1988 ELECTRICAL 2 Diagram
#
Description
Price
3
SCREW, PAN HEAD(41N)
90157-05057-00
Unavailable
6
. LEVER LOCK ASSEMBLY (8K4-83930-00-00)
82A-83930-00-00
Unavailable
7
COLLAR, LEVER
802-83913-00-00
Unavailable
8
. SCREW, TAPPING
97780-30312-00
Unavailable
9
. WASHER, PLAIN
92990-05200-00
Unavailable
12
LEVER HOLDER ASSEMBLY R
83M-82720-00-00
Unavailable
13
LEVER, THROTTLE
81E-42138-00-00
Unavailable
14
PILOT LIGHT ASSEMBLY
81E-83530-00-00
Unavailable
