- Partiron
- OEM Parts
- Can-Am
- SXS
- 2025
- SSV - CE - Maverick Sport Series
- Maverick Sport 1000R - DPS - CE, 2025
- CE - Maverick Sport - 1000R EFI - DPS - 9GSF - Timeless Black Metallic - 60" Width, 2025
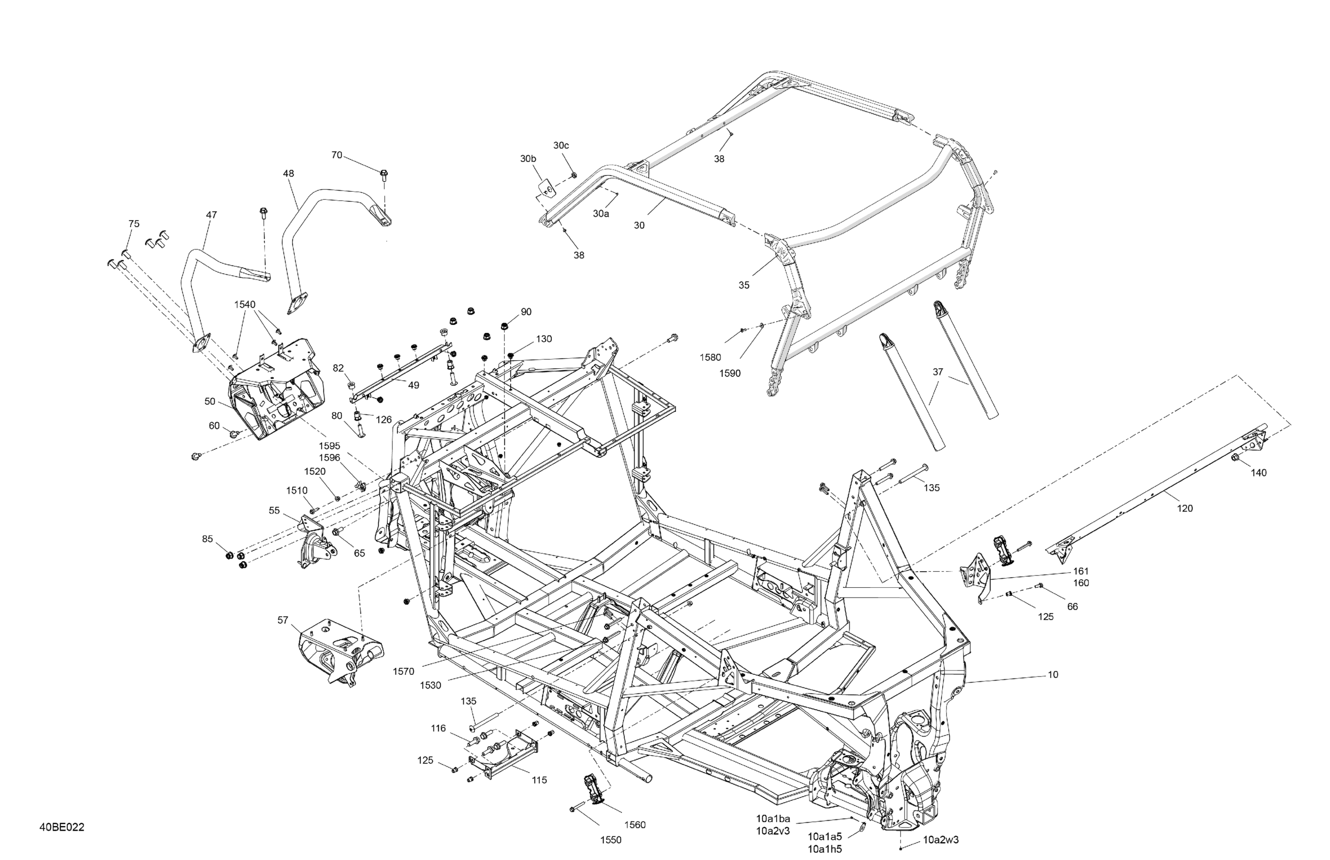
Frame - System
Can-Am CE - Maverick Sport - 1000R EFI - DPS - 9GSF - Timeless Black Metallic - 60" Width, 2025 Frame - System Diagram
#
Description
Price
10
Chassis Ass'y | Includes 10 to 10a2w3
715009354
Unavailable
