- Partiron
- OEM Parts
- Can-Am
- SXS
- 2024
- SSV - CE - Maverick R Series
- Maverick R 996NT - XRS - CE
- CE - Maverick R 996NT - XRS - 7ARK - Neo Yellow - 77" Width SAS, 2024
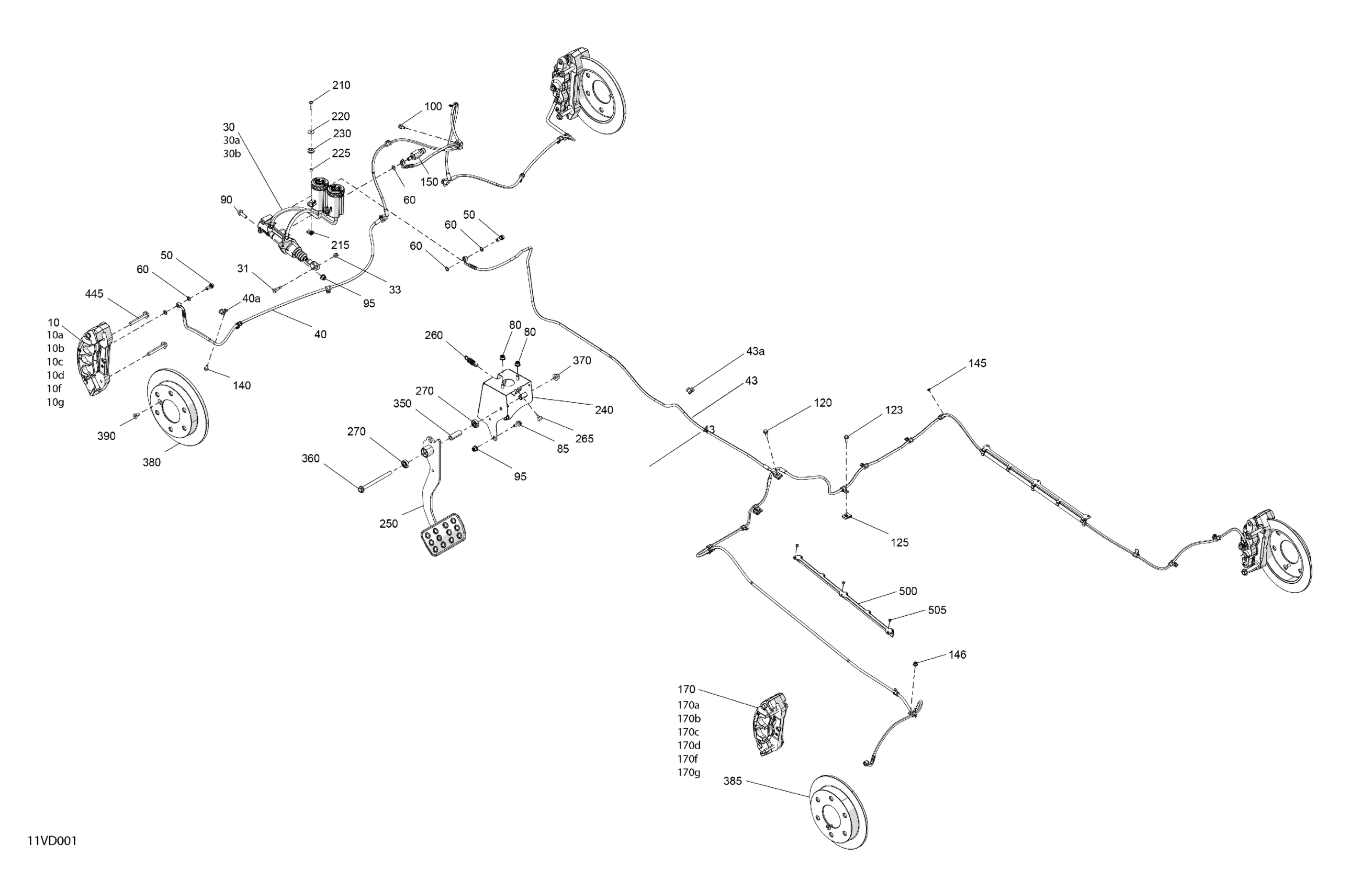
Mechanic - Brake System
Can-Am CE - Maverick R 996NT - XRS - 7ARK - Neo Yellow - 77" Width SAS, 2024 Mechanic - Brake System Diagram
#
Description
Price
10c
Not Available As Spare Parts
XXX
Unavailable
10d
Front Spring Pad Kit
715900786
Unavailable
10g
Bleeder Cap
715900781
Unavailable
170c
Not Available As Spare Parts
XXX
Unavailable
170d
Rear Spring Pad Kit
715900787
Unavailable
170f
Bleeder
715900780
Unavailable
170g
Bleeder Cap
715900781
Unavailable
