- Partiron
- OEM Parts
- Can-Am
- SXS
- 2024
- SSV - CE - Maverick R Series
- Maverick R 996NT - XRS - CE
- CE - Maverick R 996NT - XRS - 7ARK - Neo Yellow - 77" Width SAS, 2024
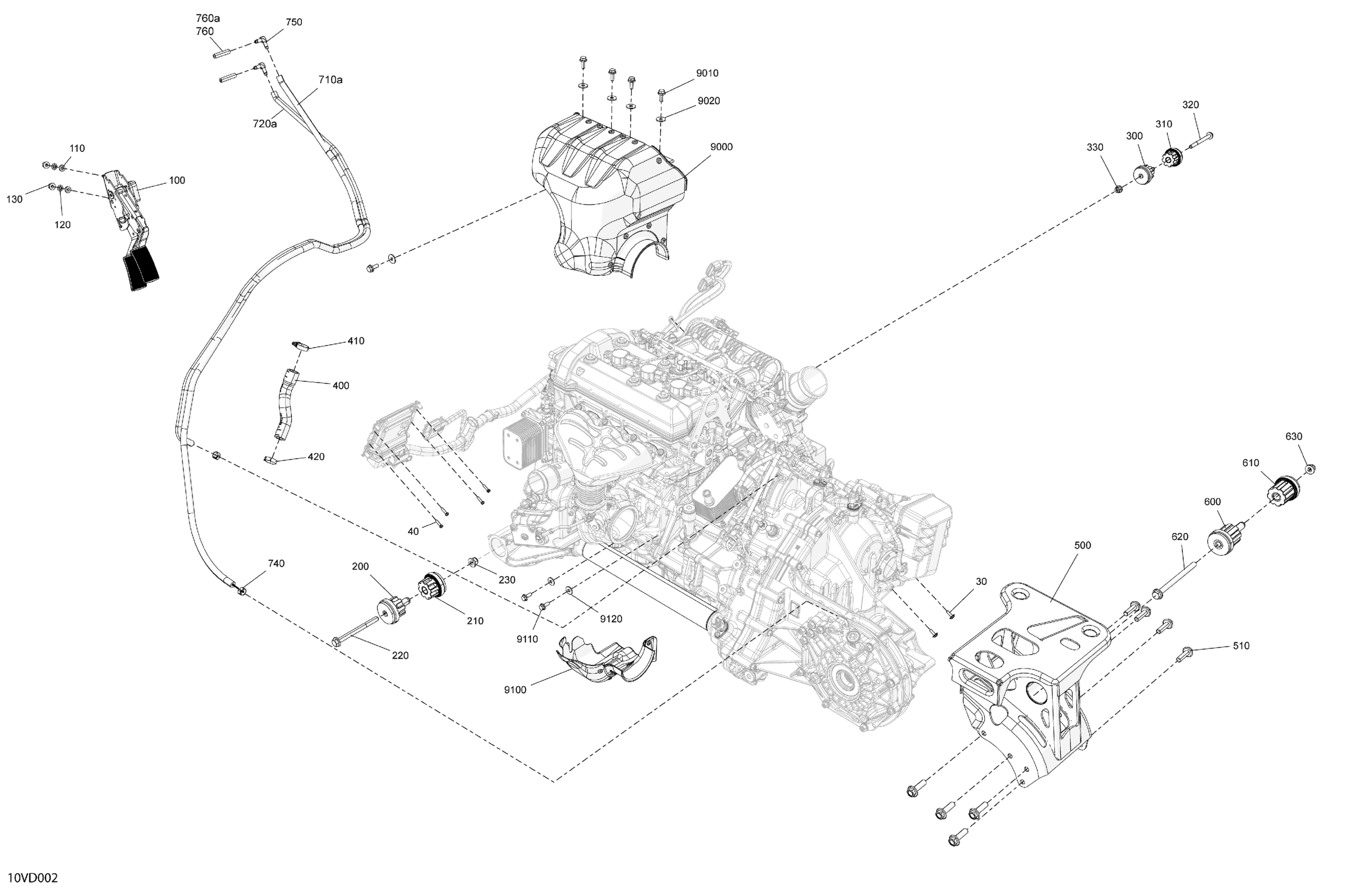
Engine - System
Can-Am CE - Maverick R 996NT - XRS - 7ARK - Neo Yellow - 77" Width SAS, 2024 Engine - System Diagram
#
Description
Price
