- Partiron
- OEM Parts
- Honda
- MOTORCYCLE
- 1983
- CB750SCA (83) NIGHTHAWK 750, JPN, VIN# JH2RC012-DM100001 TO JH2RC012-DM102116
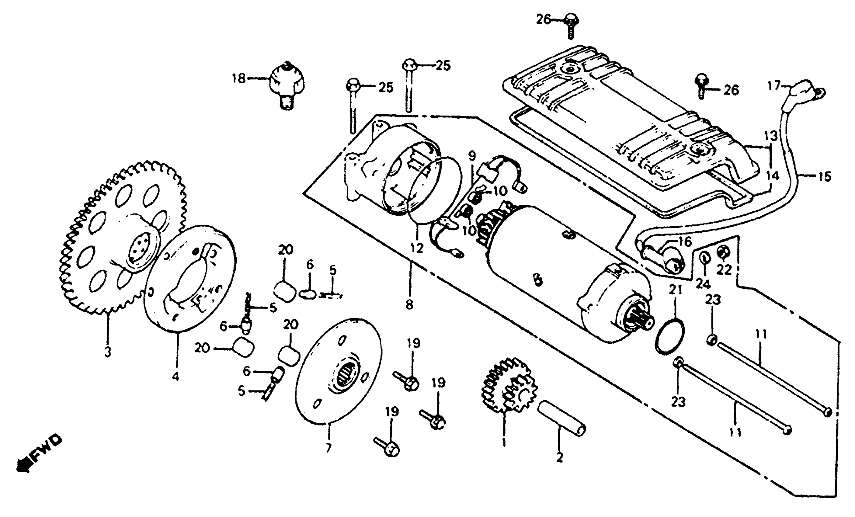
STARTER MOTOR
Honda CB750SCA (83) NIGHTHAWK 750, JPN, VIN# JH2RC012-DM100001 TO JH2RC012-DM102116 STARTER MOTOR Diagram
#
Description
Price
1
GEAR, STARTER REDUCTION
28101-425-000
Unavailable
2
SHAFT, STARTER REDUCTION GEAR (NOT AVAILABLE)
28106-425-000
Unavailable
3
GEAR, STARTER CLUTCH (75T)
28110-425-010
Unavailable
4
CLUTCH, STARTER (OUTER)
28120-425-000
Unavailable
7
FLANGE, STARTER DRIVE (NOT AVAILABLE)
28130-425-000
Unavailable
8
MOTOR ASSY., STARTER This part replaces 31200-425-008.
31200-438-505
Unavailable
8
MOTOR ASSY., STARTER This part replaces 31200-425-018.
31200-438-505
Unavailable
8
MOTOR ASSY., STARTER This part replaces 31200-438-405.
31200-438-505
Unavailable
8
MOTOR ASSY., STARTER
31200-438-505
Unavailable
11
BOLT, STARTER MOTOR COVER
31205-413-780
Unavailable
12
O-RING (60X1.4) This part replaces 31206-286-158.
31206-402-008
Unavailable
12
O-RING (60X1.4)
31206-402-008
Unavailable
13
COVER, STARTER MOTOR (NOT AVAILABLE)
31280-438-670
Unavailable
14
GASKET, STARTER MOTOR COVER
31282-425-300
Unavailable
15
CABLE, STARTER MOTOR (NOT AVAILABLE)
32402-425-000
Unavailable
17
COVER B, MAGNETIC SWITCH (NOT AVAILABLE)
32416-425-000
Unavailable
