- Partiron
- OEM Parts
- Honda
- MOTORCYCLE
- Models With No Year
- CB750KA MOTORCYCLE, JPN, VIN# CB750-1000001
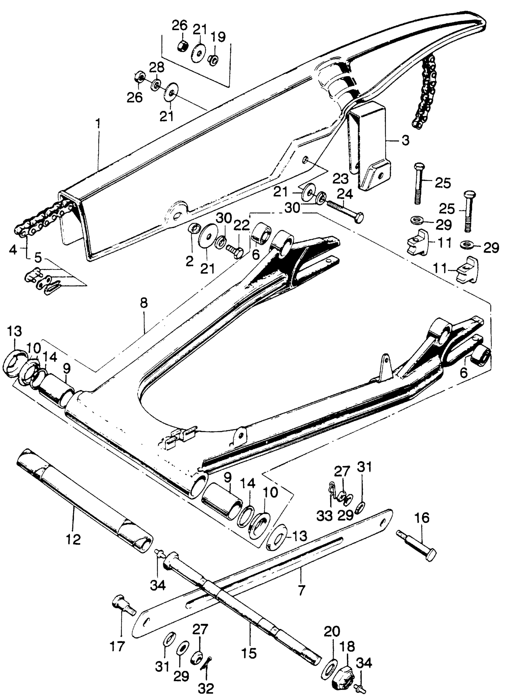
SWINGARM + CHAIN CASE
Honda CB750KA MOTORCYCLE, JPN, VIN# CB750-1000001 SWINGARM + CHAIN CASE Diagram
#
Description
Price
1
CASE, DRIVE CHAIN *NH1* (BLACK) (NOT AVAILABLE) | Use up to Frame SN 1021879 This part replaces 40510-300-040B.
40510-300-060B
Unavailable
1
CASE, DRIVE CHAIN *NH1* (BLACK) (NOT AVAILABLE) This part replaces 40510-300-050B.
40510-300-060B
Unavailable
1
CASE, DRIVE CHAIN *NH1* (BLACK) (NOT AVAILABLE)
40510-300-060B
Unavailable
2
COLLAR, CHAIN CASE
40511-300-000
Unavailable
3
PLATE, DRIVE CHAIN CASE (NOT AVAILABLE) | Use from Frame SN 1026845
40512-300-000
Unavailable
4
CHAIN, DRIVE (NOT AVAILABLE)
40530-300-003
Unavailable
5
MASTER LINK (NOT AVAILABLE)
40531-300-003
Unavailable
5
MASTER LINK (DAIDO) (NOT AVAILABLE) | (Optional). This part replaces 40531-300-305.
40531-300-315
Unavailable
5
MASTER LINK (DAIDO) (NOT AVAILABLE) | (Optional).
40531-300-315
Unavailable
7
ARM, RR. BRAKE STOPPER (NOT AVAILABLE)
43431-286-010
Unavailable
8
SWINGARM, RR. *NH1* (BLACK) (NOT AVAILABLE) | Use up to Frame SN 1026844 This part replaces 52100-300-030B.
52100-300-040B
Unavailable
8
SWINGARM, RR. *NH1* (BLACK) (NOT AVAILABLE)
52100-300-040B
Unavailable
9
BUSH, RR. SWINGARM PIVOT | Use up to Frame SN 1026642 This part replaces 52108-292-300.
52108-300-300
Unavailable
9
BUSH, RR. SWINGARM PIVOT
52108-300-300
Unavailable
12
COLLAR, RR. SWINGARM CENTER (NOT AVAILABLE)
52141-300-000
Unavailable
14
RING, RR. SWINGARM FELT
52145-283-000
Unavailable
15
BOLT, RR. SWINGARM PIVOT (NOT AVAILABLE)
90121-300-000
Unavailable
16
BOLT, RR. BRAKE PANEL STOPPER (NOT AVAILABLE)
90127-283-000
Unavailable
24
BOLT, HEX. (6X20) | Use from Frame SN 1026845 This part replaces 92000-06020.
92101-06020-0A
$1.49
24
BOLT, HEX. (6X71) (NOT AVAILABLE) | Use up to Frame SN 1026844
92000-06071
Unavailable
28
WASHER, PLAIN (6MM) | Use from Frame SN 1026845 This part replaces 94101-06000.
94101-06800
$1.49
28
WASHER, PLAIN (6MM) | Use from Frame SN 1026845 This part replaces 94101-06080.
94101-06800
$1.49
