- Partiron
- OEM Parts
- Honda
- MOTORCYCLE
- Models With No Year
- CB750K5A MOTORCYCLE, JPN, VIN# CB750-2500001
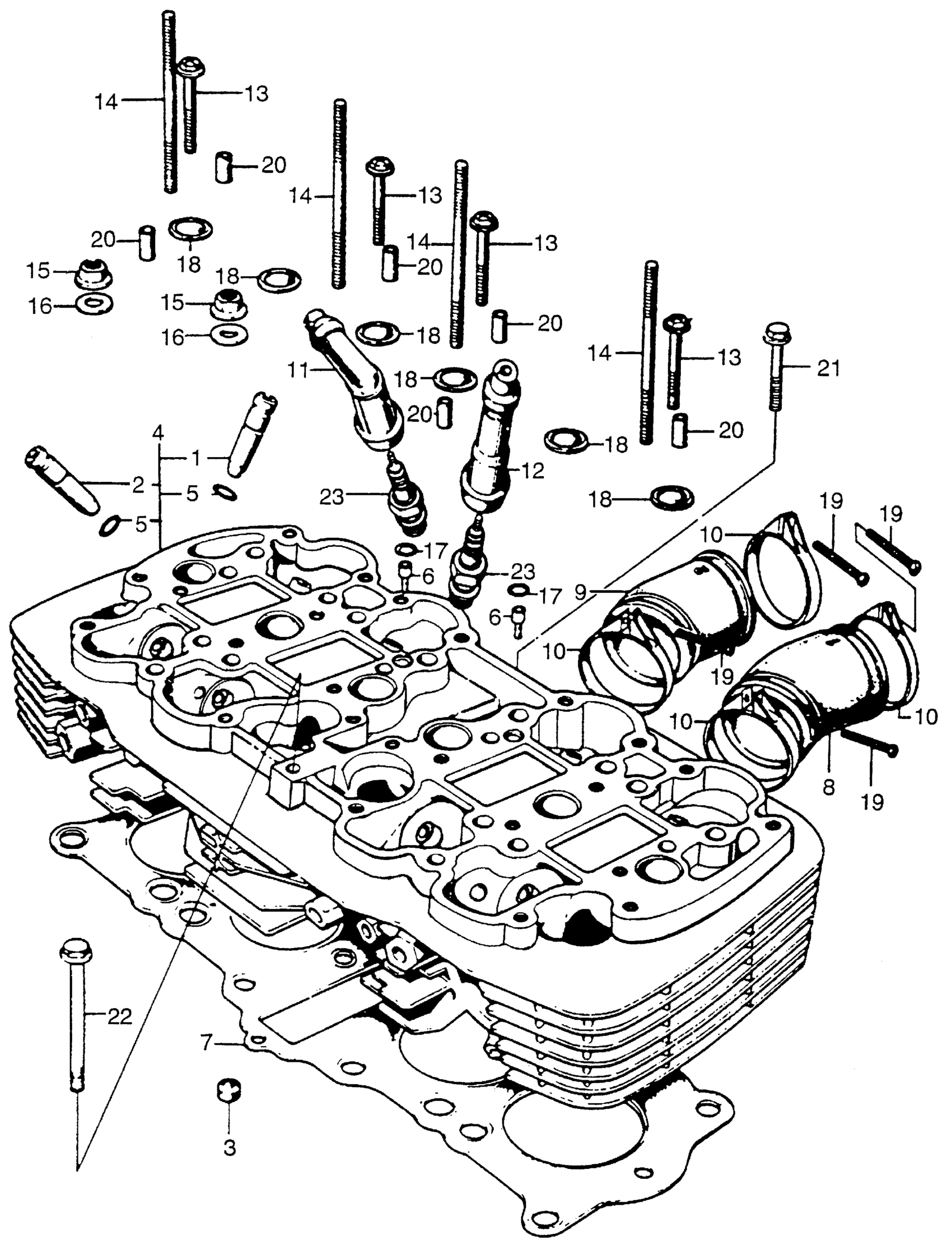
CYLINDER HEAD + INSULATOR
Honda CB750K5A MOTORCYCLE, JPN, VIN# CB750-2500001 CYLINDER HEAD + INSULATOR Diagram
#
Description
Price
1
GUIDE, VALVE
12025-300-300
Unavailable
2
GUIDE, EX. VALVE
12027-300-330
Unavailable
4
CYLINDER HEAD (NOT AVAILABLE) This part replaces 12200-300-100.
12200-300-405
Unavailable
4
CYLINDER HEAD (NOT AVAILABLE)
12200-300-405
Unavailable
6
ORIFICE, OIL CONTROL (NOT AVAILABLE)
12238-300-010
Unavailable
7
GASKET, CYLINDER HEAD This part replaces 12251-300-004.
12251-300-306
Unavailable
7
GASKET, CYLINDER HEAD This part replaces 12251-300-070.
12251-300-306
Unavailable
7
GASKET, CYLINDER HEAD
12251-300-306
Unavailable
14
BOLT, STUD (6X58) (NOT AVAILABLE)
90055-300-000
Unavailable
