- Partiron
- OEM Parts
- Honda
- MOTORCYCLE
- Models With No Year
- CB750K3A MOTORCYCLE, JPN, VIN# CB750-2200001
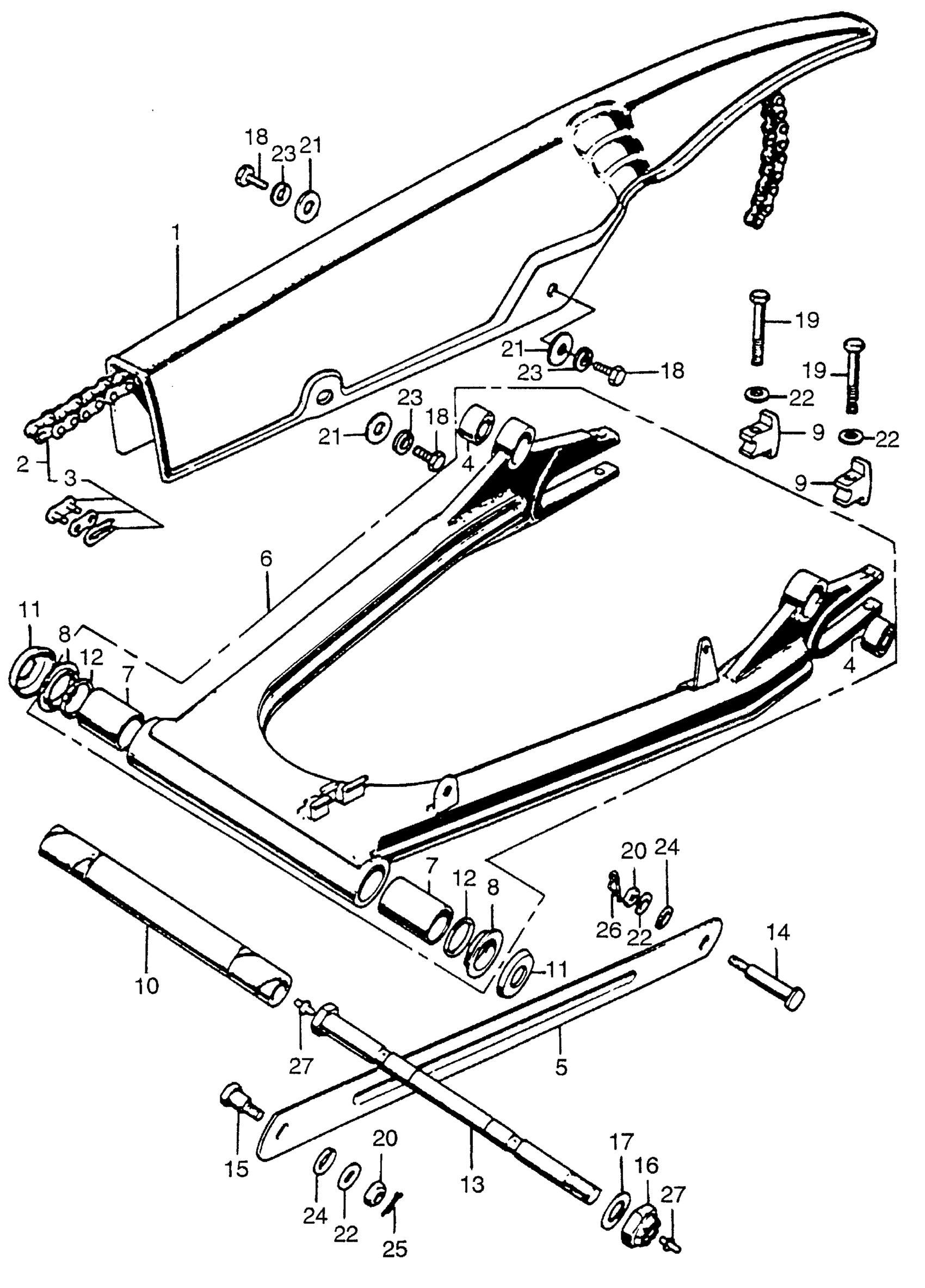
SWINGARM + CHAIN CASE
Honda CB750K3A MOTORCYCLE, JPN, VIN# CB750-2200001 SWINGARM + CHAIN CASE Diagram
#
Description
Price
1
CASE, DRIVE CHAIN *NH1* (BLACK) (NOT AVAILABLE)
40510-341-010B
Unavailable
2
CHAIN, DRIVE (100L) (DAIDO)
40530-341-305
Unavailable
3
MASTER LINK (STAKING TYPE) (NOT AVAILABLE)
40531-341-305
Unavailable
5
ARM, RR. BRAKE STOPPER (NOT AVAILABLE)
43431-286-010
Unavailable
6
SWINGARM, RR. *NH1* (BLACK) (NOT AVAILABLE)
52100-341-000B
Unavailable
7
BUSH, RR. SWINGARM PIVOT
52108-300-300
Unavailable
10
COLLAR, RR. SWINGARM CENTER
52141-300-000
Unavailable
12
RING, RR. SWINGARM FELT
52145-283-000
Unavailable
13
BOLT, RR. SWINGARM PIVOT (NOT AVAILABLE)
90121-300-000
Unavailable
14
BOLT, RR. BRAKE STOPPER ARM (NOT AVAILABLE)
90127-323-000
Unavailable
