- Partiron
- OEM Parts
- Honda
- MOTORCYCLE
- Models With No Year
- CB750K3A MOTORCYCLE, JPN, VIN# CB750-2200001
CRANKCASE
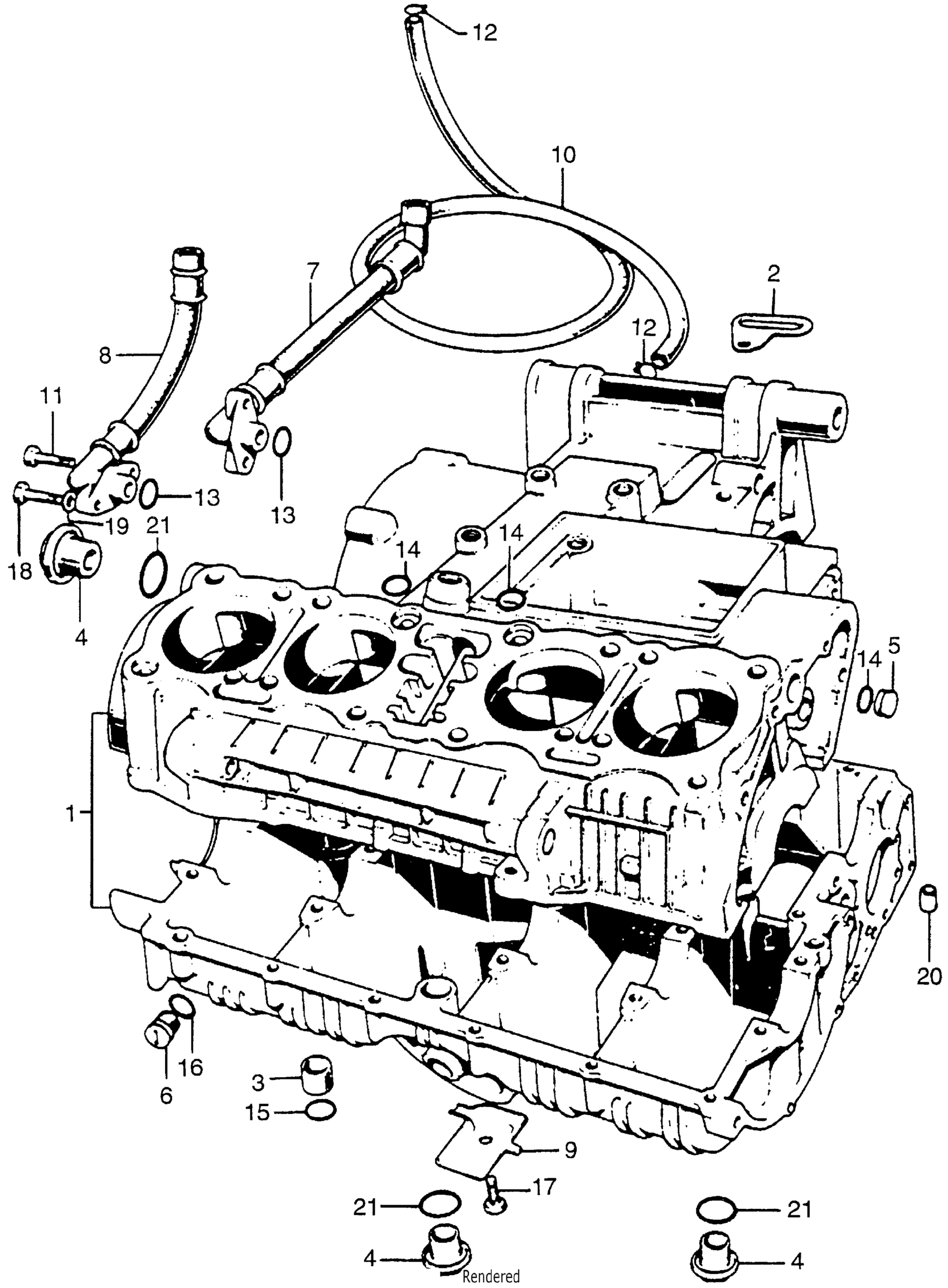
Honda CB750K3A MOTORCYCLE, JPN, VIN# CB750-2200001 CRANKCASE Diagram
#
Description
Price
1
CRANKCASE ASSY. (NOT AVAILABLE) This part replaces 11010-300-110.
11000-300-315
Unavailable
2
GUIDE, OVERFLOW (NOT AVAILABLE)
11355-300-000
Unavailable
3
COLLAR, OIL PASSAGE (18MM)
15326-300-000
Unavailable
4
CAP, OIL PASSAGE
15331-300-000
Unavailable
5
PLUG, OIL PASSAGE (NOT AVAILABLE)
15336-300-010
Unavailable
6
PLUG, OIL TUBE
15337-300-010
Unavailable
7
HOSE A, OIL (NOT AVAILABLE)
15510-300-017
Unavailable
8
HOSE B, OIL (NOT AVAILABLE)
15520-300-007
Unavailable
9
GUIDE, FINAL SHAFT OIL
15621-300-000
Unavailable
10
TUBE A, BREATHER (NOT AVAILABLE)
15761-300-020
Unavailable
