- Partiron
- OEM Parts
- Honda
- MOTORCYCLE
- Models With No Year
- CB750K3A MOTORCYCLE, JPN, VIN# CB750-2200001
BRAKE MASTER CYLINDER
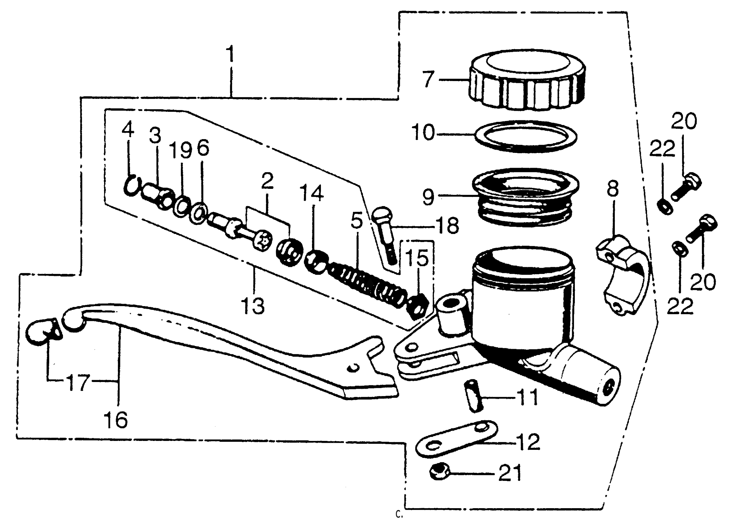
Honda CB750K3A MOTORCYCLE, JPN, VIN# CB750-2200001 BRAKE MASTER CYLINDER Diagram
#
Description
Price
1
MASTER CYLINDER ASSY. (N/A: SEE COMPONENTS) This part replaces 45500-341-770.
45500-341-771
Unavailable
1
MASTER CYLINDER ASSY. (N/A: SEE COMPONENTS)
45500-341-771
Unavailable
2
PISTON SET
45502-300-305
Unavailable
3
BOOT
45504-300-003
Unavailable
4
STOPPER, BOOT
45505-300-003
Unavailable
5
SPRING
45506-300-003
Unavailable
6
WASHER (10.5MM)
45512-300-003
Unavailable
7
CAP, OIL CUP This part replaces 45513-341-770.
43513-MJ6-006
Unavailable
7
CAP, OIL CUP
43513-MJ6-006
Unavailable
7
CAP, OIL CUP This part replaces 43513-461-771.
43513-MJ6-006
Unavailable
7
CAP, OIL CUP This part replaces 45513-341-771.
43513-MJ6-006
Unavailable
11
BUSH, R. HANDLEBAR CONTROL LEVER
45526-341-000
Unavailable
12
PLATE, CONTROL LEVER BUSH SETTING
45527-300-000
Unavailable
14
CUP, FR. PRIMARY (NISSHIN)
46125-533-003
Unavailable
15
VALVE, CHECK (NISSHIN)
46140-533-003
Unavailable
16
LEVER, R. HANDLEBAR This part replaces 53170-300-000.
53175-369-003
Unavailable
16
LEVER, R. HANDLEBAR This part replaces 53170-333-000.
53175-369-003
Unavailable
16
LEVER, R. HANDLEBAR This part replaces 53170-369-003.
53175-369-003
Unavailable
16
LEVER, R. HANDLEBAR
53175-369-003
Unavailable
