- Partiron
- OEM Parts
- Honda
- MOTORCYCLE
- Models With No Year
- CB72A MOTORCYCLE, JPN, VIN# CB72-100001
STEERING STEM + FRONT FENDER
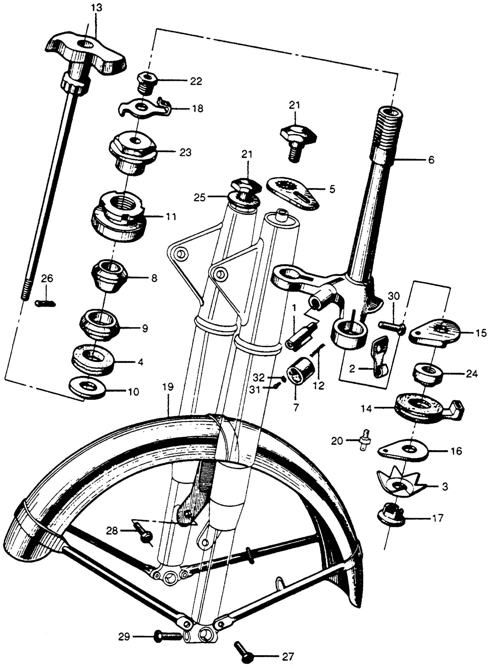
Honda CB72A MOTORCYCLE, JPN, VIN# CB72-100001 STEERING STEM + FRONT FENDER Diagram
#
1
LOCK, HANDLEBAR (NOT AVAILABLE)
35600-268-000
Unavailable
2
CLIP, FR. BRAKE CABLE (NOT AVAILABLE)
45465-268-010
Unavailable
3
SPRING, STEERING DAMPER (NOT AVAILABLE)
53076-268-010
Unavailable
3
SPRING, STEERING DAMPER (NOT AVAILABLE) | Use from Frame SN 0010001 to 0021881
53763-268-000
Unavailable
3
SPRING, STEERING DAMPER (NOT AVAILABLE) | Use from Frame SN 0100001 to 0109800 This part replaces 53763-268-010.
53076-268-010
Unavailable
3
SPRING, STEERING DAMPER (NOT AVAILABLE) | Use from Frame SN 0311006 to 0315446 This part replaces 53763-268-010.
53076-268-010
Unavailable
3
SPRING, STEERING DAMPER (NOT AVAILABLE) | Use from Frame SN 0400001 This part replaces 53763-268-010.
53076-268-010
Unavailable
5
KEEPER, HELMET (NOT AVAILABLE)
53126-268-810
Unavailable
6
STEM, STEERING (NOT AVAILABLE) | Use from Frame SN 0010001 to 0029881
53200-268-020Z
Unavailable
6
STEM, STEERING (NOT AVAILABLE) | Use from Frame SN 0100001 to 0109800
53200-268-050Z
Unavailable
6
STEM, STEERING (NOT AVAILABLE) | Use from Frame SN 0400001 to 0402337
53200-268-050Z
Unavailable
6
STEM, STEERING | Use from Frame SN 0402338 to 1005227
53200-268-060Z
Unavailable
6
STEM, STEERING *NH1* (BLACK) (NOT AVAILABLE) | Use from Frame SN 1005228
53200-268-070B
Unavailable
7
COVER, HANDLEBAR LOCK CASE (NOT AVAILABLE) This part replaces 53202-268-310.
53215-230-000
Unavailable
7
COVER, HANDLEBAR LOCK CASE (NOT AVAILABLE)
53215-230-000
Unavailable
11
THREAD, STEERING HEAD TOP (NOT AVAILABLE)
53220-268-010
Unavailable
12
SPRING, HANDLEBAR LOCK (NOT AVAILABLE)
53631-268-020
Unavailable
13
KNOB, STEERING DAMPER (NOT AVAILABLE)
53740-268-000
Unavailable
14
DISK, STEERING DAMPER FRICTION (NOT AVAILABLE) | Use from Frame SN 0010001 to 0021881
53750-268-000
Unavailable
14
DISK, STEERING DAMPER FRICTION (NOT AVAILABLE) This part replaces 53750-268-010.
53750-292-000
Unavailable
14
DISK, STEERING DAMPER FRICTION (NOT AVAILABLE)
53750-292-000
Unavailable
15
PLATE A, STEERING DAMPER (NOT AVAILABLE) | Use from Frame SN 0010001 to 0021881
53761-268-010
Unavailable
15
PLATE A, STEERING DAMPER (NOT AVAILABLE) This part replaces 53761-268-020.
53761-292-000
Unavailable
15
PLATE A, STEERING DAMPER (NOT AVAILABLE)
53761-292-000
Unavailable
16
PLATE, STEERING DAMPER (NOT AVAILABLE) | Use from Frame SN 0010001 to 0021881
53762-268-000
Unavailable
16
PLATE B, STEERING DAMPER (NOT AVAILABLE) | Use from Frame SN 0100001 to 0109800
53762-268-010
Unavailable
16
PLATE B, STEERING DAMPER (NOT AVAILABLE) | Use from Frame SN 0400001
53762-268-010
Unavailable
17
NUT, STEERING DAMPER LOCK SPRING | Use from Frame SN 0010001 to 0021881
53764-268-000
Unavailable
17
NUT, STEERING DAMPER LOCK SPRING (NOT AVAILABLE) | Use from Frame SN 0100001 to 0109800
53764-268-010
Unavailable
17
NUT, STEERING DAMPER SPRING (NOT AVAILABLE) | Use from Frame SN 0402338
53764-283-000
Unavailable
18
SPRING, STEERING DAMPER LOCK (NOT AVAILABLE)
53765-268-000
Unavailable
19
FENDER, FR. *NH10M* (DARK SILVER METALLIC) (NOT AVAILABLE) | Use from Frame SN 0010001 to 1005227
61100-268-040S
Unavailable
19
FENDER, FR. *NH10M* (DARK SILVER METALLIC) (NOT AVAILABLE) | Use from Frame SN 1005228
61100-268-050S
Unavailable
20
BOLT, FRICTION DISK ANCHOR (NOT AVAILABLE) | Use from Frame SN 0311006
90118-268-000
Unavailable
21
BOLT, FR. FORK (NOT AVAILABLE)
90123-268-020
Unavailable
22
BOLT, DAMPER LOCK SPRING MOUNT (NOT AVAILABLE)
90131-268-010
Unavailable
23
NUT, STEERING HEAD STEM (NOT AVAILABLE)
90304-268-010
Unavailable
24
NUT, STEERING DAMPER LOCK (NOT AVAILABLE)
90319-268-000
Unavailable
25
WASHER, FR. FORK (NOT AVAILABLE)
90537-268-020
Unavailable
26
TIE, CABLE (NOT AVAILABLE)
90672-268-000
Unavailable
27
BOLT, HEX. (6X12) | Use from Frame SN 0010001 to 1005227 This part replaces 92000-06012.
92101-06012-0A
$1.49
27
BOLT, HEX. (6X16) | Use from Frame SN 1005228 This part replaces 92000-06016.
92101-06016-0A
$1.49
27
BOLT, HEX. (6X16) | Use from Frame SN 1005228 This part replaces 92000-06016-0A.
92101-06016-0A
$1.49
27
BOLT, HEX. (6X16) | Use from Frame SN 1005228 This part replaces 92000-06016-1A.
92101-06016-0A
$1.49
27
BOLT, HEX. (6X16) | Use from Frame SN 1005228 This part replaces 92100-06016-0A.
92101-06016-0A
$1.49
27
BOLT, HEX. (6X12) | Use from Frame SN 0010001 to 1005227 This part replaces 92101-06012.
92101-06012-0A
$1.49
27
BOLT, HEX. (6X16) | Use from Frame SN 1005228 This part replaces 92200-06016-0A.
92101-06016-0A
$1.49
28
BOLT, HEX. (8X12) (NOT AVAILABLE) This part replaces 92000-08012.
92100-08012-0A
Unavailable
28
BOLT, HEX. (8X12) (NOT AVAILABLE) This part replaces 92000-08012-0A.
92100-08012-0A
Unavailable
28
BOLT, HEX. (8X12) (NOT AVAILABLE)
92100-08012-0A
Unavailable
28
BOLT, HEX. (8X12) (NOT AVAILABLE) This part replaces 92200-08012-0A.
92100-08012-0A
Unavailable
30
BOLT, HEX. (8X32) | Use from Frame SN 0010001 to 1005227 This part replaces 92000-08032.
92101-08032-0B
$2.39
30
BOLT, HEX. (8X32) | Use from Frame SN 0010001 to 1005227 This part replaces 92000-08032-0A.
92101-08032-0B
$2.39
30
BOLT, HEX. (8X32) | Use from Frame SN 0010001 to 1005227 This part replaces 92000-08032-0B.
92101-08032-0B
$2.39
30
BOLT, HEX. (8X38) (NOT AVAILABLE) | Use from Frame SN 1005228 This part replaces 92000-08038.
92000-08038-0A
Unavailable
30
BOLT, HEX. (8X38) (NOT AVAILABLE) | Use from Frame SN 1005228
92000-08038-0A
Unavailable
31
SCREW, PAN (3X8) (NOT AVAILABLE)
93500-03008-0B
Unavailable
31
SCREW, PAN (3X10) (NOT AVAILABLE)
93500-03010-0B
Unavailable
