- Partiron
- OEM Parts
- Honda
- MOTORCYCLE
- Models With No Year
- CB72A MOTORCYCLE, JPN, VIN# CB72-100001
OIL PUMP + OIL FILTER
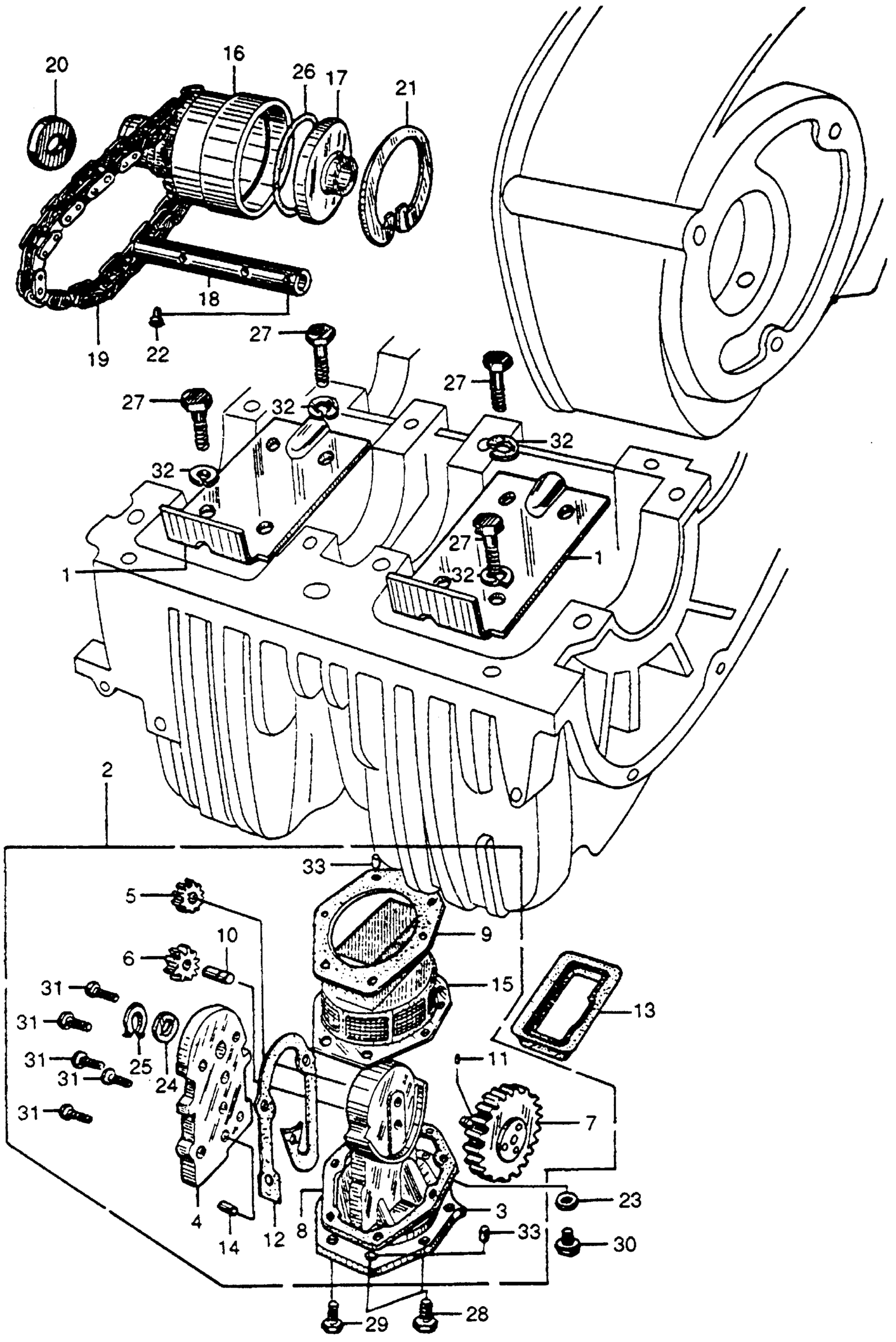
Honda CB72A MOTORCYCLE, JPN, VIN# CB72-100001 OIL PUMP + OIL FILTER Diagram
#
Description
Price
1
SEPARATOR, OIL (NOT AVAILABLE)
11751-259-000
Unavailable
2
PUMP ASSY., OIL (NOT AVAILABLE)
15100-273-000
Unavailable
3
BODY, OIL PUMP
15110-273-000
Unavailable
4
COVER, OIL PUMP
15121-259-000
Unavailable
5
GEAR A, OIL PUMP (NOT AVAILABLE)
15131-250-000
Unavailable
6
GEAR B, OIL PUMP (NOT AVAILABLE)
15141-250-000
Unavailable
7
GEAR, OIL PUMP DRIVE (NOT AVAILABLE) | Use from Engine SN 0100001 to 0104165
15180-268-323
Unavailable
8
GASKET A, OIL PUMP | Use from Engine SN 0110001 to 1004961
15191-259-000
Unavailable
8
GASKET B, OIL PUMP | Use from Engine SN 1004962 This part replaces 15192-259-000.
15192-259-306
Unavailable
9
GASKET B, OIL PUMP This part replaces 15192-259-000.
15192-259-306
Unavailable
10
PIN, OIL PUMP GEAR
15193-259-000
Unavailable
11
PIN, OIL PUMP GEAR LOCKING (NOT AVAILABLE)
15194-250-000
Unavailable
12
GASKET, OIL PUMP SIDE COVER (NOT AVAILABLE)
15196-259-000
Unavailable
13
RECEIVER, OIL (NOT AVAILABLE) | Use from Engine SN 0110001 to 0311305
15198-259-020
Unavailable
14
PIN, OIL PUMP SIDE COVER (NOT AVAILABLE)
15199-250-000
Unavailable
15
STRAINER, OIL PUMP (NOT AVAILABLE) This part replaces 15420-259-020.
15420-259-030
Unavailable
15
STRAINER, OIL PUMP (NOT AVAILABLE)
15420-259-030
Unavailable
16
ROTOR, OIL FILTER (NOT AVAILABLE) | Use from Engine SN 0100001 to 0104165
15440-259-030
Unavailable
17
CAP, ROTOR (NOT AVAILABLE)
15451-259-020
Unavailable
18
SHAFT, OIL FILTER (NOT AVAILABLE)
15471-259-000
Unavailable
19
CHAIN, FILTER This part replaces 15478-259-000.
15478-259-003
Unavailable
20
WASHER, FILTER ROTOR (NOT AVAILABLE)
15493-259-000
Unavailable
21
RING SET (52MM) (NOT AVAILABLE) | Use from Engine SN 0110001 to 0213080
15494-259-010
Unavailable
21
RING, OIL FILTER STOPPER (NOT AVAILABLE) | Use from Engine SN 0100001 to 0104165
15494-259-020
Unavailable
22
PIN, OIL FILTER SHAFT STOPPER (NOT AVAILABLE)
15495-259-000
Unavailable
24
WASHER (9.5MM) (NOT AVAILABLE)
90485-259-000
Unavailable
25
RING, SNAP (9MM) (NOT AVAILABLE)
90654-700-000
Unavailable
26
O-RING (48.6X16MM) (NOT AVAILABLE)
91304-259-010
Unavailable
