- Partiron
- OEM Parts
- Honda
- MOTORCYCLE
- Models With No Year
- CB72A MOTORCYCLE, JPN, VIN# CB72-100001
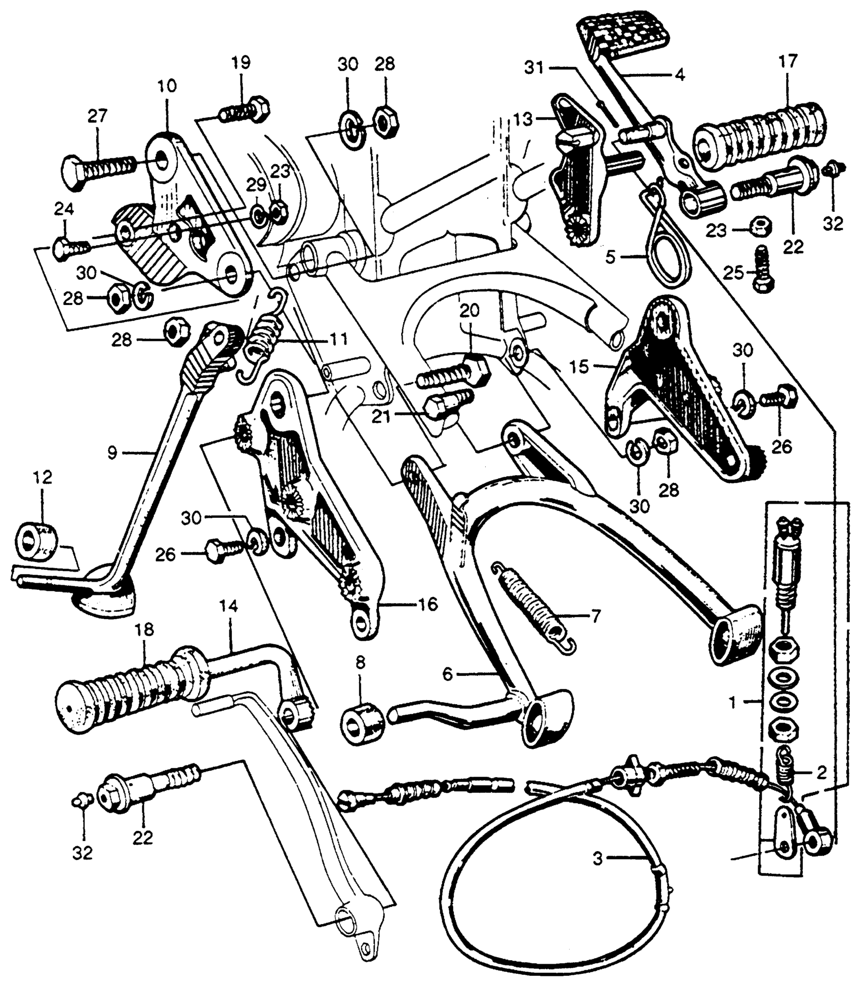
MAIN STAND + STEP BAR
Honda CB72A MOTORCYCLE, JPN, VIN# CB72-100001 MAIN STAND + STEP BAR Diagram
#
Description
Price
1
SWITCH ASSY., STOP LAMP (NOT AVAILABLE) | Use from Frame SN 0010001 to 0023971
35350-268-010
Unavailable
1
SWITCH ASSY., STOP LAMP (NOT AVAILABLE) | Use from Frame SN 0023972
35350-270-003
Unavailable
2
SPRING, STOP SWITCH (NOT AVAILABLE)
35351-268-000
Unavailable
3
CABLE, RR. BRAKE (NOT AVAILABLE) | Use from Frame SN 0010001 to 1004892
43460-268-020
Unavailable
3
CABLE, RR. BRAKE (NOT AVAILABLE) | Use from Frame SN 1004893
43460-268-030
Unavailable
4
PEDAL, BRAKE (NOT AVAILABLE)
46500-268-010
Unavailable
5
SPRING, BRAKE PEDAL (NOT AVAILABLE)
46514-268-010
Unavailable
6
STAND, MAIN *NH1* (BLACK) (NOT AVAILABLE)
50500-268-670B
Unavailable
7
SPRING, MAIN STAND (NOT AVAILABLE)
50522-268-000
Unavailable
8
RUBBER, MAIN STAND STOPPER (NOT AVAILABLE)
50524-268-000
Unavailable
9
BAR, SIDE STAND (NOT AVAILABLE)
50530-282-000
Unavailable
10
BRACKET, SIDE STAND (NOT AVAILABLE)
50541-268-811
Unavailable
11
SPRING, SIDE STAND (NOT AVAILABLE)
50542-268-810
Unavailable
12
RUBBER, SIDE STAND STOPPER (NOT AVAILABLE)
50543-268-810
Unavailable
13
ARM, R. STEP
50630-268-810
Unavailable
14
ARM, L. STEP (NOT AVAILABLE)
50640-268-810
Unavailable
15
BRACKET, R. STEP ARM (NOT AVAILABLE)
50651-268-010
Unavailable
16
BRACKET, L. STEP ARM (NOT AVAILABLE)
50652-268-010
Unavailable
17
RUBBER, R. STEP (NOT AVAILABLE)
50661-268-810
Unavailable
18
RUBBER, L. STEP
50662-268-810
Unavailable
19
BOLT, SIDE STAND PIVOT (NOT AVAILABLE)
90108-259-000
Unavailable
20
BOLT, L. MAIN STAND SETTING (NOT AVAILABLE)
90146-268-810
Unavailable
21
BOLT, MAIN STAND SETTING (NOT AVAILABLE)
90151-268-000
Unavailable
22
BOLT, STEP ARM FIXING (NOT AVAILABLE)
90152-268-000
Unavailable
26
BOLT, HEX. (10X18) This part replaces 92000-10018.
92101-10018-0A
Unavailable
26
BOLT, HEX. (10X18) This part replaces 92000-10018-0A.
92101-10018-0A
Unavailable
27
BOLT, HEX. (10X55) (NOT AVAILABLE) This part replaces 92000-10055.
92000-10055-0A
Unavailable
27
BOLT, HEX. (10X55) (NOT AVAILABLE)
92000-10055-0A
Unavailable
