- Partiron
- OEM Parts
- Honda
- MOTORCYCLE
- Models With No Year
- CB72A MOTORCYCLE, JPN, VIN# CB72-100001
FRONT WHEEL
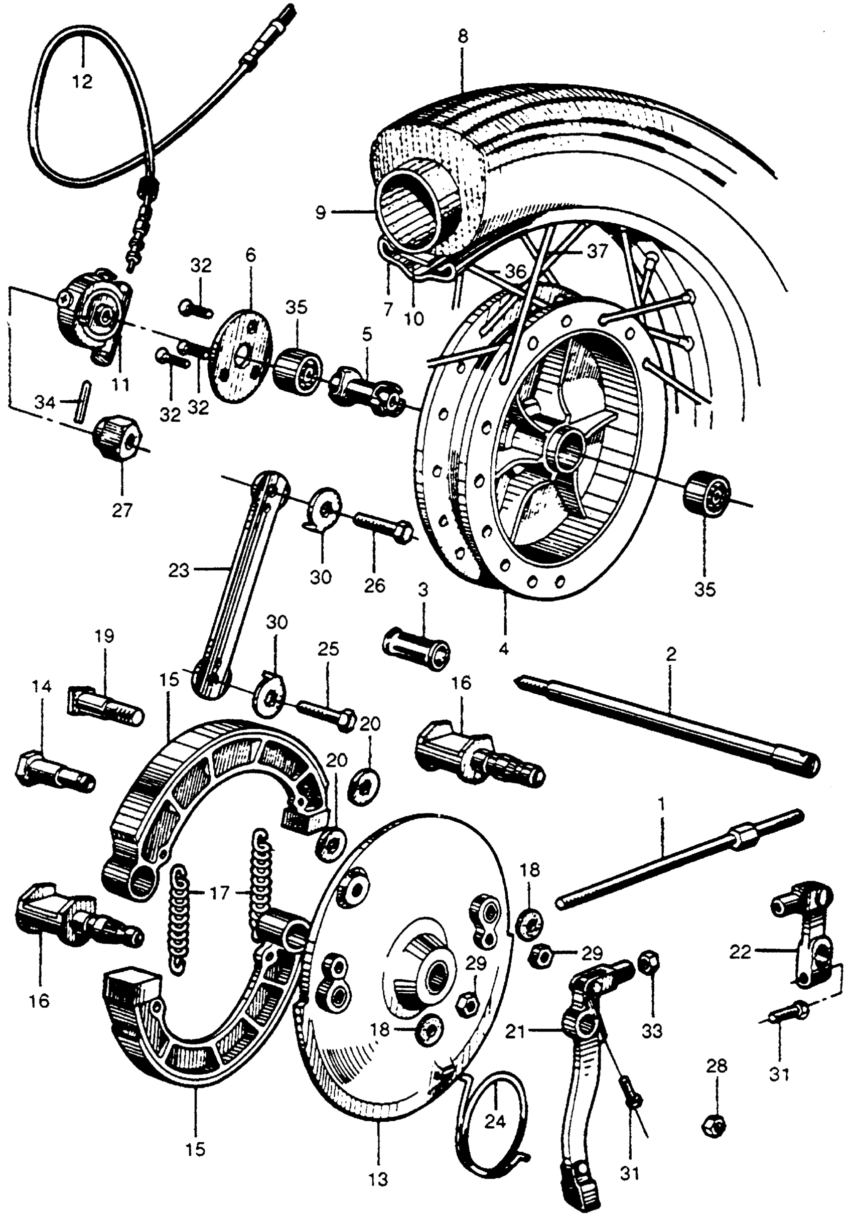
Honda CB72A MOTORCYCLE, JPN, VIN# CB72-100001 FRONT WHEEL Diagram
#
1
ROD, RR. BRAKE (NOT AVAILABLE) | Use from Frame SN 0011549
43423-268-000
Unavailable
2
AXLE, FR. WHEEL (NOT AVAILABLE)
44301-268-000
Unavailable
3
COLLAR, FR. SIDE WHEEL (NOT AVAILABLE) | Use from Frame SN 1005228
44311-268-000
Unavailable
4
HUB, FR. WHEEL (NOT AVAILABLE) | Use from Frame SN 0010001 to 0023081
44601-268-000
Unavailable
4
HUB, FR. WHEEL (NOT AVAILABLE) | Use from Frame SN 0023082
44601-268-010
Unavailable
5
COLLAR, FR. AXLE DISTANCE
44620-268-000
Unavailable
6
RETAINER, FR. WHEEL (NOT AVAILABLE) | Use from Frame SN 0010001 to 0023081
44641-268-000
Unavailable
6
RETAINER, FR. WHEEL (NOT AVAILABLE) | Use from Frame SN 0023082
44641-268-010
Unavailable
7
RIM, FR. WHEEL (NOT AVAILABLE)
44701-268-000
Unavailable
8
TIRE, FR. (2.75-18) (YOKOHAMA) (NOT AVAILABLE) This part replaces 44711-268-000.
44711-315-009
Unavailable
8
TIRE, FR. (2.75-18) (YOKOHAMA) (NOT AVAILABLE)
44711-315-009
Unavailable
9
TUBE (275/300-18) (IRC) This part replaces 08400-21600.
42712-KC6-005
Unavailable
9
TUBE (275/300-18) (IRC) This part replaces 42712-166-004.
42712-KC6-005
Unavailable
9
TUBE (275/300-18) (IRC) This part replaces 44712-028-000.
42712-KC6-005
Unavailable
9
TUBE (275/300-18) (IRC) This part replaces 44712-150-005.
42712-KC6-005
Unavailable
9
TUBE (275/300-18) (IRC) This part replaces 44712-205-000.
42712-KC6-005
Unavailable
9
TUBE (275/300-18) (IRC) This part replaces 44712-268-000.
42712-KC6-005
Unavailable
9
TUBE (275/300-18) (IRC) This part replaces 44712-315-009.
42712-KC6-005
Unavailable
10
FLAP, TIRE (18) (BS) (NOT AVAILABLE)
44713-268-000
Unavailable
11
BOX, SPEEDOMETER GEAR (NOT AVAILABLE) | Use from Frame SN 0010001 to 0023081
44800-268-000
Unavailable
11
BOX, SPEEDOMETER GEAR | Use from Frame SN 0023082 to 1003906
44800-268-010
Unavailable
11
BOX, SPEEDOMETER GEAR (NOT AVAILABLE) | Use from Frame SN 1003907
44800-268-020
Unavailable
12
CABLE ASSY., SPEEDOMETER (NOT AVAILABLE) | Use from Frame SN 0010001 to 1003906
44830-268-010
Unavailable
12
CABLE ASSY., SPEEDOMETER (NOT AVAILABLE) | Use from Frame SN 1003907
44830-270-000
Unavailable
13
PANEL, FR. BRAKE (NOT AVAILABLE) | Use from Frame SN 0010001 to 0011548
45100-268-010
Unavailable
13
PANEL, FR. BRAKE (NOT AVAILABLE) | Use from Frame SN 0011549
45100-268-020
Unavailable
14
PIN A, FR. BRAKE SHOE ANCHOR | Use from Frame SN 0010001 to 0029881
45110-268-000
Unavailable
14
PIN A, FR. BRAKE SHOE ANCHOR | Use from Frame SN 0100001 to 0101459
45110-268-000
Unavailable
14
PIN A, FR. BRAKE SHOE ANCHOR | Use from Frame SN 0310001 to 0315446
45110-268-000
Unavailable
14
PIN A, FR. BRAKE SHOE ANCHOR (NOT AVAILABLE) | Use from Frame SN 0101460 to 0109800
45110-268-010
Unavailable
15
SHOE, FR. BRAKE (NOT AVAILABLE) | Use from Frame SN 0010001 to 0011548
45120-268-000
Unavailable
15
SHOE, BRAKE | Use from Frame SN 0011549 This part replaces 45120-268-020.
45120-458-305
Unavailable
15
SHOE, BRAKE | Use from Frame SN 0011549 This part replaces 45120-283-000.
45120-458-305
Unavailable
15
SHOE, BRAKE | Use from Frame SN 0011549 This part replaces 45120-458-670.
45120-458-305
Unavailable
16
ARM, FR. BRAKE STOPPER (NOT AVAILABLE) | Use from Frame SN 0010001 to 0021881
45131-268-020
Unavailable
16
CAM, FR. BRAKE (NOT AVAILABLE) | Use from Frame SN 0100001 to 0109800
45131-268-030
Unavailable
16
CAM, FR. BRAKE (NOT AVAILABLE) | Use from Frame SN 0400001
45131-268-030
Unavailable
17
SPRING, BRAKE SHOE (NOT AVAILABLE) | Use from Frame SN 0010001 to 0023971
45133-268-000
Unavailable
17
SPRING, BRAKE SHOE (NOT AVAILABLE) | Use from Frame SN 0023972
45133-268-010
Unavailable
19
PIN B, FR. BRAKE SHOE ANCHOR (NOT AVAILABLE) | Use from Frame SN 0010001 to 0011548
45141-268-000
Unavailable
20
WASHER, ANCHOR PIN SETTING (NOT AVAILABLE)
45142-268-000
Unavailable
21
ARM A, FR. BRAKE (NOT AVAILABLE) This part replaces 45410-268-020.
45410-268-030
Unavailable
21
ARM A, FR. BRAKE (NOT AVAILABLE)
45410-268-030
Unavailable
22
ARM, FR. BRAKE (NOT AVAILABLE) | Use from Frame SN 0101460 to 0109800 This part replaces 45420-268-010.
45420-458-670
Unavailable
22
ARM, FR. BRAKE (NOT AVAILABLE) | Use from Frame SN 0400001 This part replaces 45420-268-010.
45420-458-670
Unavailable
22
ARM, FR. BRAKE (NOT AVAILABLE) | Use from Frame SN 0101460 to 0109800
45420-458-670
Unavailable
23
ARM, FR. BRAKE STOPPER (NOT AVAILABLE)
45431-268-040
Unavailable
24
SPRING, FR. BRAKE ARM (NOT AVAILABLE) | Use from Frame SN 0010001 to 0011548
45435-268-010
Unavailable
24
SPRING, FR. BRAKE ARM (NOT AVAILABLE) | Use from Frame SN 0011549
45435-268-020
Unavailable
25
BOLT A, FR. BRAKE STOPPER ARM (NOT AVAILABLE) | Use from Frame SN 0100001 to 0109800
90125-268-000
Unavailable
25
BOLT A, FR. BRAKE STOPPER ARM (NOT AVAILABLE) | Use from Frame SN 0400001
90125-268-000
Unavailable
26
BOLT B, FR. BRAKE STOPPER ARM (NOT AVAILABLE) | Use from Frame SN 0010001 to 0029881
90126-268-000
Unavailable
26
BOLT B, FR. BRAKE STOPPER ARM (NOT AVAILABLE) | Use from Frame SN 0310001 to 0311505
90126-268-000
Unavailable
26
BOLT B, FR. BRAKE STOPPER ARM (NOT AVAILABLE) | Use from Frame SN 0311506 to 0315446
90126-268-000
Unavailable
26
BOLT B, FR. BRAKE STOPPER ARM (NOT AVAILABLE) | Use from Frame SN 0400001 to 1005227
90126-268-000
Unavailable
26
BOLT B, FR. BRAKE STOPPER ARM (NOT AVAILABLE) | Use from Frame SN 1005228
90126-268-010
Unavailable
27
NUT, FR. WHEEL AXLE (NOT AVAILABLE)
90305-268-000
Unavailable
28
NUT, CASTLE (10MM) (NOT AVAILABLE) | Use from Frame SN 0010001 to 0011548
90307-205-000
Unavailable
29
NUT, ANCHOR PIN SETTING (NOT AVAILABLE)
90316-205-000
Unavailable
30
WASHER, TONGUED (8.2MM) (NOT AVAILABLE)
90532-268-000
Unavailable
31
BOLT, HEX. (6X22) | Use from Frame SN 0100001 to 0109800 This part replaces 92000-06022.
92101-06022-0A
$1.54
31
BOLT, HEX. (6X22) | Use from Frame SN 0312196 to 0315446 This part replaces 92000-06022.
92101-06022-0A
$1.54
31
BOLT, HEX. (6X22) | Use from Frame SN 0400001 This part replaces 92000-06022.
92101-06022-0A
$1.54
31
BOLT, HEX. (6X22) | Use from Frame SN 0100001 to 0109800 This part replaces 92000-06022-00.
92101-06022-0A
$1.54
31
BOLT, HEX. (6X22) | Use from Frame SN 0312196 to 0315446 This part replaces 92000-06022-00.
92101-06022-0A
$1.54
31
BOLT, HEX. (6X22) | Use from Frame SN 0400001 This part replaces 92000-06022-00.
92101-06022-0A
$1.54
36
SPOKE A, FR.
97422-43140-1
Unavailable
37
SPOKE B
97547-43138-1
Unavailable
