- Partiron
- OEM Parts
- Honda
- MOTORCYCLE
- Models With No Year
- CB72A MOTORCYCLE, JPN, VIN# CB72-100001
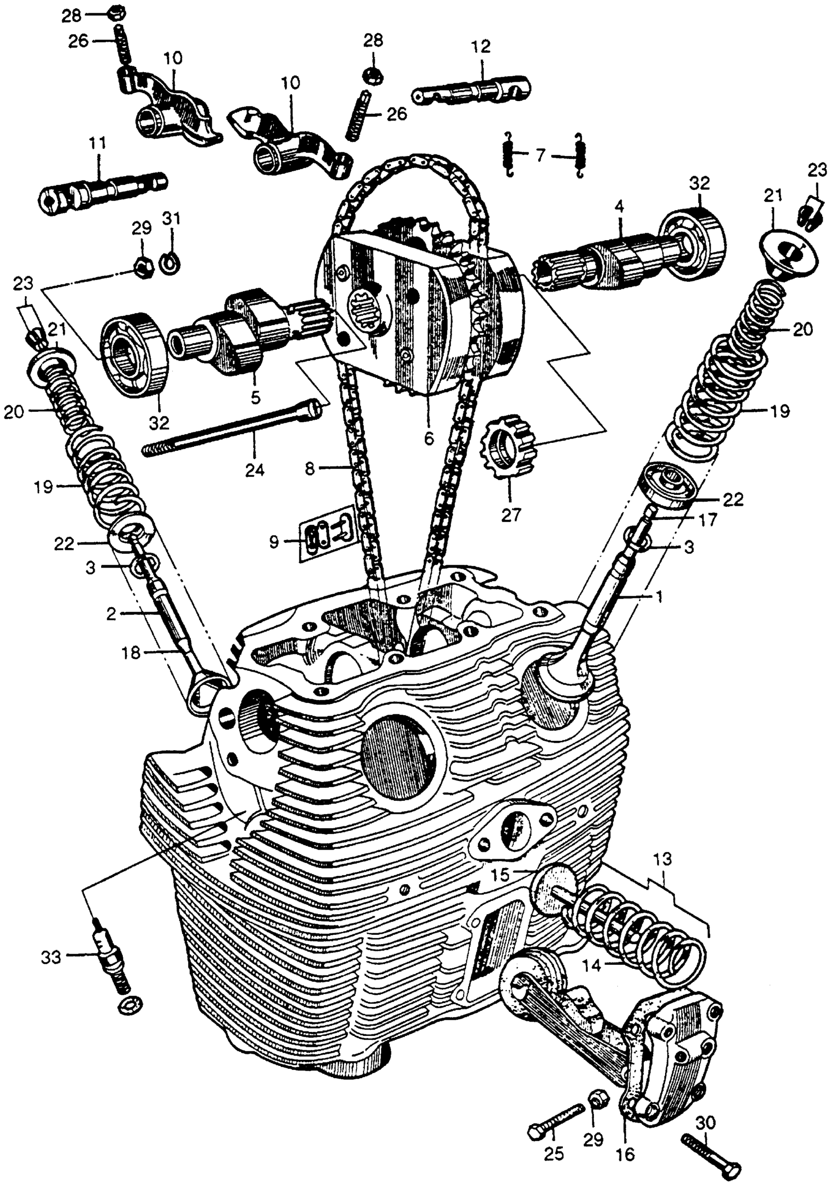
CAMSHAFT + VALVE + CAM CHAIN
Honda CB72A MOTORCYCLE, JPN, VIN# CB72-100001 CAMSHAFT + VALVE + CAM CHAIN Diagram
#
1
GUIDE, VALVE (NOT AVAILABLE)
12021-268-000
Unavailable
2
GUIDE, EX. VALVE (NOT AVAILABLE)
12023-259-000
Unavailable
4
CAMSHAFT, R. (NOT AVAILABLE) This part replaces 14111-268-010.
14111-268-030
Unavailable
4
CAMSHAFT, R. (NOT AVAILABLE) This part replaces 14111-268-020.
14111-268-030
Unavailable
4
CAMSHAFT, R. (NOT AVAILABLE)
14111-268-030
Unavailable
5
CAMSHAFT, L. This part replaces 14121-268-050.
14121-268-060
Unavailable
5
CAMSHAFT, L.
14121-268-060
Unavailable
6
SPROCKET, CAM (NOT AVAILABLE) | Use from Engine SN 0100001 to 0104165
14320-268-030
Unavailable
7
SPRING, GOVERNOR (NOT AVAILABLE) | Use from Engine SN 0100001 to 0104165
14329-268-320
Unavailable
8
CHAIN, CAM (DK219, 94L) (NOT AVAILABLE)
14401-259-000
Unavailable
8
CHAIN, CAM (DK219, 94L) (NOT AVAILABLE) This part replaces 14401-259-003.
14401-259-000
Unavailable
9
JOINT, CAM CHAIN (DK219)
14411-259-000
Unavailable
10
ARM, VALVE ROCKER
14431-268-305
Unavailable
13
TENSION, CAM CHAIN (NOT AVAILABLE)
14500-268-010
Unavailable
14
SPRING, CAM CHAIN TENSIONER (NOT AVAILABLE)
14541-258-010
Unavailable
15
BAR, CAM CHAIN TENSIONER (NOT AVAILABLE)
14551-259-000
Unavailable
16
GASKET This part replaces 14591-258-000.
14591-258-306
Unavailable
17
VALVE, IN. (NOT AVAILABLE)
14711-268-010
Unavailable
18
VALVE, EX.
14721-268-000
Unavailable
21
RETAINER, VALVE SPRING (NOT AVAILABLE)
14771-268-000
Unavailable
22
SEAT, VALVE SPRING (NOT AVAILABLE)
14775-259-000
Unavailable
23
COTTER, VALVE
14781-253-010
Unavailable
24
BOLT, CAMSHAFT LOCKING
90008-268-010
Unavailable
25
BOLT, TENSIONER ADJUSTING (NOT AVAILABLE)
90009-259-000
Unavailable
26
SCREW, TAPPET ADJ. (NOT AVAILABLE)
90012-258-000
Unavailable
27
NUT, CAMSHAFT LOCKING (NOT AVAILABLE) | Use from Engine SN 0110001 to 0213800
90205-259-000
Unavailable
27
NUT, CAMSHAFT LOCKING | Use from Engine SN 0100001 to 0104165
90205-259-010
Unavailable
27
NUT, CAMSHAFT LOCKING | Use from Engine SN 0213801
90205-259-010
Unavailable
33
SPARK PLUG (C10H) (NGK) (NOT AVAILABLE) | Use from Engine SN 0110001 to 0210300
98056-60410
Unavailable
