- Partiron
- OEM Parts
- Honda
- MOTORCYCLE
- Models With No Year
- CB72A MOTORCYCLE, JPN, VIN# CB72-100001
AIR CLEANER + TOOL SET
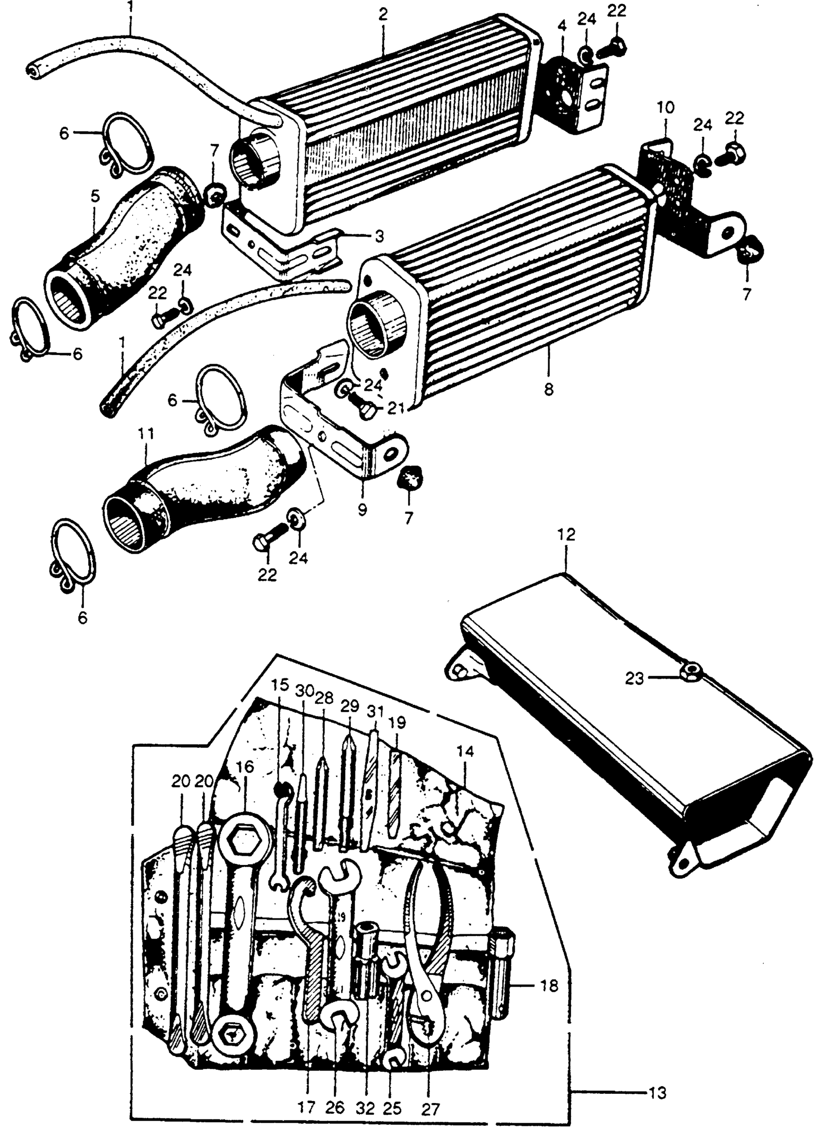
Honda CB72A MOTORCYCLE, JPN, VIN# CB72-100001 AIR CLEANER + TOOL SET Diagram
#
1
PIPE, OVERFLOW (NOT AVAILABLE) | Use from Frame SN 0011001 to 0112469
16234-259-000
Unavailable
1
PIPE, OVERFLOW | Use from Frame SN 0100001 to 0104165
16234-268-010
Unavailable
1
PIPE, OVERFLOW | Use from Frame SN 0112470 to 0315446
16234-268-010
Unavailable
1
PIPE, OVERFLOW | Use from Frame SN 0400001
16234-268-010
Unavailable
2
ELEMENT, R. AIR CLEANER (NOT AVAILABLE) This part replaces 17211-268-020.
17211-268-030
Unavailable
2
ELEMENT, R. AIR CLEANER (NOT AVAILABLE)
17211-268-030
Unavailable
3
STAY A, R. AIR CLEANER SUPPORT (NOT AVAILABLE)
17242-268-000
Unavailable
4
STAY B, R. AIR CLEANER SUPPORT (NOT AVAILABLE)
17243-268-000
Unavailable
5
TUBE, R. AIR CLEANER CONNECTING (NOT AVAILABLE)
17253-268-030
Unavailable
6
BAND, AIR CLEANER
17242-GM6-000
Unavailable
6
BAND, AIR CLEANER This part replaces 17255-268-010.
17242-GM6-000
Unavailable
7
RUBBER, AIR CLEANER SHOCK PROOF
17257-268-000
Unavailable
8
ELEMENT, L. AIR CLEANER (NOT AVAILABLE)
17311-268-020
Unavailable
9
STAY A, L. AIR CLEANER SUPPORT (NOT AVAILABLE)
17342-268-000
Unavailable
10
STAY B, L. AIR CLEANER SUPPORT (NOT AVAILABLE)
17343-268-000
Unavailable
11
TUBE, L. AIR CLEANER CONNECTING (NOT AVAILABLE)
17353-268-030
Unavailable
12
BOX, TOOL (NOT AVAILABLE)
83500-268-020Z
Unavailable
13
TOOL SET
89010-268-000
Unavailable
13
TOOL SET (NOT AVAILABLE)
89010-268-010
Unavailable
14
BAG, TOOL (NOT AVAILABLE)
89101-268-000
Unavailable
15
WRENCH, TAPPET ADJUSTING (NOT AVAILABLE)
89201-268-000
Unavailable
16
WRENCH, AXLE (NOT AVAILABLE)
89202-268-000
Unavailable
17
WRENCH (37MM) (OPEN END) (NOT AVAILABLE)
89204-268-000
Unavailable
18
WRENCH, SPARK PLUG | Use from Frame SN 0110001 to 0210300
89216-001-000
Unavailable
18
WRENCH, SPARK PLUG
89216-028-010
Unavailable
18
WRENCH, SPARK PLUG (NOT AVAILABLE) This part replaces 89216-033-000.
99004-18230
Unavailable
18
WRENCH, SPARK PLUG | Use from Frame SN 0110001 to 0210300
89216-041-000
Unavailable
18
WRENCH, SPARK PLUG | Use from Frame SN 0110001 to 0210300
89216-041-010
Unavailable
18
WRENCH, SPARK PLUG
89216-264-000
Unavailable
18
WRENCH, SPARK PLUG (NOT AVAILABLE)
99004-18230
Unavailable
19
GAUGE, TAPPET CLEARANCE ADJUST
89231-200-000
Unavailable
20
LEVER, TIRE | Use from Frame SN 0110001 to 0210300
89241-253-000
Unavailable
