- Partiron
- OEM Parts
- Honda
- MOTORCYCLE
- 1984
- CB700SCA (84) NIGHTHAWK S, JPN, VIN# JH2RC200-EM000011 TO JH2RC200-EM011128
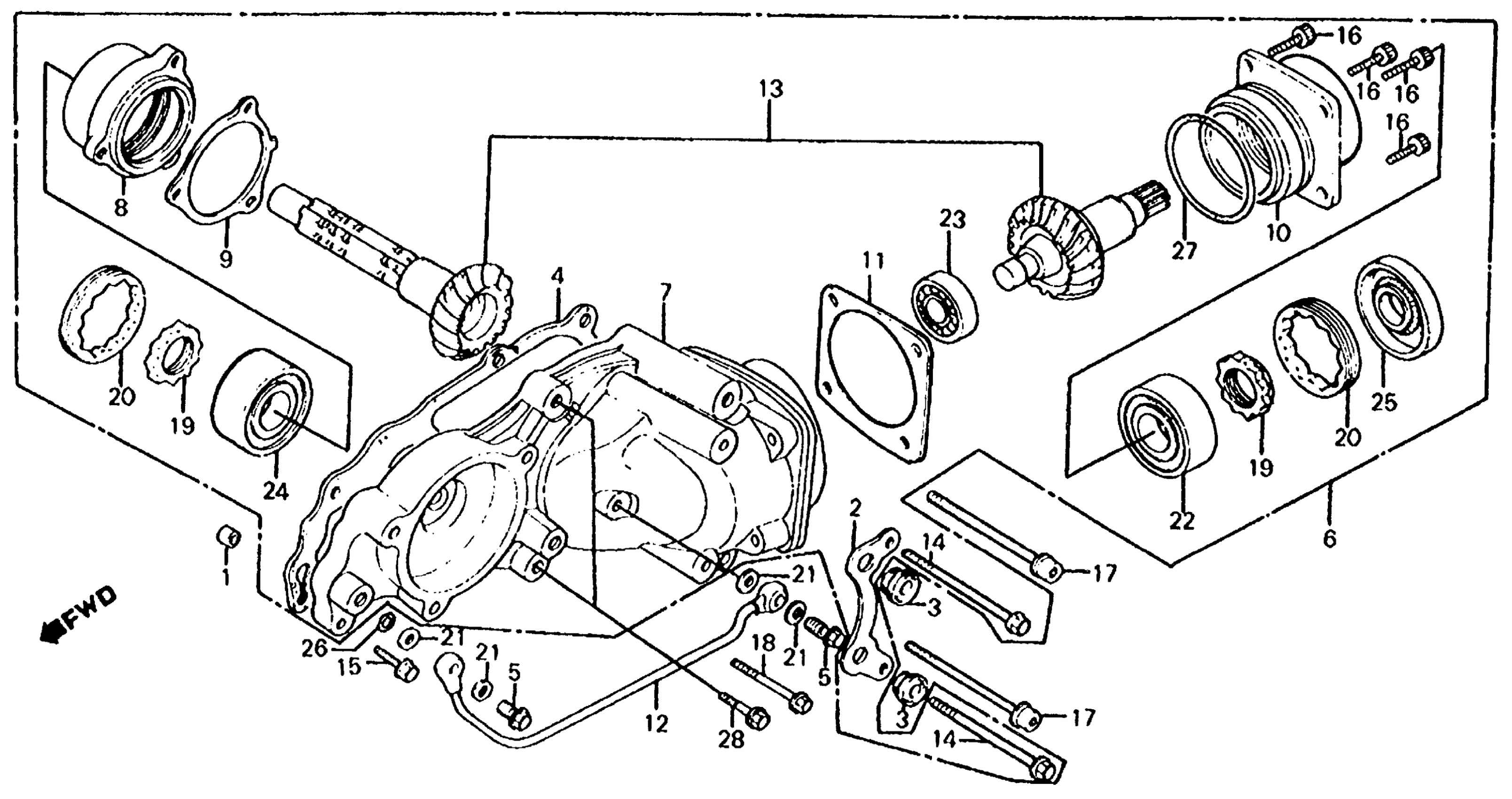
CROSS SHAFT
Honda CB700SCA (84) NIGHTHAWK S, JPN, VIN# JH2RC200-EM000011 TO JH2RC200-EM011128 CROSS SHAFT Diagram
#
Description
Price
1
NOZZLE, TRANSMISSION OIL
11205-MJ0-000
Unavailable
2
COVER, CLUTCH
11342-MB0-000
Unavailable
5
BOLT, FLANGE (7X20) (NOT AVAILABLE)
15533-MA6-000
Unavailable
6
CASE ASSY., SIDE GEAR
21100-MJ1-000
Unavailable
7
CASE, SIDE GEAR
21200-MJ1-000
Unavailable
8
HOLDER, COUNTERSHAFT BEARING
21301-MJ1-000
Unavailable
9
SHIM, COUNTERSHAFT (0.40)
21321-MJ1-000
Unavailable
9
SHIM, COUNTERSHAFT (0.45)
21322-MJ1-000
Unavailable
9
SHIM, COUNTERSHAFT (0.50)
21323-MJ1-000
Unavailable
9
SHIM, COUNTERSHAFT (0.55)
21324-MJ1-000
Unavailable
9
SHIM, COUNTERSHAFT (0.60)
21325-MJ1-000
Unavailable
10
HOLDER, CROSS SHAFT BEARING
21371-MB0-000
Unavailable
12
PIPE, TRANSMISSION OIL
21801-MJ1-000
Unavailable
13
SHAFT SET, CROSS
23200-MJ1-000
Unavailable
14
BOLT, UBS (8X100)
90004-HC4-000
Unavailable
14
BOLT, UBS (8X100) (NOT AVAILABLE) This part replaces 90004-422-000.
90004-HC4-000
Unavailable
17
BOLT, FLANGE SOCKET (8X85)
90062-MB0-000
Unavailable
24
BEARING, SPECIAL BALL (30X62X25.8)
91012-MJ1-003
Unavailable
