- Partiron
- OEM Parts
- Honda
- MOTORCYCLE
- 1981
- CB650CA (81) 650 CUSTOM, JPN, VIN# JH2RC051-BM100001 TO JH2RC051-BM118458
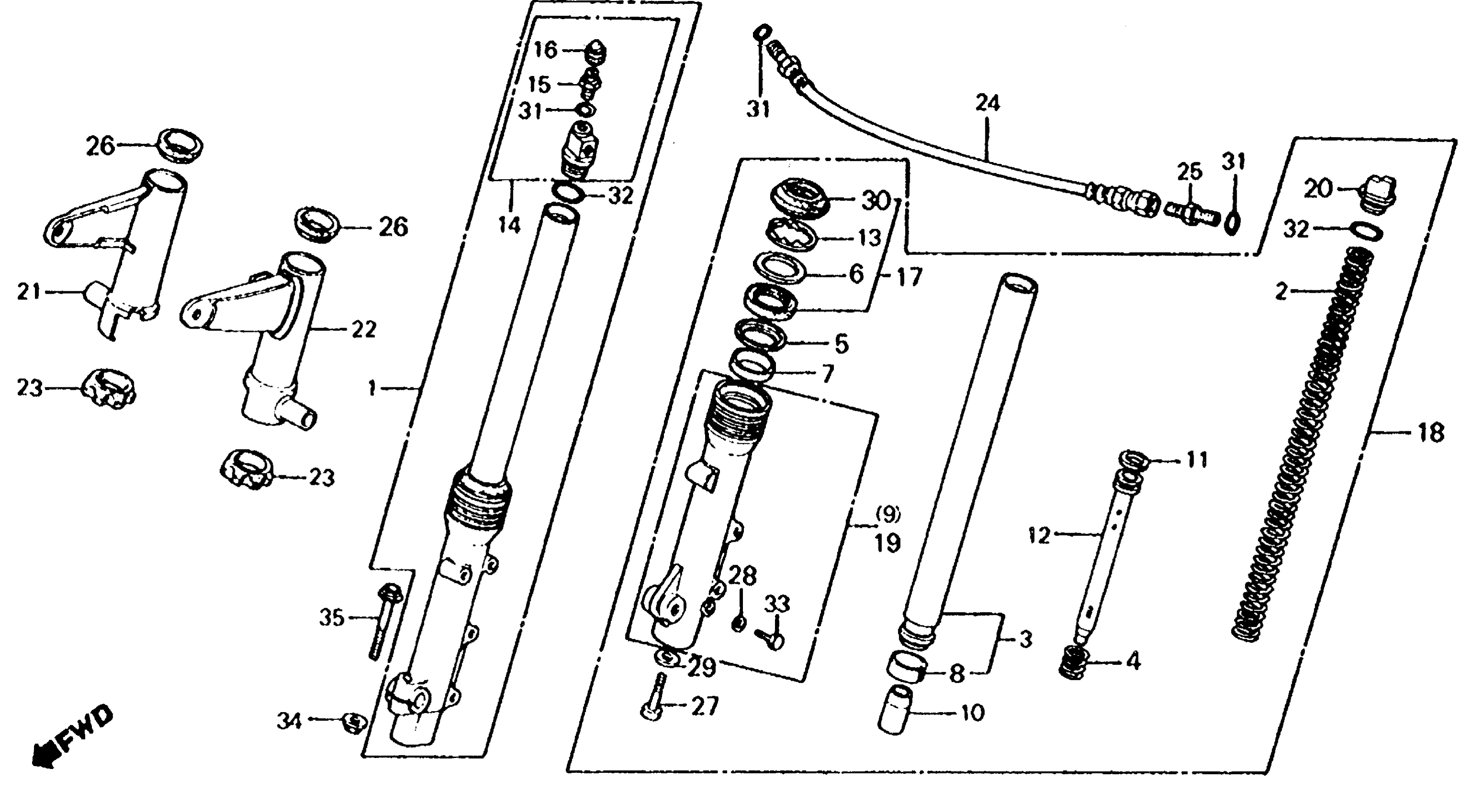
CB650C FRONT FORK 81
Honda CB650CA (81) 650 CUSTOM, JPN, VIN# JH2RC051-BM100001 TO JH2RC051-BM118458 CB650C FRONT FORK 81 Diagram
#
Description
Price
1
FORK ASSY., R. FR. (SHOWA)
51400-460-731
Unavailable
2
SPRING, FR. FORK (SHOWA) (NOT AVAILABLE)
51401-460-731
Unavailable
3
PIPE, FR. FORK (NOT AVAILABLE)
51410-MA5-671
Unavailable
6
PLATE, BACK-UP (SHOWA)
51413-469-003
Unavailable
8
BUSH, SLIDER (SHOWA)
51415-469-003
Unavailable
9
CASE, R. (LOWER) This part replaces 51421-MA5-671.
51421-MA5-701
Unavailable
10
PIECE, OIL LOCK (NOT AVAILABLE)
51432-461-771
Unavailable
12
SEAT (LOWER)
51440-425-731
Unavailable
14
BOLT ASSY., FR. FORK (NOT AVAILABLE)
51450-MA5-671
Unavailable
16
CAP ASSY., AIR VALVE
51457-469-000
Unavailable
18
FORK ASSY., L. FR. (SHOWA) (NOT AVAILABLE)
51500-460-731
Unavailable
19
CASE, L. (LOWER) This part replaces 51521-MA5-671.
51521-MA5-701
Unavailable
19
CASE, L. (LOWER)
51521-MA5-701
Unavailable
20
BOLT, L. FR. FORK (NOT AVAILABLE)
51555-MA5-671
Unavailable
21
COVER, R. FR. FORK
51602-460-730
Unavailable
22
COVER, L. FR. FORK (NOT AVAILABLE)
51606-460-730
Unavailable
23
RUBBER B, FR. FORK COVER
51622-323-000
Unavailable
24
HOSE, FR. FORK JOINT (NOT AVAILABLE)
53137-461-771
Unavailable
25
CONNECTOR
53139-463-000
Unavailable
26
RUBBER, HEADLIGHT STAY
61315-340-000
Unavailable
