- Partiron
- OEM Parts
- Honda
- MOTORCYCLE
- 1980
- CB650CA (80) 650 CUSTOM, JPN, VIN# RC05-2000008 TO RC05-2018218
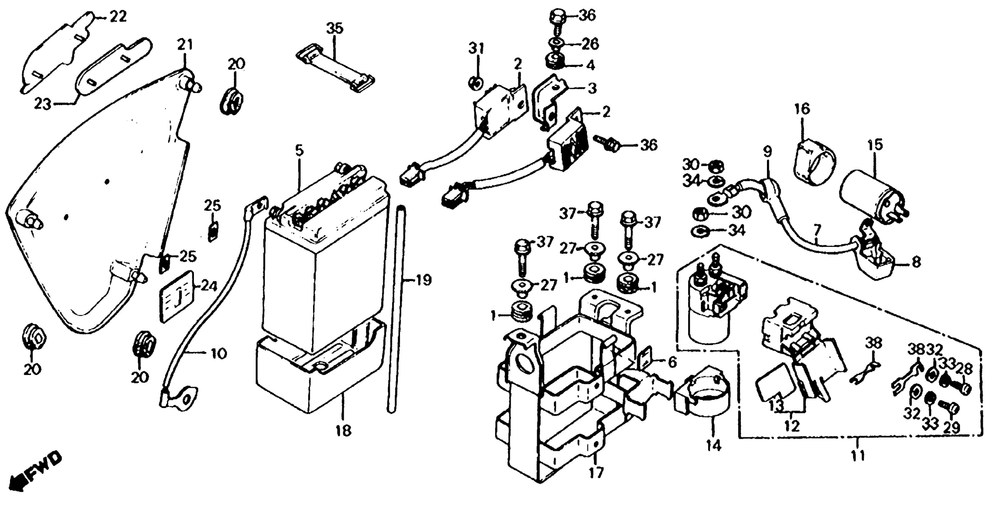
RIGHT SIDE COVER + BATTERY
Honda CB650CA (80) 650 CUSTOM, JPN, VIN# RC05-2000008 TO RC05-2018218 RIGHT SIDE COVER + BATTERY Diagram
#
2
MODULE, IGNITION CONTROL (CDI) (OKI) (NOT AVAILABLE) This part replaces 30400-426-154.
30400-MA4-601
Unavailable
2
MODULE, IGNITION CONTROL (CDI) (OKI) (NOT AVAILABLE) This part replaces 30400-460-662.
30400-MA4-601
Unavailable
2
MODULE, IGNITION CONTROL (CDI) (OKI) (NOT AVAILABLE) This part replaces 30400-460-661.
30400-MA4-601
Unavailable
3
STAY, SPARK UNIT (NOT AVAILABLE)
30402-460-000
Unavailable
5
BATTERY (12V12)
31500-MN2-672
Unavailable
5
BATTERY (12V12) This part replaces 31500-413-601.
31500-460-672AH
Unavailable
5
BATTERY (12V12) This part replaces 31500-413-721.
31500-460-672AH
Unavailable
5
BATTERY (12V12) This part replaces 31500-413-722.
31500-460-672AH
Unavailable
5
BATTERY (12V12) This part replaces 31500-413-942.
31500-460-672AH
Unavailable
5
BATTERY (12V12) This part replaces 31500-460-671.
31500-460-672AH
Unavailable
5
BATTERY (12V12) This part replaces 31500-460-672.
31500-460-672AH
Unavailable
5
BATTERY (12V12) This part replaces 31500-460-677.
31500-460-672AH
Unavailable
5
BATTERY (12V12) This part replaces 35100-MN2-673.
31500-460-672AH
Unavailable
6
MARK, BATTERY LEVEL (NOT AVAILABLE)
31504-460-000
Unavailable
7
CABLE, STARTER BATTERY (NOT AVAILABLE)
32401-460-000
Unavailable
8
COVER, BATTERY TERMINAL (NOT AVAILABLE)
32411-460-000
Unavailable
10
CABLE, BATTERY GROUND (NOT AVAILABLE)
32601-460-000
Unavailable
11
SWITCH ASSY., STARTER MAGNETIC | Use up to Frame SN 2017408 This part replaces 35850-425-017.
35850-MB0-007
$131.64
11
SWITCH ASSY., STARTER MAGNETIC | Use from Frame SN 2017408 This part replaces 35850-425-017.
35850-MB0-007
$131.64
11
SWITCH ASSY., STARTER MAGNETIC | Use up to Frame SN 2017408 This part replaces 35850-425-007.
35850-MB0-007
$131.64
11
SWITCH ASSY., STARTER MAGNETIC | Use up to Frame SN 2017408 This part replaces 35850-463-000.
35850-MB0-007
$131.64
12
COVER, FUSE
35852-425-017
Unavailable
12
COVER, FUSE | Use up to Frame SN 2017408
35852-425-017
Unavailable
12
COVER, FUSE | Use up to Frame SN 2017408 This part replaces 35852-425-007.
35852-425-017
Unavailable
13
LABEL, FUSE COVER
35853-425-300
Unavailable
15
RELAY, TURN SIGNAL This part replaces 38300-415-P00.
38300-MG2-008
Unavailable
15
RELAY, TURN SIGNAL This part replaces 38300-415-004.
38300-MG2-008
Unavailable
15
RELAY, TURN SIGNAL This part replaces 38300-415-671.
38300-MG2-008
Unavailable
15
RELAY, TURN SIGNAL This part replaces 38301-415-004.
38300-MG2-008
Unavailable
15
RELAY, TURN SIGNAL This part replaces 38301-415-671.
38300-MG2-008
Unavailable
17
BOX, BATTERY (NOT AVAILABLE)
50325-460-000
Unavailable
18
RUBBER, BATTERY
50326-413-781
Unavailable
21
COVER, R. SIDE *NH1* (BLACK) (NOT AVAILABLE)
83610-460-000ZA
Unavailable
21
COVER, R. SIDE *R104CU* (CANDY MUSE RED) (NOT AVAILABLE)
83610-460-000ZB
Unavailable
22
EMBLEM, R. SIDE COVER (NOT AVAILABLE)
87124-460-000
Unavailable
24
MARK, BATTERY CAUTION (NOT AVAILABLE)
87506-460-670
Unavailable
