- Partiron
- OEM Parts
- Honda
- MOTORCYCLE
- Models With No Year
- CB550K1A MOTORCYCLE, JPN, VIN# CB550K-1200001
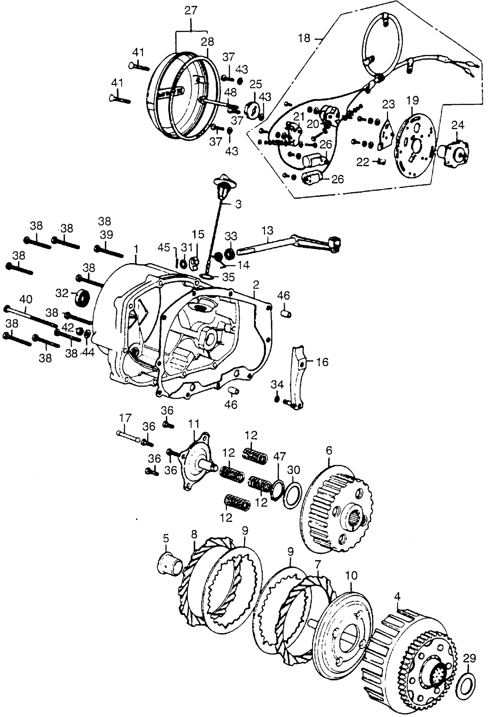
CLUTCH + CRANKCASE COVER
Honda CB550K1A MOTORCYCLE, JPN, VIN# CB550K-1200001 CLUTCH + CRANKCASE COVER Diagram
#
1
COVER, R. CRANKCASE (NOT AVAILABLE)
11331-374-010
Unavailable
2
GASKET, R. CRANKCASE This part replaces 11394-374-000.
11394-374-306
Unavailable
3
DIPSTICK, OIL (NOT AVAILABLE)
15650-323-000
Unavailable
4
CLUTCH (OUTER) (NOT AVAILABLE)
22100-374-000
Unavailable
5
COLLAR (25MM) (NOT AVAILABLE)
22116-374-300
Unavailable
6
CENTER, CLUTCH (NOT AVAILABLE)
22120-374-000
Unavailable
10
PLATE, CLUTCH PRESSURE
22350-374-000
Unavailable
12
SPRING, CLUTCH
22401-374-000
Unavailable
13
LEVER, CLUTCH
22710-374-010
Unavailable
14
SPRING, CLUTCH LEVER (NOT AVAILABLE)
22815-374-000
Unavailable
16
LEVER, CLUTCH ADJ. (NOT AVAILABLE) This part replaces 22831-333-010.
22831-333-020
Unavailable
16
LEVER, CLUTCH ADJ. (NOT AVAILABLE)
22831-333-020
Unavailable
17
ROD, CLUTCH LIFTER (NOT AVAILABLE)
22850-333-000
Unavailable
18
POINTS ASSY. (TOYO) This part replaces 30200-323-005.
30200-323-154
Unavailable
18
POINTS ASSY. (TOYO)
30200-323-154
Unavailable
19
PLATE, POINT BASE (TOYO) This part replaces 30201-300-015.
30201-300-154
Unavailable
19
PLATE, POINT BASE (TOYO)
30201-300-154
Unavailable
20
POINTS (1&4) (TOYO) This part replaces 30203-300-005.
30203-300-154
Unavailable
20
POINTS (1&4) (TOYO)
30203-300-154
Unavailable
21
POINTS (2&3) (TOYO) This part replaces 30204-300-005.
30204-300-154
Unavailable
21
POINTS (2&3) (TOYO)
30204-300-154
Unavailable
22
FELT, OIL (TOYO) This part replaces 30205-003-005.
30205-300-154
Unavailable
22
FELT, OIL (TOYO)
30205-300-154
Unavailable
23
PLATE, POINTS SHIFT (TOYO) (NOT AVAILABLE) This part replaces 30215-300-005.
30215-300-154
Unavailable
23
PLATE, POINTS SHIFT (TOYO) (NOT AVAILABLE)
30215-300-154
Unavailable
24
ADVANCER ASSY., SPARK (TOYO) (NOT AVAILABLE) This part replaces 30220-323-005.
30220-323-154
Unavailable
24
ADVANCER ASSY., SPARK (TOYO) (NOT AVAILABLE)
30220-323-154
Unavailable
25
WASHER, SPECIAL (NOT AVAILABLE)
30233-300-000
Unavailable
27
COVER, POINTS
30370-323-000
Unavailable
28
GASKET, POINT COVER
30372-300-300
Unavailable
29
WASHER, THRUST (25MM) (NOT AVAILABLE)
90455-374-000
Unavailable
30
SPACER (0.1MM) (NOT AVAILABLE)
90458-323-010
Unavailable
30
SPACER (0.3MM) (NOT AVAILABLE)
90459-323-010
Unavailable
30
SPACER (0.5MM) (NOT AVAILABLE)
90460-323-010
Unavailable
31
WASHER (10MM) (NOT AVAILABLE)
90471-333-000
Unavailable
47
CIRCLIP (OUTER) (25MM) (SOURCE: VINTAGE PARTS INC.)
94510-25150
Unavailable
