- Partiron
- OEM Parts
- Honda
- MOTORCYCLE
- 2015
- CB500XAC (15) MOTORCYCLE, THA, VIN# MLHPC461-F5200001
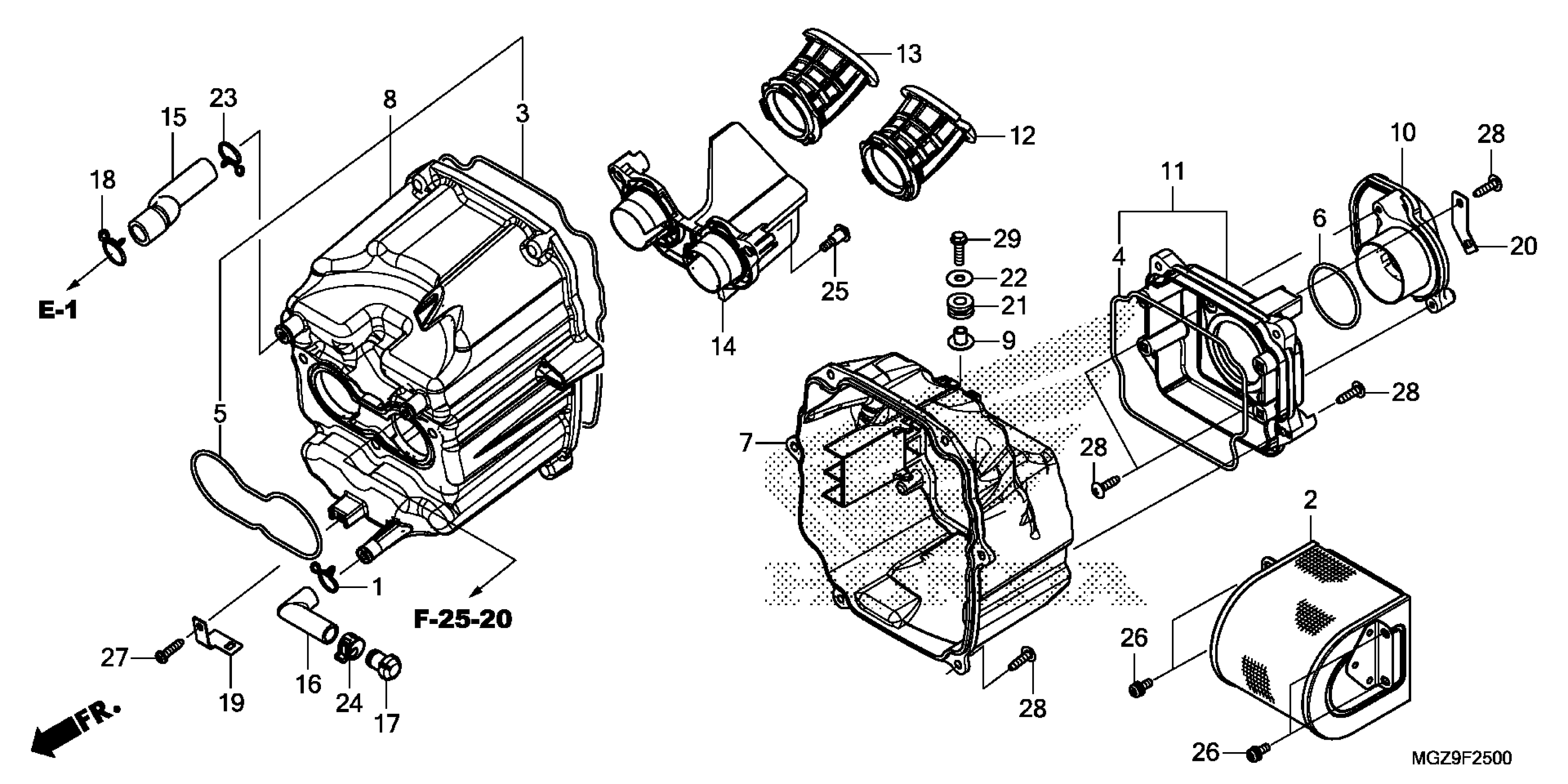
AIR CLEANER
Honda CB500XAC (15) MOTORCYCLE, THA, VIN# MLHPC461-F5200001 AIR CLEANER Diagram
#
Description
Price
AIR CLEANER
#
Edit ride
