- Partiron
- OEM Parts
- Honda
- MOTORCYCLE
- Models With No Year
- CB500TA MOTORCYCLE, JPN, VIN# CB500T-1000001
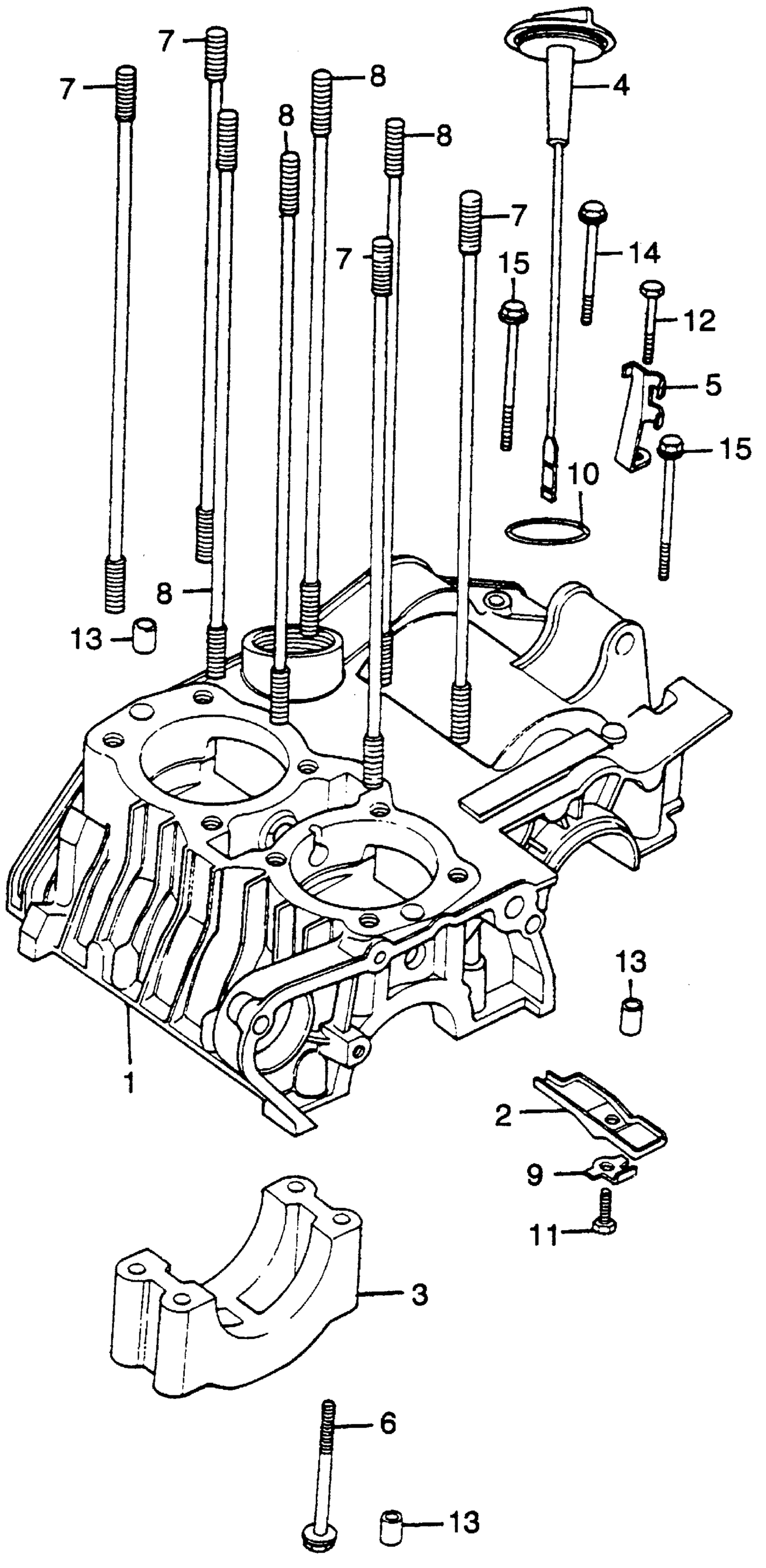
UPPER CRANKCASE
Honda CB500TA MOTORCYCLE, JPN, VIN# CB500T-1000001 UPPER CRANKCASE Diagram
#
Description
Price
1
CRANKCASE (UPPER)
11100-375-010
Unavailable
2
PLATE, COUNTERSHAFT OIL GUIDE (NOT AVAILABLE)
11110-375-000
Unavailable
3
CAP, CENTER BEARING
13401-375-000
Unavailable
4
DIPSTICK, OIL (NOT AVAILABLE)
15650-292-010
Unavailable
5
CLAMP, ALTERNATOR CABLE (NOT AVAILABLE)
32921-283-010
Unavailable
6
BOLT, FLANGE (8X70) (NOT AVAILABLE)
90007-634-000
Unavailable
7
BOLT A, CYLINDER STUD (NOT AVAILABLE)
90031-292-000
Unavailable
8
BOLT B, CYLINDER STUD (NOT AVAILABLE)
90032-292-000
Unavailable
9
WASHER, SPRING (6MM) (NOT AVAILABLE)
90433-283-000
Unavailable
12
BOLT, HEX. (6X40) This part replaces 92000-06040.
92101-06040-0A
Unavailable
12
BOLT, HEX. (6X40) This part replaces 92000-06040-0A.
92101-06040-0A
Unavailable
12
BOLT, HEX. (6X40)
92101-06040-0A
Unavailable
