- Partiron
- OEM Parts
- Honda
- MOTORCYCLE
- Models With No Year
- CB500TA MOTORCYCLE, JPN, VIN# CB500T-1000001
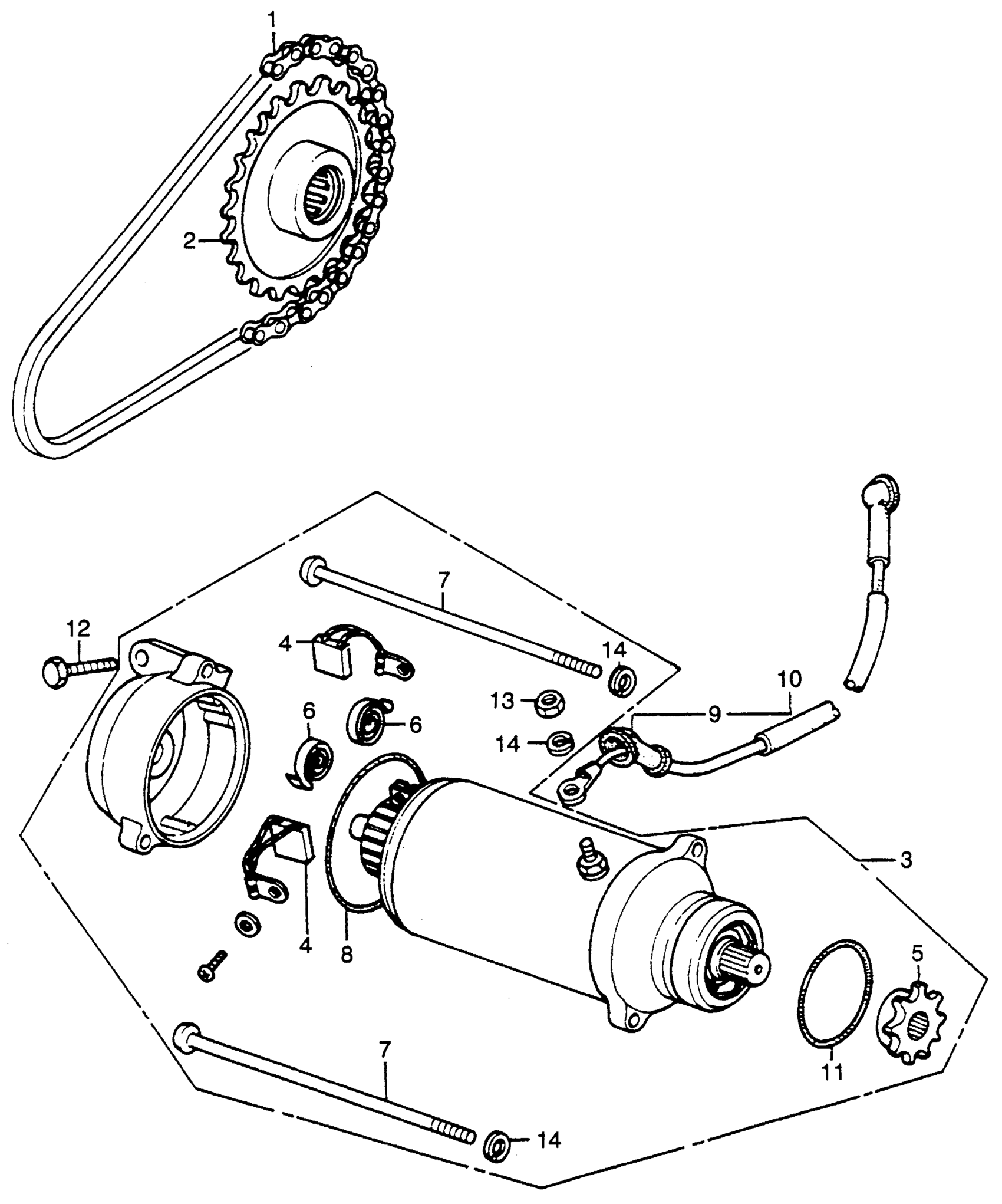
STARTER MOTOR
Honda CB500TA MOTORCYCLE, JPN, VIN# CB500T-1000001 STARTER MOTOR Diagram
#
Description
Price
1
CHAIN, STARTER (56LE) (DAIDO)
28101-283-003
Unavailable
2
SPROCKET, STARTING
28110-375-000
Unavailable
3
MOTOR ASSY., STARTER (MITSUBA) (NOT AVAILABLE)
31200-292-158
Unavailable
5
SPROCKET, STARTER MOTOR (MITSUBA)
31202-500-154
Unavailable
7
BOLT, SETTING (NOT AVAILABLE)
31205-286-158
Unavailable
8
O-RING (60X1.4) This part replaces 31206-292-158.
31206-402-008
Unavailable
8
O-RING (60X1.4)
31206-402-008
Unavailable
10
CABLE, STARTER MOTOR (NOT AVAILABLE)
32411-319-000
Unavailable
