- Partiron
- OEM Parts
- Honda
- MOTORCYCLE
- Models With No Year
- CB500TA MOTORCYCLE, JPN, VIN# CB500T-1000001
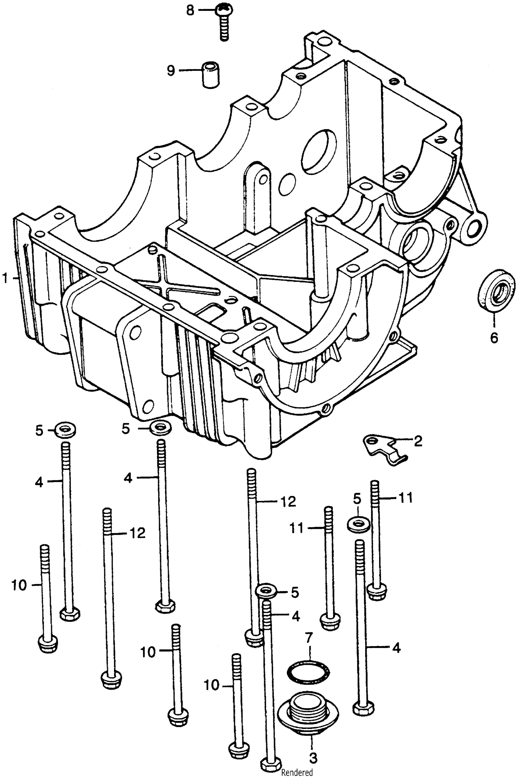
LOWER CRANKCASE
Honda CB500TA MOTORCYCLE, JPN, VIN# CB500T-1000001 LOWER CRANKCASE Diagram
#
Description
Price
1
CRANKCASE (LOWER)
11200-375-010
Unavailable
2
CLAMP, MOTOR CABLE (NOT AVAILABLE)
32911-283-000
Unavailable
3
BOLT, DRAIN VALVE (NOT AVAILABLE)
90013-312-000
Unavailable
12
BOLT, FLANGE (6X125) This part replaces 95700-06125.
95701-06125-00
Unavailable
12
BOLT, FLANGE (6X125) This part replaces 95700-06125-00.
95701-06125-00
Unavailable
12
BOLT, FLANGE (6X125)
95701-06125-00
Unavailable
