- Partiron
- OEM Parts
- Honda
- MOTORCYCLE
- Models With No Year
- CB450K5A MOTORCYCLE, JPN, VIN# CB450-5000001 TO CB450-5040742
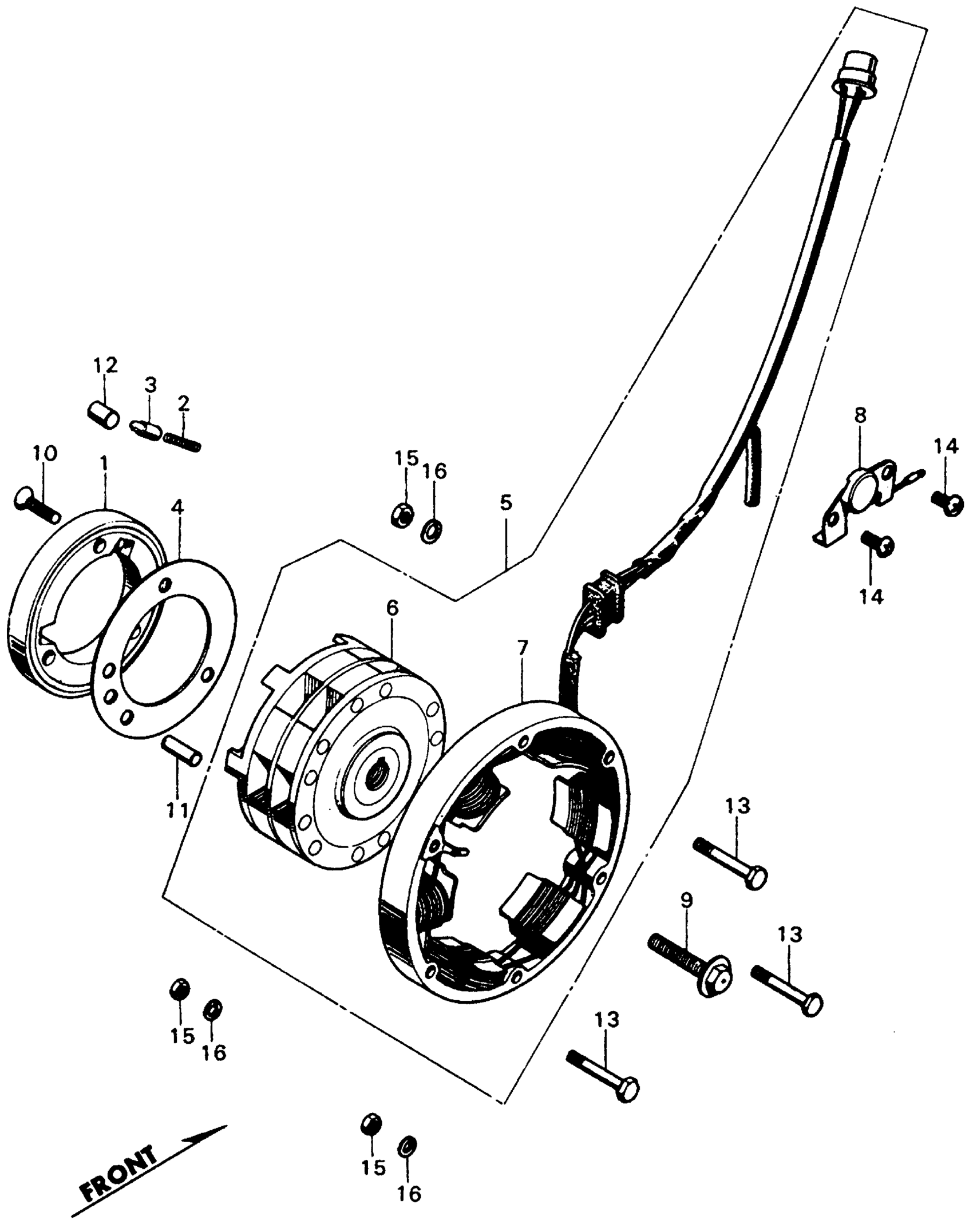
ALTERNATOR
Honda CB450K5A MOTORCYCLE, JPN, VIN# CB450-5000001 TO CB450-5040742 ALTERNATOR Diagram
#
Description
Price
1
CLUTCH, STARTER (OUTER) (NOT AVAILABLE)
28120-292-000
Unavailable
4
PLATE, STARTER CLUTCH SIDE (NOT AVAILABLE)
28128-283-010
Unavailable
5
ALTERNATOR ASSY. (NOT AVAILABLE)
31100-292-023
Unavailable
6
ROTOR
31101-346-670
Unavailable
7
STATOR (NOT AVAILABLE)
31102-346-670
Unavailable
8
SWITCH ASSY., NEUTRAL (NOT AVAILABLE)
35750-283-000
Unavailable
9
BOLT, ROTOR SETTING (NOT AVAILABLE)
90014-286-000
Unavailable
10
SCREW, FLAT (6X25)
90091-286-000
Unavailable
11
PIN, KNOCK (8X18) (NOT AVAILABLE)
90712-500-010
Unavailable
