- Partiron
- OEM Parts
- Honda
- MOTORCYCLE
- Models With No Year
- CB450K4A MOTORCYCLE, JPN, VIN# CB450-4100001
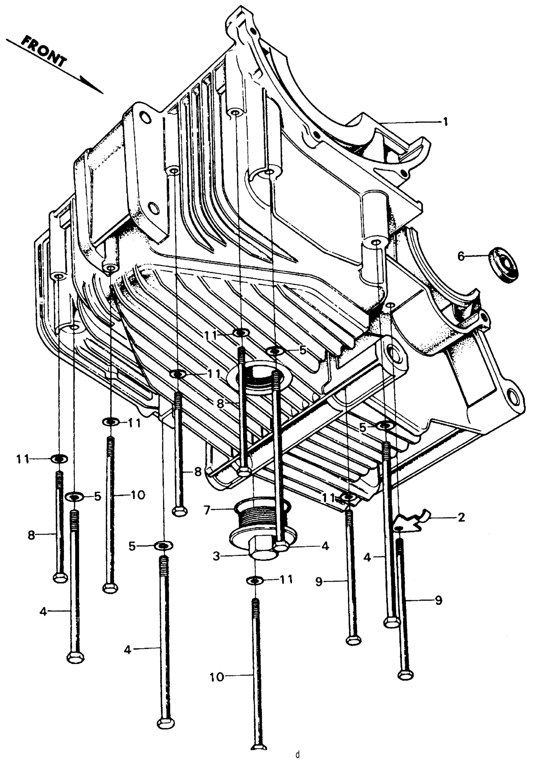
LOWER CRANKCASE
Honda CB450K4A MOTORCYCLE, JPN, VIN# CB450-4100001 LOWER CRANKCASE Diagram
#
Description
Price
1
CRANKCASE (LOWER) (NOT AVAILABLE)
11200-292-080
Unavailable
2
CLAMP, MOTOR CABLE (NOT AVAILABLE)
32911-283-000
Unavailable
3
BOLT, DRAIN VALVE (NOT AVAILABLE)
90013-312-000
Unavailable
8
BOLT, HEX. (6X80) (SOURCE: VINTAGE PARTS INC.) This part replaces 92000-06080.
92101-06080-0A
Unavailable
8
BOLT, HEX. (6X80) (SOURCE: VINTAGE PARTS INC.)
92101-06080-0A
Unavailable
9
BOLT, HEX. (6X90) This part replaces 92000-06090.
92101-06090-0A
Unavailable
9
BOLT, HEX. (6X90) This part replaces 92000-06090-0A.
92101-06090-0A
Unavailable
9
BOLT, HEX. (6X90)
92101-06090-0A
Unavailable
10
BOLT, HEX. (6X125) This part replaces 92000-06125.
92000-06125-0A
Unavailable
