- Partiron
- OEM Parts
- Honda
- MOTORCYCLE
- Models With No Year
- CB450K3A MOTORCYCLE, JPN, VIN# CB450-4000001
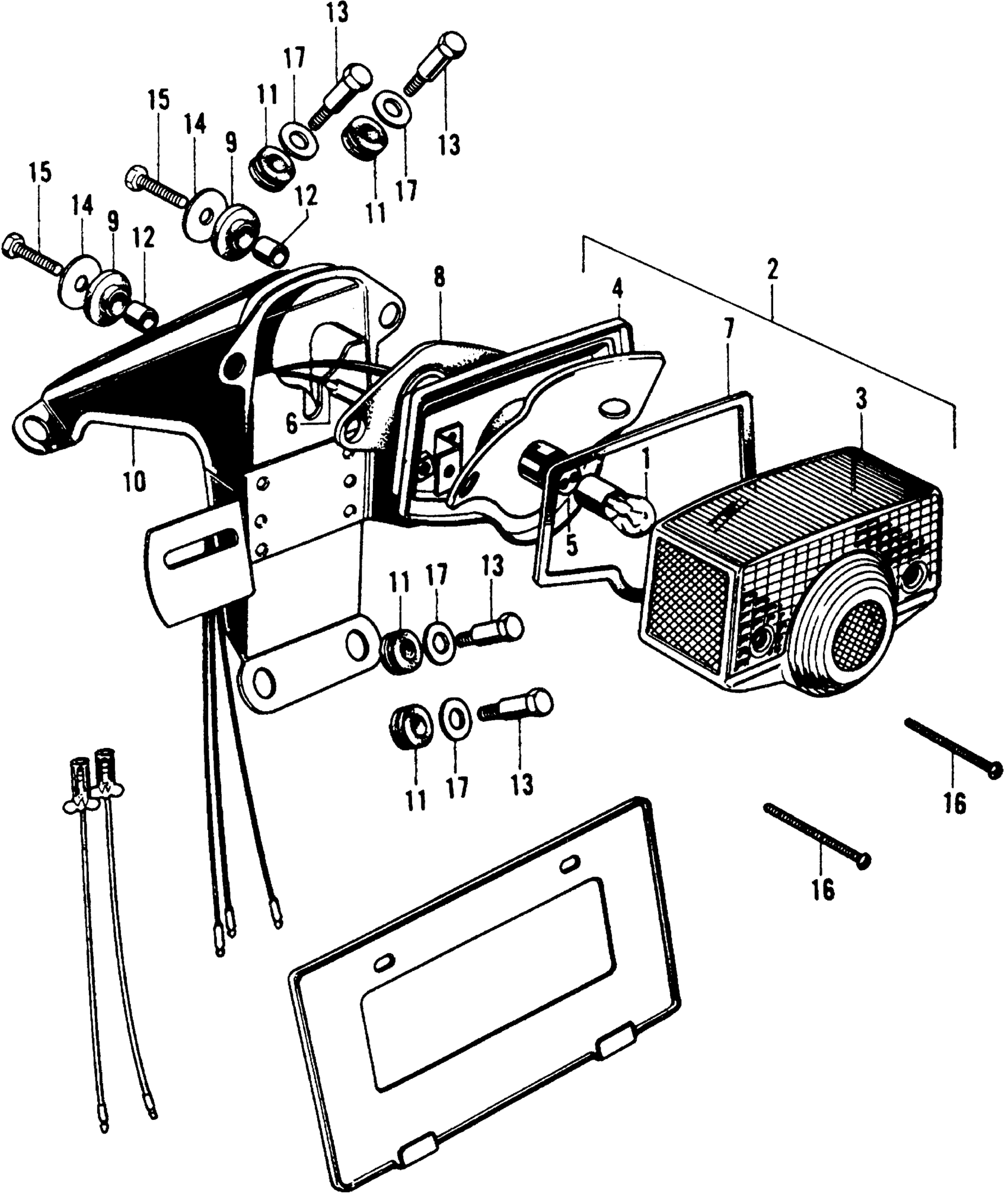
TAILLIGHT K3-K4
Honda CB450K3A MOTORCYCLE, JPN, VIN# CB450-4000001 TAILLIGHT K3-K4 Diagram
#
Description
Price
2
TAILLIGHT ASSY. (NOT AVAILABLE)
33700-235-673
Unavailable
4
BASE, TAILLIGHT
33703-077-671
Unavailable
5
WIRE, TAILLIGHT This part replaces 33707-243-670.
33708-077-671
Unavailable
5
WIRE, TAILLIGHT
33708-077-671
Unavailable
6
CABLE, TAILLIGHT GROUND (NOT AVAILABLE) This part replaces 33708-243-670.
33708-292-670
Unavailable
6
CABLE, TAILLIGHT GROUND (NOT AVAILABLE)
33708-292-670
Unavailable
8
GASKET, TAILLIGHT BASE (NOT AVAILABLE)
33718-077-671
Unavailable
10
BRACKET *NH1* This part replaces 84701-292-671B.
84701-292-305B
Unavailable
16
SCREW, PAN (4X50) (NOT AVAILABLE)
93500-04050-4J
Unavailable
