- Partiron
- OEM Parts
- Honda
- MOTORCYCLE
- Models With No Year
- CB450A MOTORCYCLE, JPN, VIN# CB450-1000001
WIRE HARNESS + BATTERY
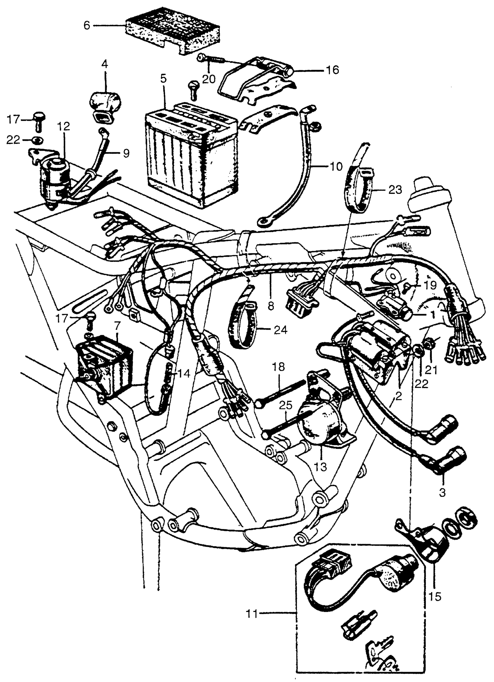
Honda CB450A MOTORCYCLE, JPN, VIN# CB450-1000001 WIRE HARNESS + BATTERY Diagram
#
Description
Price
1
CONDENSER (TOYO)
30280-292-672
Unavailable
2
COIL ASSY., IGNITION (NOT AVAILABLE)
30500-283-000
Unavailable
3
CAP ASSY., NOISE SUPPRESSOR This part replaces 30700-292-000.
30700-890-013
Unavailable
3
CAP ASSY., NOISE SUPPRESSOR This part replaces 30700-890-000.
30700-890-013
Unavailable
3
CAP ASSY., NOISE SUPPRESSOR This part replaces 30700-890-003.
30700-890-013
Unavailable
3
CAP ASSY., NOISE SUPPRESSOR
30700-890-013
Unavailable
4
COVER, BATTERY TERMINAL (NOT AVAILABLE)
31468-253-000
Unavailable
5
BATTERY (12V12) This part replaces 31500-283-000.
31500-460-672AH
Unavailable
5
BATTERY (12V12) This part replaces 31500-310-671.
31500-460-672AH
Unavailable
5
BATTERY (12V12) This part replaces 31500-460-672.
31500-460-672AH
Unavailable
5
BATTERY (12V12) This part replaces 98203-22250.
31500-460-672AH
Unavailable
6
COVER, BATTERY (NOT AVAILABLE)
31532-283-000
Unavailable
7
RECTIFIER ASSY., SELENIUM (NOT AVAILABLE)
31700-283-000
Unavailable
8
WIRE HARNESS
32100-283-010
Unavailable
9
CABLE, STARTER BATTERY (NOT AVAILABLE)
32401-283-000
Unavailable
10
CABLE, BATTERY GROUND (NOT AVAILABLE)
32601-283-000
Unavailable
11
SWITCH ASSY., COMBINATION
35010-283-000
Unavailable
12
SWITCH ASSY., STARTER MAGNETIC (NOT AVAILABLE)
35850-283-000
Unavailable
13
HORN ASSY. (NOT AVAILABLE)
38100-286-014
Unavailable
15
BRACKET, MAIN SWITCH (NOT AVAILABLE)
50375-283-010Z
Unavailable
18
BOLT, HEX. (6X92) (SOURCE: VINTAGE PARTS INC.)
92200-06092
Unavailable
25
BOLT, HEX. (6X95) (NOT AVAILABLE)
92200-06095
Unavailable
