- Partiron
- OEM Parts
- Honda
- MOTORCYCLE
- Models With No Year
- CB450A MOTORCYCLE, JPN, VIN# CB450-1000001
SHIFT DRUM
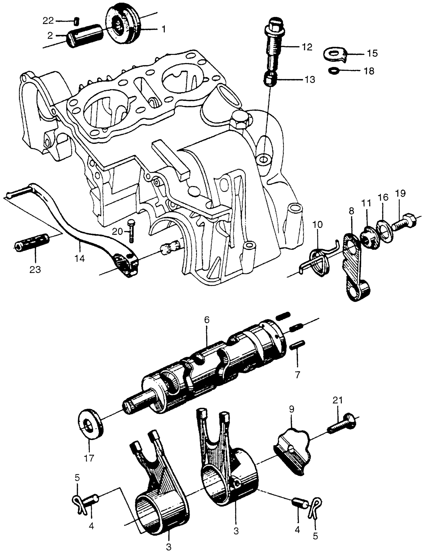
Honda CB450A MOTORCYCLE, JPN, VIN# CB450-1000001 SHIFT DRUM Diagram
#
Description
Price
1
ROLLER B, CAM CHAIN GUIDE (NOT AVAILABLE)
14630-292-000
Unavailable
2
PIN B, CAM CHAIN GUIDE ROLLER (NOT AVAILABLE) | Use from Engine SN 1001063
14635-283-000
Unavailable
2
PIN B, CAM CHAIN GUIDE ROLLER | Use up to Engine SN 1001062
14635-283-305
Unavailable
3
PIN, GEARSHIFT FORK GUIDE (NOT AVAILABLE)
24211-283-000
Unavailable
5
CLIP, GEARSHIFT FORK GUIDE (NOT AVAILABLE)
24263-283-000
Unavailable
6
DRUM, GEARSHIFT (NOT AVAILABLE)
24301-283-010
Unavailable
8
STOPPER, SHIFT DRUM (NOT AVAILABLE)
24430-283-000
Unavailable
9
PLATE, DRUM STOPPER CAM
24434-283-000
Unavailable
10
SPRING, SHIFT DRUM STOPPER (NOT AVAILABLE)
24435-283-010
Unavailable
11
COLLAR, GEARSHIFT DRUM STOPPER (NOT AVAILABLE)
24438-283-000
Unavailable
12
SCREW, SHIFT DRUM GUIDE (NOT AVAILABLE) | Use up to Engine SN 1014710
24445-200-000
Unavailable
12
SCREW, SHIFT DRUM GUIDE | Use from Engine SN 1014711
24445-283-000
Unavailable
13
COLLAR, SHIFT DRUM GUIDE (NOT AVAILABLE)
24446-200-000
Unavailable
14
PEDAL, GEARSHIFT (NOT AVAILABLE) This part replaces 24701-292-000.
24701-346-010
Unavailable
15
WASHER, LOCK (12MM) (NOT AVAILABLE) | Use from Engine SN 1014711
90434-283-000
Unavailable
16
WASHER (6MM) (NOT AVAILABLE)
90453-216-000
Unavailable
18
O-RING (11X1.9) (NOK) | Use from Engine SN 1014711 This part replaces 91315-500-000.
91303-HA0-004
$2.13
22
PIN, DOWEL (4X8) (NOT AVAILABLE)
94302-04080
Unavailable
