- Partiron
- OEM Parts
- Honda
- MOTORCYCLE
- Models With No Year
- CB450A MOTORCYCLE, JPN, VIN# CB450-1000001
ALTERNATOR
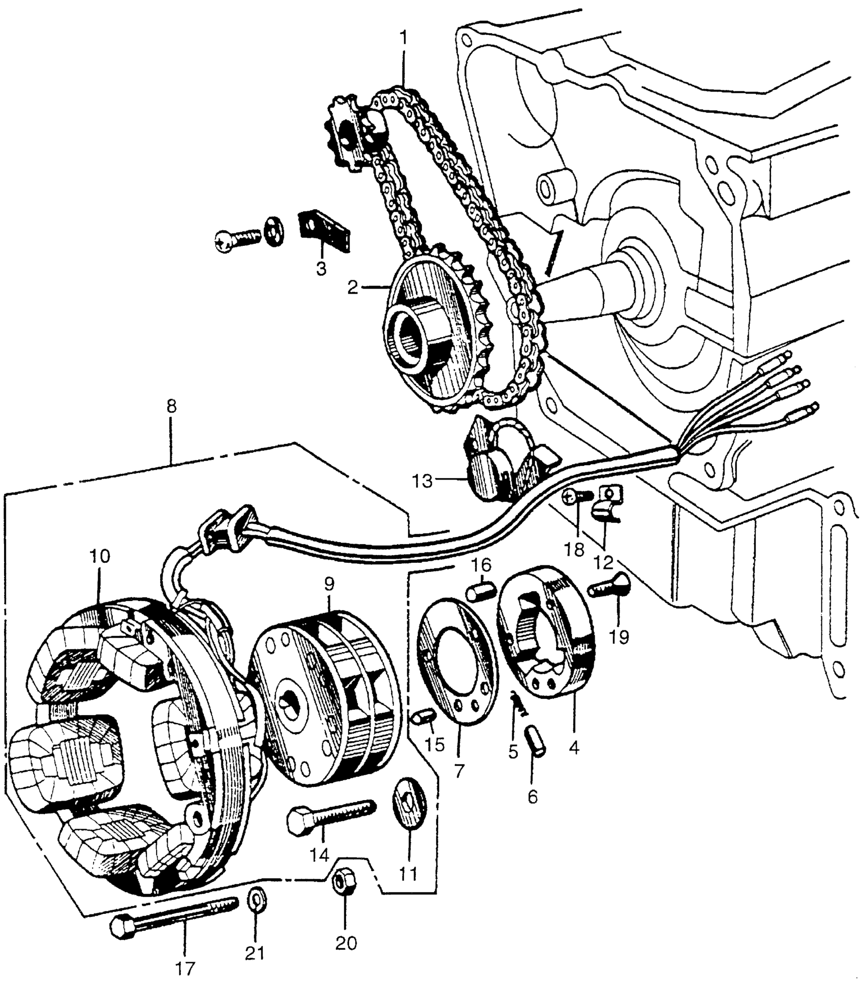
Honda CB450A MOTORCYCLE, JPN, VIN# CB450-1000001 ALTERNATOR Diagram
#
Description
Price
1
CHAIN, STARTER (56LE) (DAIDO) (NOT AVAILABLE) This part replaces 28101-283-000.
28101-283-003
Unavailable
1
CHAIN, STARTER (56LE) (DAIDO) (NOT AVAILABLE)
28101-283-003
Unavailable
2
SPROCKET, STARTER (NOT AVAILABLE) | Use up to Engine SN 1001191
28110-283-010
Unavailable
2
SPROCKET, STARTER (DK219.37T) (NOT AVAILABLE) | Use from Engine SN 1001192
28110-292-000
Unavailable
3
PLATE, STARTER SPROCKET SETTING (NOT AVAILABLE)
28117-292-000
Unavailable
4
CLUTCH, STARTER (OUTER) (NOT AVAILABLE) | Use up to Engine SN 1001191
28120-283-000
Unavailable
4
CLUTCH, STARTER (OUTER) (NOT AVAILABLE) | Use from Engine SN 1001192
28120-292-000
Unavailable
5
SPRING, STARTER CLUTCH ROLLER (NOT AVAILABLE) | Use up to Engine SN 1001191
28125-283-000
Unavailable
7
PLATE, STARTER CLUTCH SIDE (NOT AVAILABLE) | Use up to Engine SN 1001191
28128-283-000
Unavailable
7
PLATE, STARTER CLUTCH SIDE (NOT AVAILABLE) | Use from Engine SN 1001192
28128-283-010
Unavailable
8
ALTERNATOR ASSY. | Use up to Engine SN 1001191
31100-283-000
Unavailable
8
ALTERNATOR ASSY. (NOT AVAILABLE) | Use from Engine SN 1001192
31100-283-010
Unavailable
9
ROTOR, ALTERNATOR | Use up to Engine SN 1001191
31101-283-003
Unavailable
9
ROTOR, ALTERNATOR | Use from Engine SN 1001192
31101-283-013
Unavailable
10
STATOR ASSY. (NOT AVAILABLE)
31102-283-003
Unavailable
11
BOLT, ROTOR SETTING (NOT AVAILABLE) This part replaces 31105-283-000.
90014-286-000
Unavailable
12
CLAMP, ALTERNATOR CABLE (NOT AVAILABLE)
32921-283-010
Unavailable
13
SWITCH ASSY., NEUTRAL (NOT AVAILABLE)
35750-283-000
Unavailable
14
BOLT, ROTOR SETTING (NOT AVAILABLE) This part replaces 31104-283-000.
90014-286-000
Unavailable
14
BOLT, ROTOR SETTING (NOT AVAILABLE)
90014-286-000
Unavailable
15
PIN, KNOCK (8X18) (NOT AVAILABLE)
90712-500-010
Unavailable
17
BOLT, HEX. (6X38) (NOT AVAILABLE)
92000-06038
Unavailable
