- Partiron
- OEM Parts
- Honda
- MOTORCYCLE
- Models With No Year
- CB400FA MOTORCYCLE, JPN, VIN# CB400F-1000006 TO CB400F-1038492
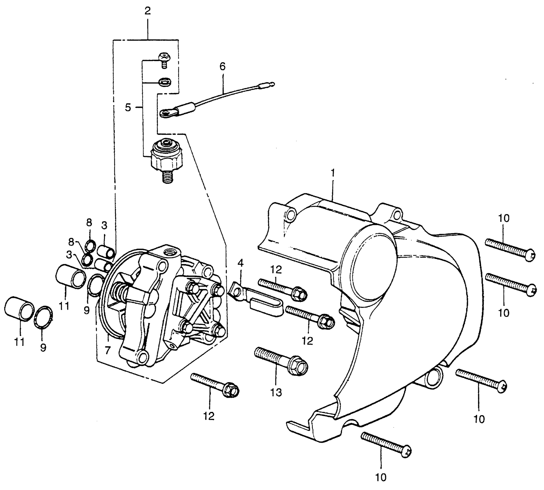
LEFT CRANKCASE COVER + OIL PUMP
Honda CB400FA MOTORCYCLE, JPN, VIN# CB400F-1000006 TO CB400F-1038492 LEFT CRANKCASE COVER + OIL PUMP Diagram
#
Description
Price
1
COVER, L. CRANKCASE (NOT AVAILABLE)
11341-377-000
Unavailable
2
PUMP ASSY., OIL (NOT AVAILABLE)
15100-333-010
Unavailable
3
COLLAR, O-RING GUIDE (NOT AVAILABLE)
15391-333-000
Unavailable
4
CLAMP C, WIRE (NOT AVAILABLE)
32113-333-000
Unavailable
6
SUB-WIRE, PRESSURE (NOT AVAILABLE)
35510-333-000
Unavailable
8
O-RING (6.9X1.5) This part replaces 91302-044-010.
91302-044-013
Unavailable
8
O-RING (6.9X1.5)
91302-044-013
Unavailable
