- Partiron
- OEM Parts
- Honda
- MOTORCYCLE
- 1977
- CB400FA (77) SUPER SPORT 400 FOUR, JPN, VIN# CB400F-2100001 TO CB400F-2104166
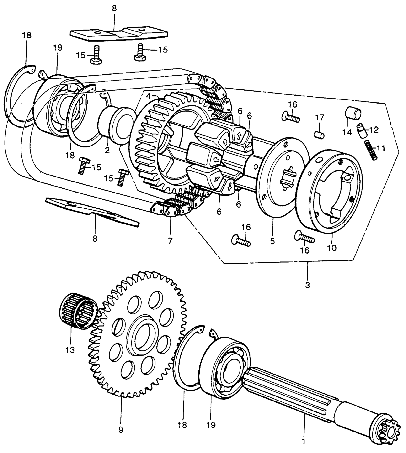
PRIMARY SHAFT + PRIMARY CHAIN
Honda CB400FA (77) SUPER SPORT 400 FOUR, JPN, VIN# CB400F-2100001 TO CB400F-2104166 PRIMARY SHAFT + PRIMARY CHAIN Diagram
#
Description
Price
1
SHAFT, PRIMARY (NOT AVAILABLE)
23101-377-000
Unavailable
2
COLLAR (25X31.8)
23102-377-000
Unavailable
3
SPROCKET, PRIMARY DRIVEN (NOT AVAILABLE)
23110-377-000
Unavailable
4
SPROCKET, PRIMARY DRIVEN (NOT AVAILABLE)
23111-333-000
Unavailable
5
HUB, DRIVEN SPROCKET (NOT AVAILABLE)
23112-377-700
Unavailable
6
RUBBER, DAMPER
23114-323-000
Unavailable
7
CHAIN, PRIMARY DRIVE (50L) (TSUBAKIMOTO) This part replaces 23131-323-003.
23131-426-003
Unavailable
7
CHAIN, PRIMARY DRIVE (50L) (TSUBAKIMOTO)
23131-426-003
Unavailable
8
GUIDE, PRIMARY CHAIN (NOT AVAILABLE)
23132-333-010
Unavailable
9
GEAR, STARTER DRIVEN (NOT AVAILABLE)
28111-333-310
Unavailable
10
CLUTCH, STARTER (OUTER) (NOT AVAILABLE)
28120-377-000
Unavailable
13
BEARING, NEEDLE (25X29X17) (KOYO) (NOT AVAILABLE) | Use from Engine SN 1010602 This part replaces 91029-357-004.
91007-426-004
Unavailable
