- Partiron
- OEM Parts
- Honda
- MOTORCYCLE
- Models With No Year
- CB360TA MOTORCYCLE, JPN, VIN# CB360-2100001 TO CB360-2123938
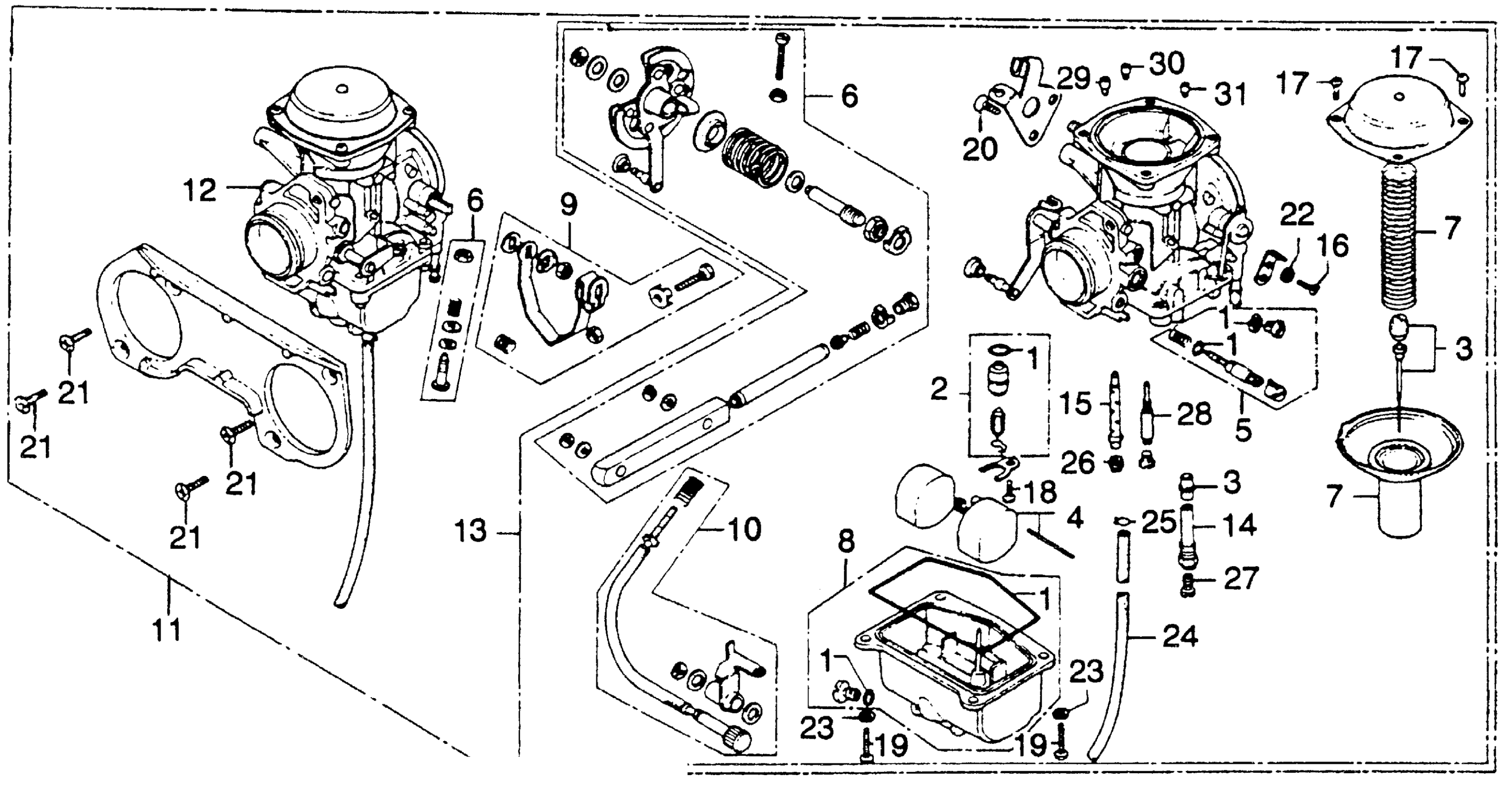
CARBURETOR
Honda CB360TA MOTORCYCLE, JPN, VIN# CB360-2100001 TO CB360-2123938 CARBURETOR Diagram
#
Description
Price
1
GASKET SET
16010-369-004
Unavailable
2
VALVE SET, FLOAT
16011-369-004
Unavailable
3
NEEDLE SET, JET (NOT AVAILABLE) | Use up to Engine SN 745 A
16012-369-004
Unavailable
3
NEEDLE SET, JET (NOT AVAILABLE) | Use from Engine SN 754 A
16012-387-670
Unavailable
4
FLOAT SET
16013-360-004
Unavailable
5
SCREW SET A This part replaces 16016-369-004.
16016-367-690
Unavailable
6
LINK SET (NOT AVAILABLE)
16017-369-004
Unavailable
7
PISTON SET, VACUUM
16022-369-004
Unavailable
8
CHAMBER SET B, FLOAT (NOT AVAILABLE)
16023-369-004
Unavailable
9
JOINT SET, CONNECTOR (NOT AVAILABLE)
16025-369-004
Unavailable
10
SCREW SET B
16028-369-004
Unavailable
11
CARBURETOR ASSY. (NOT AVAILABLE) | Use up to Engine SN 2047268
16100-369-004
Unavailable
11
CARBURETOR ASSY. (NOT AVAILABLE) | Use from Engine SN 2100001
16100-387-675
Unavailable
12
CARBURETOR ASSY., R. (NOT AVAILABLE) | Use up to Engine SN 2047268
16101-369-004
Unavailable
12
CARBURETOR ASSY., R. (NOT AVAILABLE) | Use from Engine SN 2100001
16101-387-670
Unavailable
13
CARBURETOR ASSY., L. (NOT AVAILABLE) | Use up to Engine SN 2047268
16102-369-004
Unavailable
13
CARBURETOR ASSY., L. (NOT AVAILABLE) | Use from Engine SN 2100001
16102-387-670
Unavailable
14
HOLDER, NEEDLE JET (NOT AVAILABLE)
16165-369-004
Unavailable
15
NOZZLE, MAIN (NOT AVAILABLE)
16166-369-004
Unavailable
16
SCREW, PAN (3X7) (NOT AVAILABLE)
93500-03007-0A
Unavailable
26
JET, PRIMARY MAIN (#68) (NOT AVAILABLE)
99101-369-0680
Unavailable
27
JET, MAIN (#100) | Use up to Engine SN 745 A
99114-246-1000
Unavailable
27
JET, MAIN (#110) | Use from Engine SN 754 A
99114-246-1100
Unavailable
28
JET, SLOW (#35)
99124-286-0351
Unavailable
29
JET, AIR (#150) (NOT AVAILABLE)
99134-548-1500
Unavailable
30
JET, AIR (#50) (NOT AVAILABLE)
99164-601-0500
Unavailable
31
JET, AIR (#85) (NOT AVAILABLE)
99164-601-0850
Unavailable
