- Partiron
- OEM Parts
- Honda
- MOTORCYCLE
- Models With No Year
- CB360A MOTORCYCLE, JPN, VIN# CB360-1000001
ALTERNATOR
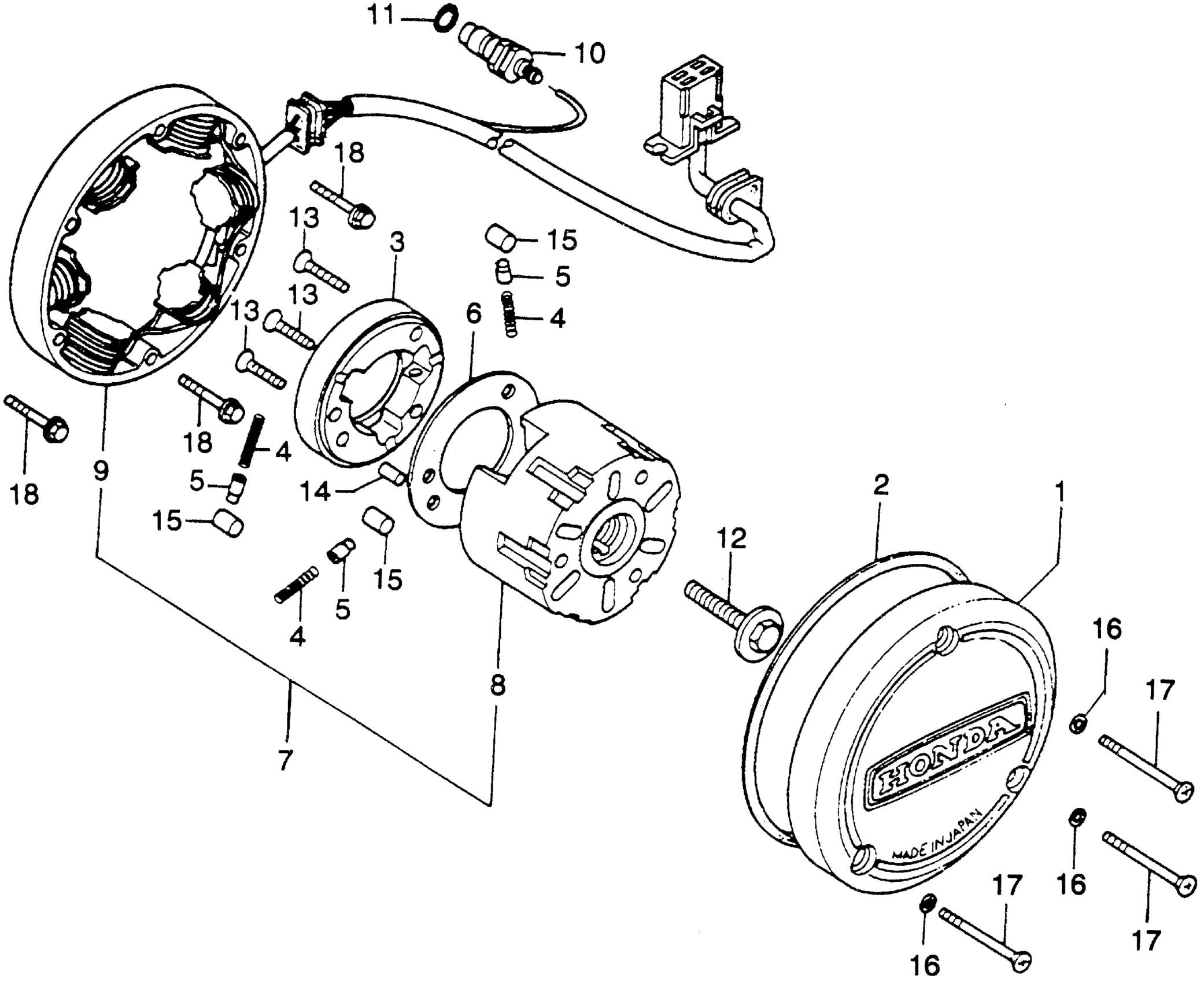
Honda CB360A MOTORCYCLE, JPN, VIN# CB360-1000001 ALTERNATOR Diagram
#
Description
Price
1
COVER, ALTERNATOR (NOT AVAILABLE)
11431-369-000
Unavailable
2
GASKET, ALTERNATOR COVER This part replaces 11691-286-000.
11691-286-306
Unavailable
2
GASKET, ALTERNATOR COVER
11691-286-306
Unavailable
3
CLUTCH, STARTER (OUTER) (NOT AVAILABLE)
28120-286-000
Unavailable
7
ALTERNATOR ASSY. (DENSO) (NOT AVAILABLE)
31100-369-004
Unavailable
8
ROTOR (DENSO) (NOT AVAILABLE)
31101-369-004
Unavailable
9
ALTERNATOR ASSY. (DENSO) (NOT AVAILABLE)
31100-369-004
Unavailable
9
ALTERNATOR ASSY. (DENSO) (NOT AVAILABLE) This part replaces 31102-369-004.
31100-369-004
Unavailable
10
SWITCH, NEUTRAL (NOT AVAILABLE)
35750-333-023
Unavailable
11
O-RING (NOT AVAILABLE)
35751-333-003
Unavailable
12
BOLT, ROTOR SETTING (NOT AVAILABLE)
90014-286-000
Unavailable
13
SCREW, FLAT (6X25)
90091-286-000
Unavailable
14
PIN, KNOCK (6X17.5) (NOT AVAILABLE)
90704-259-000
Unavailable
