- Partiron
- OEM Parts
- Honda
- MOTORCYCLE
- Models With No Year
- CB350GA MOTORCYCLE, JPN, VIN# CB350-5000001
KICK ARM + CHANGE PEDAL
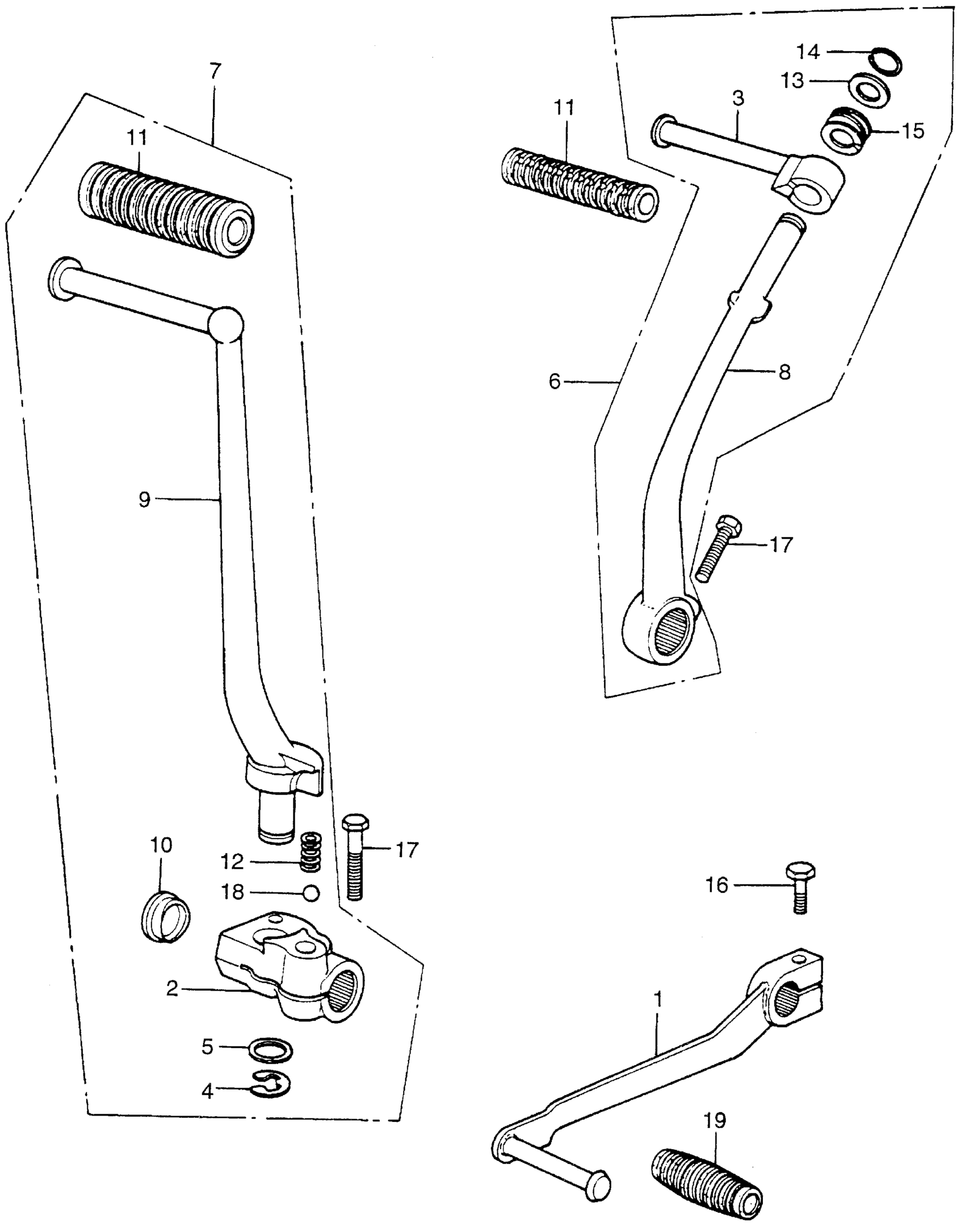
Honda CB350GA MOTORCYCLE, JPN, VIN# CB350-5000001 KICK ARM + CHANGE PEDAL Diagram
#
Description
Price
1
PEDAL, GEARSHIFT (NOT AVAILABLE)
24701-346-010
Unavailable
2
JOINT, KICK STARTER ARM
28241-344-000
Unavailable
5
WASHER, KICK STARTER ARM (NOT AVAILABLE)
28294-333-000
Unavailable
7
ARM ASSY., KICK STARTER (NOT AVAILABLE)
28300-344-010
Unavailable
9
ARM, KICK STARTER (NOT AVAILABLE)
28301-344-010
Unavailable
10
CAP, KICK ARM (NOT AVAILABLE)
28305-310-000
Unavailable
12
SPRING, KICK STARTER STOPPER (NOT AVAILABLE)
28333-310-000
Unavailable
