- Partiron
- OEM Parts
- Honda
- MOTORCYCLE
- Models With No Year
- CB350GA MOTORCYCLE, JPN, VIN# CB350-5000001
CARBURETOR
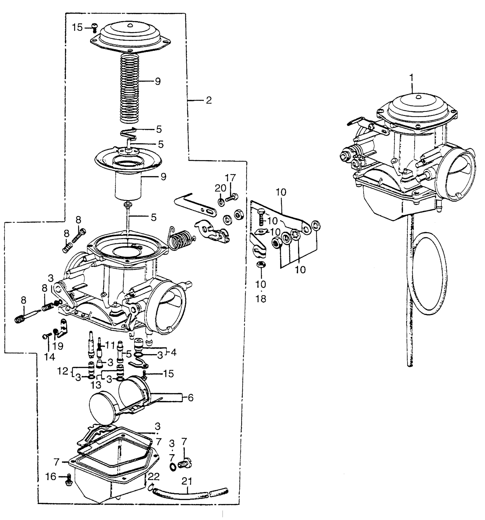
Honda CB350GA MOTORCYCLE, JPN, VIN# CB350-5000001 CARBURETOR Diagram
#
Description
Price
1
CARBURETOR ASSY., R. (NOT AVAILABLE)
16101-344-690
Unavailable
2
CARBURETOR ASSY., L. (NOT AVAILABLE)
16102-344-690
Unavailable
4
VALVE SET, FLOAT
16011-287-004
Unavailable
5
NEEDLE SET, JET (NOT AVAILABLE)
16012-344-004
Unavailable
7
CHAMBER SET, FLOAT (NOT AVAILABLE)
16015-286-004
Unavailable
8
SCREW SET A (NOT AVAILABLE)
16016-344-690
Unavailable
9
PISTON SET, VACUUM (NOT AVAILABLE)
16022-287-024
Unavailable
10
JOINT SET, CONNECTOR (NOT AVAILABLE)
16025-286-004
Unavailable
11
JET, SLOW (#35)
99124-286-0351
Unavailable
11
JET, SLOW (#38) (NOT AVAILABLE) | (Optional).
99124-286-0381
Unavailable
12
JET SET, MAIN (#60) | (Optional).
99201-601-0600
Unavailable
12
JET SET, MAIN (#65) | (Optional).
99201-601-0650
Unavailable
12
JET SET, MAIN (#68)
99201-601-0680
Unavailable
12
JET SET, MAIN (#70) | (Optional).
99201-601-0700
Unavailable
12
JET SET, MAIN (#72) (NOT AVAILABLE) | (Optional).
99201-601-0720
Unavailable
13
JET SET, SECONDARY MAIN (#98) (NOT AVAILABLE) | (Optional).
99202-601-0980
Unavailable
13
JET SET, SECONDARY MAIN (#100) | (Optional).
99202-601-1000
Unavailable
13
JET SET, SECONDARY MAIN (#110) (NOT AVAILABLE) | (Optional).
99202-601-1100
Unavailable
14
SCREW, PAN (3X7) (NOT AVAILABLE)
93500-03007-0A
Unavailable
