- Partiron
- OEM Parts
- Honda
- MOTORCYCLE
- Models With No Year
- CB350F1A MOTORCYCLE, JPN, VIN# CB350F-2000001
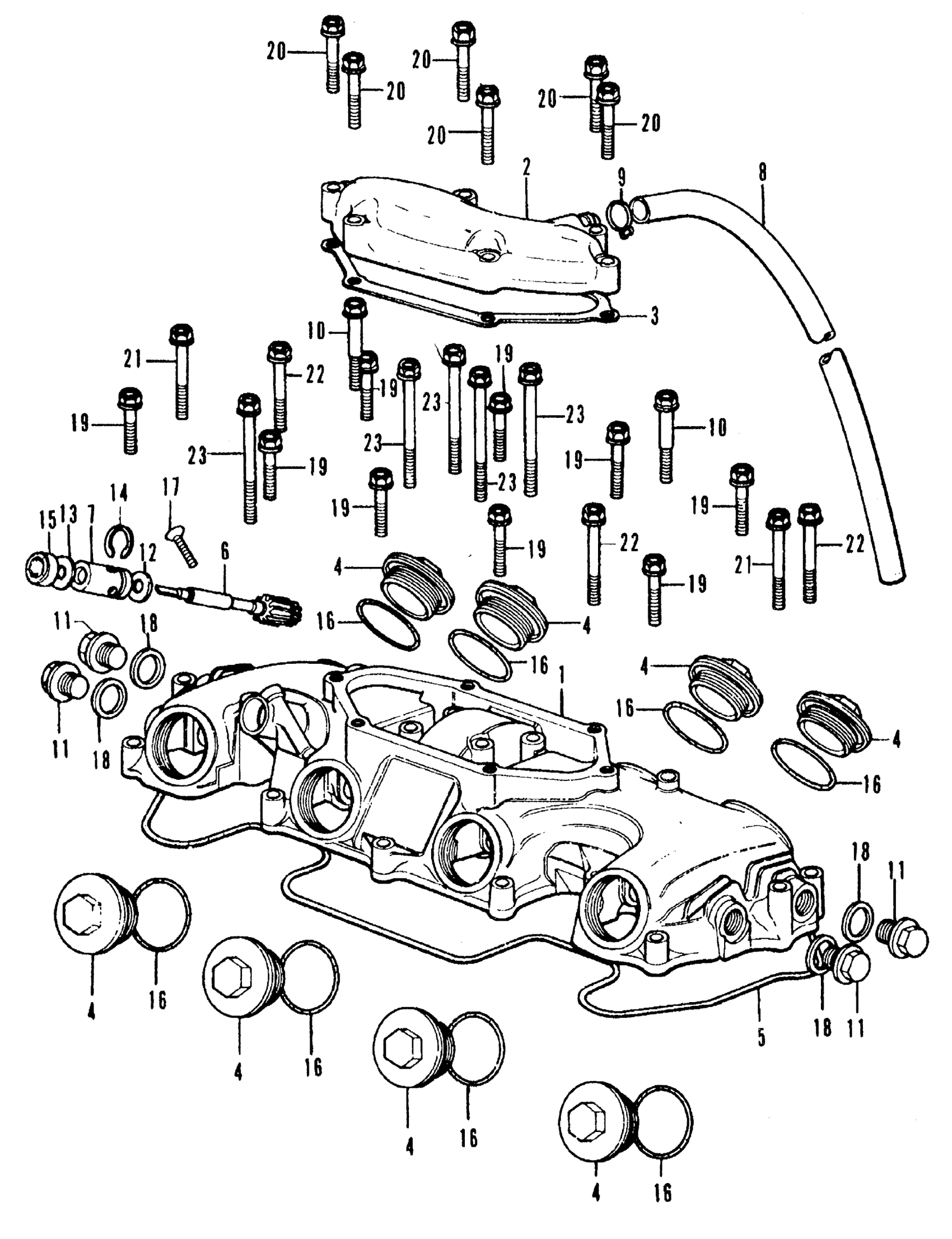
CYLINDER HEAD COVER
Honda CB350F1A MOTORCYCLE, JPN, VIN# CB350F-2000001 CYLINDER HEAD COVER Diagram
#
Description
Price
1
COVER, CYLINDER HEAD (NOT AVAILABLE)
12310-333-020
Unavailable
2
COVER, BREATHER
12320-333-020
Unavailable
3
GASKET, BREATHER COVER This part replaces 12329-333-010.
12329-333-306
Unavailable
3
GASKET, BREATHER COVER
12329-333-306
Unavailable
4
CAP, VALVE ADJ.
12361-300-000
Unavailable
5
GASKET, CYLINDER HEAD COVER
12391-333-000
Unavailable
6
GEAR, TACHOMETER
12431-333-010
Unavailable
7
COLLAR, TACHOMETER GEAR (NOT AVAILABLE)
12435-333-000
Unavailable
8
TUBE, BREATHER (NOT AVAILABLE)
15761-303-000
Unavailable
10
BOLT, UBS (6X38) (NOT AVAILABLE)
90018-333-000
Unavailable
11
BOLT, SEALING (NOT AVAILABLE)
90084-333-000
Unavailable
12
WASHER, THRUST (12MM) (NOT AVAILABLE)
90457-333-000
Unavailable
14
SET-RING (12.7MM) (NOT AVAILABLE)
90601-333-000
Unavailable
