- Partiron
- OEM Parts
- Honda
- MOTORCYCLE
- Models With No Year
- CB350F1A MOTORCYCLE, JPN, VIN# CB350F-2000001
BATTERY
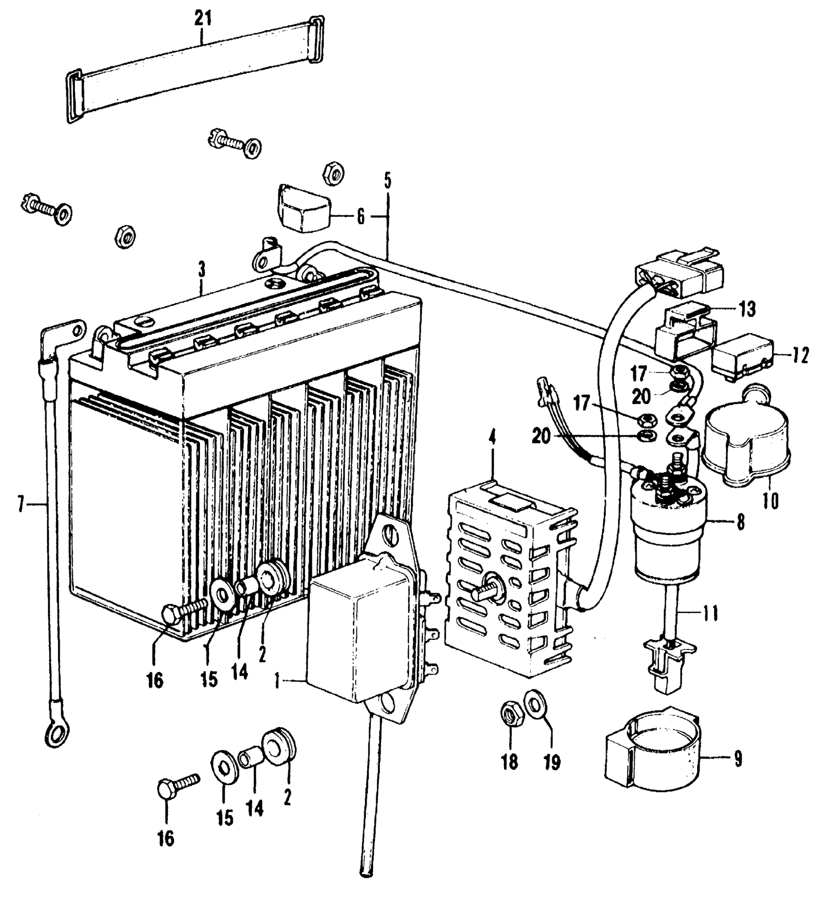
Honda CB350F1A MOTORCYCLE, JPN, VIN# CB350F-2000001 BATTERY Diagram
#
Description
Price
1
REGULATOR ASSY. (DENSO) (NOT AVAILABLE)
31400-333-004
Unavailable
3
BATTERY (12V12) This part replaces 31500-310-671.
31500-460-672AH
Unavailable
3
BATTERY (12V12) This part replaces 31500-460-672.
31500-460-672AH
Unavailable
3
BATTERY (12V12) This part replaces 98203-22250.
31500-460-672AH
Unavailable
4
RECTIFIER ASSY.
31700-333-008
Unavailable
5
CABLE, STARTER BATTERY (NOT AVAILABLE)
32401-333-000
Unavailable
6
COVER, BATTERY TERMINAL (NOT AVAILABLE)
32412-333-000
Unavailable
7
CABLE, BATTERY GROUND (NOT AVAILABLE)
32601-286-000
Unavailable
8
SWITCH ASSY., STARTER MAGNETIC This part replaces 35850-306-670.
35850-371-670
Unavailable
8
SWITCH ASSY., STARTER MAGNETIC
35850-371-670
Unavailable
9
SUSPENSION, MAGNETIC SWITCH (NOT AVAILABLE)
35856-323-000
Unavailable
10
COVER, MAGNETIC SWITCH (NOT AVAILABLE)
35857-333-000
Unavailable
11
SUB-WIRE, MAGNETIC SWITCH (NOT AVAILABLE)
35858-333-000
Unavailable
13
SUSPENSION, TURN SIGNAL RELAY (NOT AVAILABLE)
38306-107-670
Unavailable
