- Partiron
- OEM Parts
- Honda
- MOTORCYCLE
- Models With No Year
- CB350A MOTORCYCLE, JPN, VIN# CB350-1000001
UPPER CRANKCASE
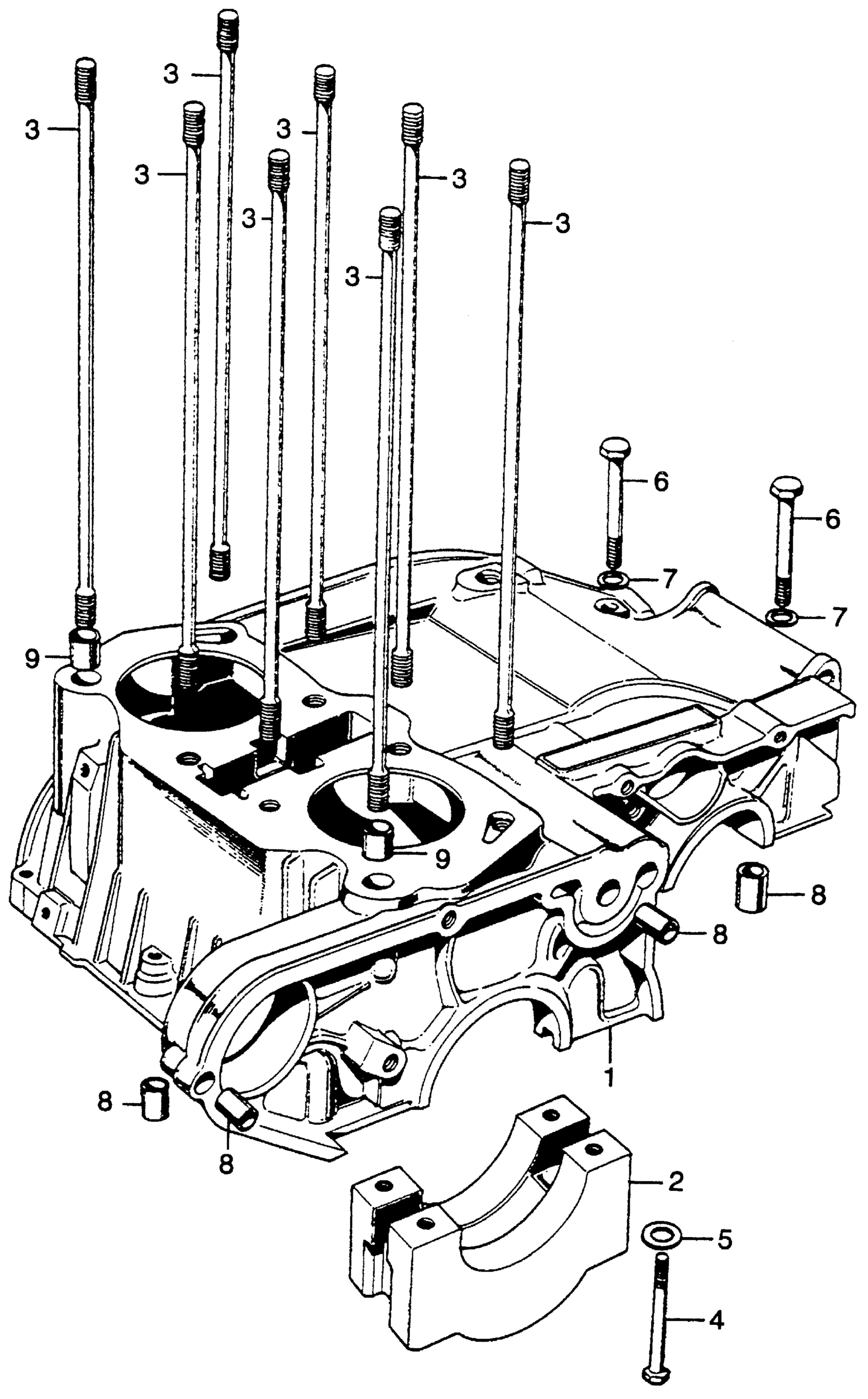
Honda CB350A MOTORCYCLE, JPN, VIN# CB350-1000001 UPPER CRANKCASE Diagram
#
Description
Price
1
CRANKCASE (UPPER) | Use up to Engine SN 1079078
11100-287-090
Unavailable
1
CRANKCASE (UPPER) (NOT AVAILABLE) | Use from Engine SN 1079079 to 1116305 This part replaces 11100-287-100.
11100-287-120
Unavailable
1
CRANKCASE (UPPER) (NOT AVAILABLE) | Use from Engine SN 1079079 This part replaces 11100-287-110.
11100-287-120
Unavailable
1
CRANKCASE (UPPER) (NOT AVAILABLE) | Use from Engine SN 1079079
11100-287-120
Unavailable
2
HOLDER, CRANK CENTER BEARING (NOT AVAILABLE)
11202-286-000
Unavailable
3
BOLT, CYLINDER STUD (NOT AVAILABLE)
90033-286-020
Unavailable
4
BOLT, HEX. (8X71) (NOT AVAILABLE)
90083-292-000
Unavailable
6
BOLT, HEX. (6X71) (NOT AVAILABLE)
92000-06071
Unavailable
9
PIN, CYLINDER KNOCK | Use from Engine SN 1108012
91356-286-000
Unavailable
9
PIN, DOWEL (10X18) (NOT AVAILABLE) | Use up to Engine SN 1108011
94301-11180
Unavailable
