- Partiron
- OEM Parts
- Honda
- MOTORCYCLE
- Models With No Year
- CB350A MOTORCYCLE, JPN, VIN# CB350-1000001
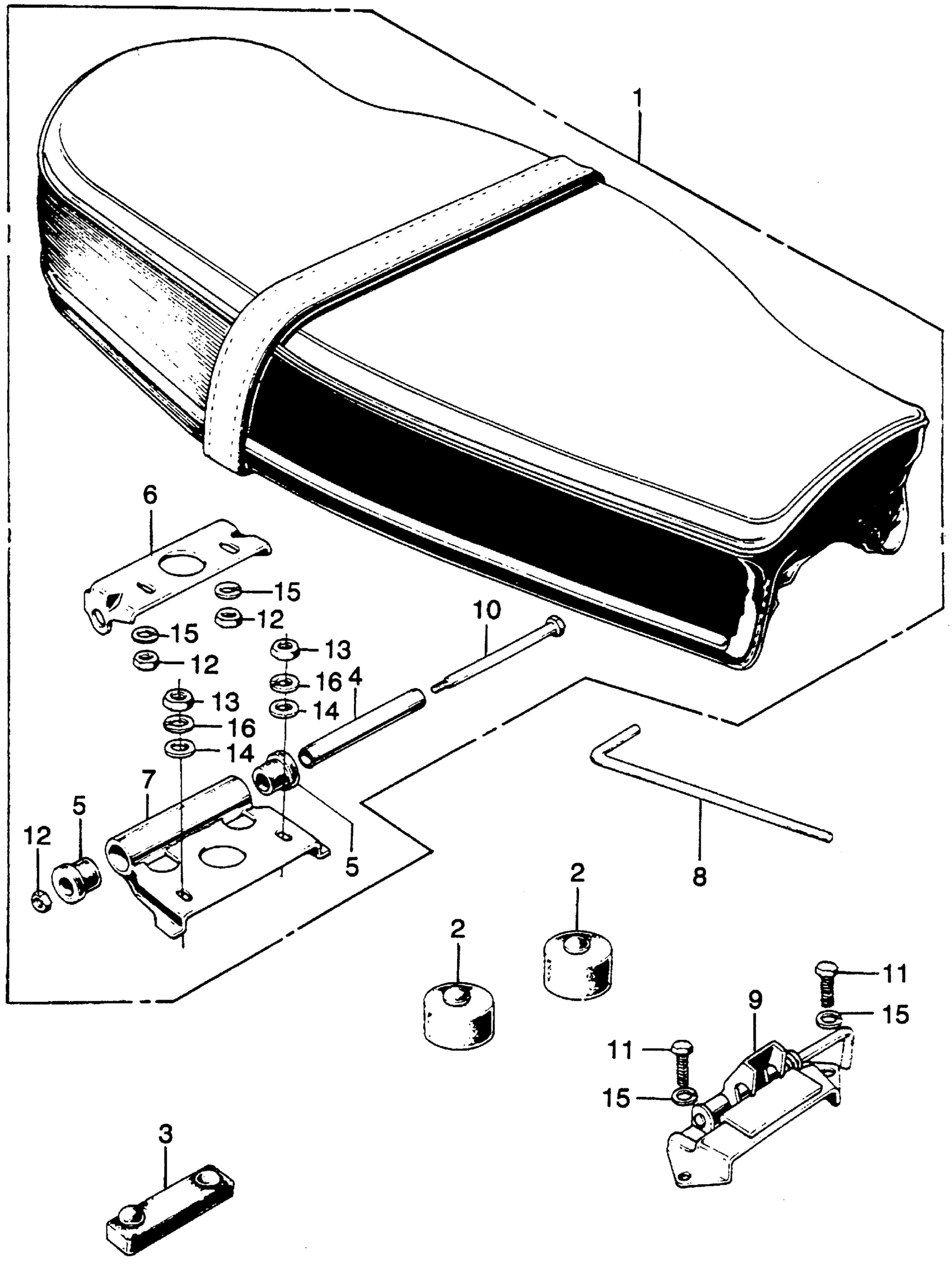
SEAT
Honda CB350A MOTORCYCLE, JPN, VIN# CB350-1000001 SEAT Diagram
#
Description
Price
1
SEAT ASSY. *NH1L* (BLACK) (NOT AVAILABLE) | Use up to Frame SN 1025975
77200-286-000A
Unavailable
1
SEAT ASSY. *NH1L* (BLACK) (NOT AVAILABLE) | Use from Frame SN 1025976
77200-286-010A
Unavailable
4
COLLAR, SEAT HINGE (NOT AVAILABLE)
77212-292-000
Unavailable
5
RUBBER, SEAT HINGE (NOT AVAILABLE)
77213-292-000
Unavailable
6
PLATE, SEAT HINGE *NH1* (BLACK) (NOT AVAILABLE)
77214-292-000B
Unavailable
7
BRACKET, SEAT HINGE *NH1* (BLACK) (NOT AVAILABLE)
77215-292-010B
Unavailable
8
BAR, SEAT STOPPER (NOT AVAILABLE)
77216-286-000
Unavailable
9
CATCH, SEAT (NOT AVAILABLE)
77230-286-000
Unavailable
10
BOLT, SEAT HINGE (NOT AVAILABLE)
90101-292-000
Unavailable
