- Partiron
- OEM Parts
- Honda
- MOTORCYCLE
- Models With No Year
- CB350A MOTORCYCLE, JPN, VIN# CB350-1000001
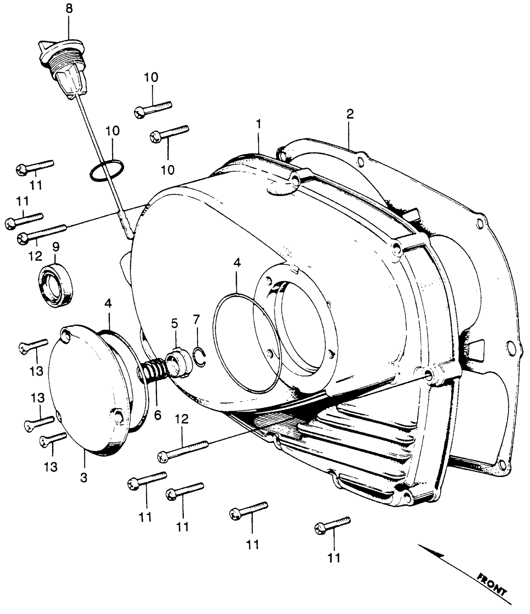
RIGHT CRANKCASE COVER
Honda CB350A MOTORCYCLE, JPN, VIN# CB350-1000001 RIGHT CRANKCASE COVER Diagram
#
Description
Price
1
COVER, R. CRANKCASE (NOT AVAILABLE)
11331-286-030
Unavailable
2
GASKET, R. CRANKCASE COVER This part replaces 11394-286-030.
11394-286-306
Unavailable
2
GASKET, R. CRANKCASE COVER This part replaces 11394-286-040.
11394-286-306
Unavailable
2
GASKET, R. CRANKCASE COVER
11394-286-306
Unavailable
3
COVER, OIL FILTER | Use up to Engine SN 1131104 This part replaces 15481-286-020.
15481-312-000
Unavailable
3
COVER, OIL FILTER | Use up to Engine SN 1131104
15481-312-000
Unavailable
4
GASKET, OIL FILTER COVER (NOT AVAILABLE) | Use up to Engine SN 1032290
15491-286-000
Unavailable
4
O-RING (63.5X2) | Use from Engine SN 1032291 This part replaces 91310-286-010.
91355-415-000
$5.59
5
METAL, OIL GUIDE (NOT AVAILABLE)
15594-286-000
Unavailable
6
SPRING, OIL GUIDE METAL (NOT AVAILABLE)
15595-286-000
Unavailable
7
RING, OIL GUIDE METAL STOPPER (NOT AVAILABLE) This part replaces 15597-216-000.
15597-286-000
Unavailable
7
RING, OIL GUIDE METAL STOPPER (NOT AVAILABLE)
15597-286-000
Unavailable
8
DIPSTICK, OIL (NOT AVAILABLE)
15650-286-010
Unavailable
