Partiron

Honda CB350A MOTORCYCLE, JPN, VIN# CB350-1000001 CRANKSHAFT Diagram

#

Description
Price

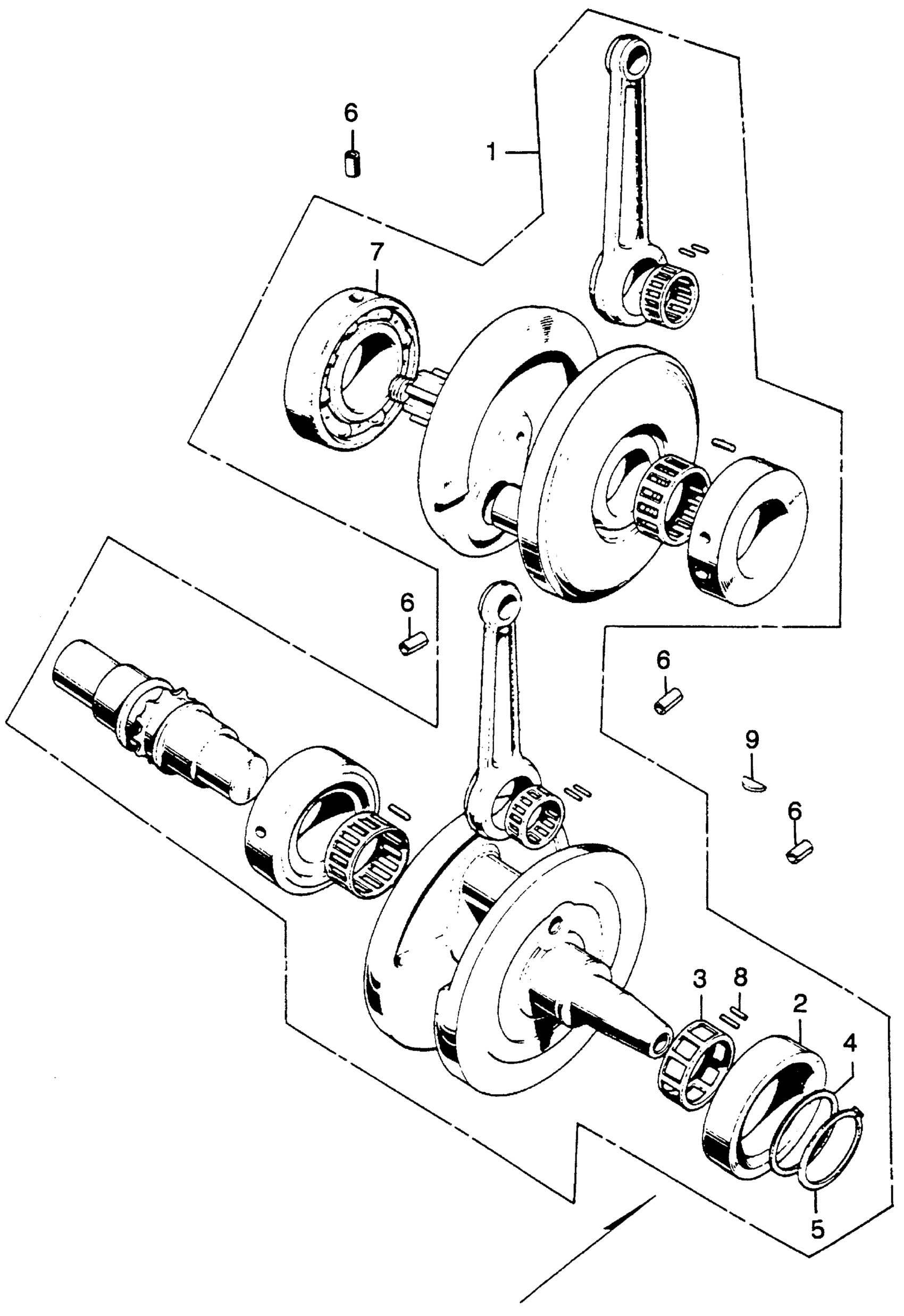
1

CRANKSHAFT ASSY. This part replaces 13000-287-050.

13000-287-060

Unavailable

1

CRANKSHAFT ASSY.

13000-287-060

Unavailable

2

RACE, L. BEARING (OUTER) (NOT AVAILABLE) | Use up to Engine SN 1131439

13431-287-300

Unavailable

3

RETAINER, L. MAIN BEARING (NOT AVAILABLE)

13501-287-300

$30.82

4

WASHER (30MM) (NOT AVAILABLE) | Use up to Engine SN 1131439

90454-287-000

Unavailable

5

CIRCLIP (OUTER) (30MM)

90601-701-000

Unavailable

6

PIN, DOWEL (7X12) (NOT AVAILABLE)

90708-286-000

Unavailable

7

BEARING, BALL (6306)

91001-286-003

Unavailable

8

ROLLER (4X10) (NOT AVAILABLE)

91004-286-000

Unavailable

9

KEY, WOODRUFF (25X14)

94401-25140

$1.75