- Partiron
- OEM Parts
- Honda
- MOTORCYCLE
- Models With No Year
- CB350A MOTORCYCLE, JPN, VIN# CB350-1000001
BATTERY
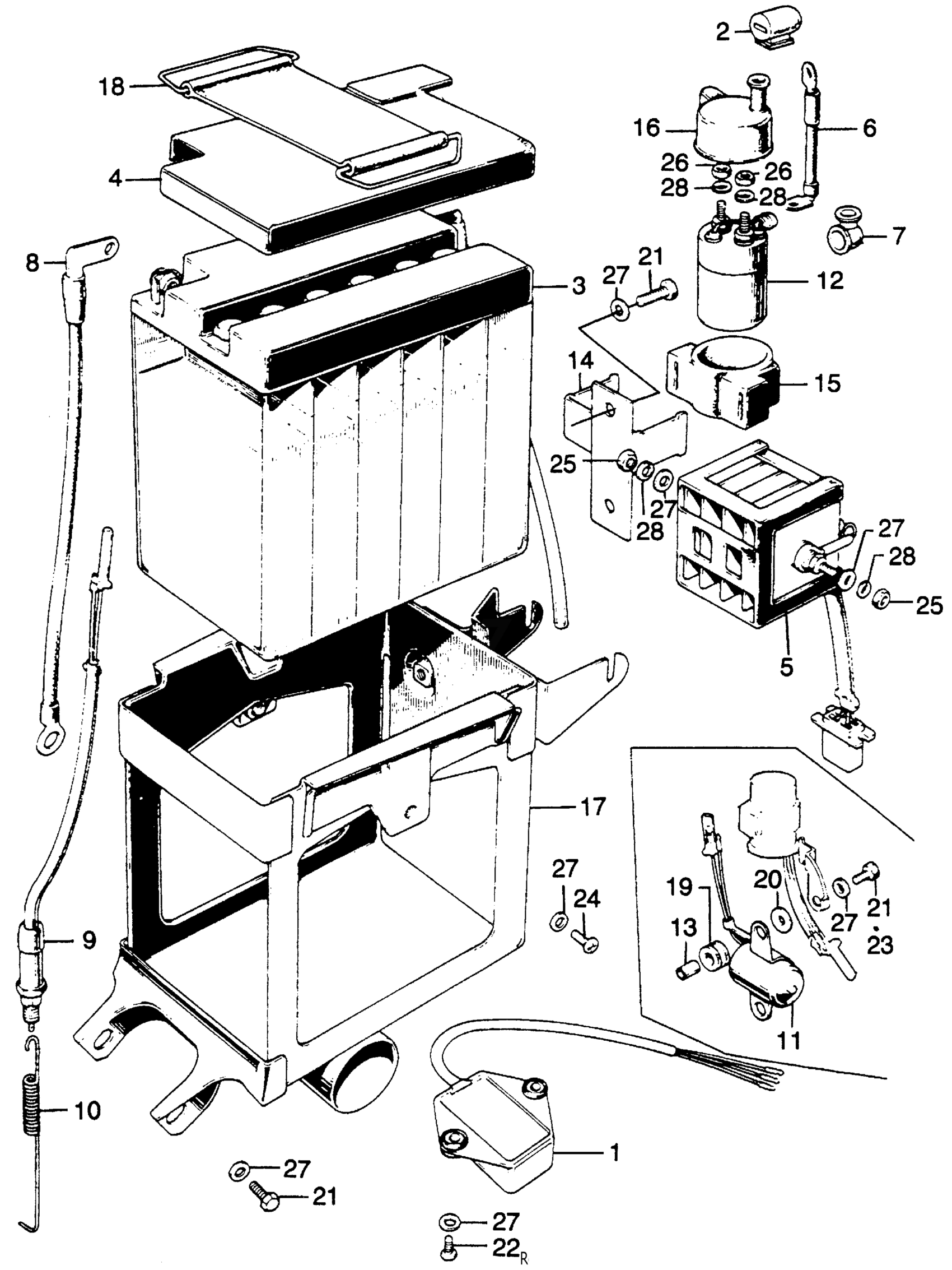
Honda CB350A MOTORCYCLE, JPN, VIN# CB350-1000001 BATTERY Diagram
#
1
REGULATOR (NOT AVAILABLE)
31400-292-670
Unavailable
2
COVER, BATTERY TERMINAL (NOT AVAILABLE)
31468-253-000
Unavailable
2
COVER, BATTERY TERMINAL (NOT AVAILABLE) This part replaces 31468-268-000.
31468-253-000
Unavailable
3
BATTERY (12V12) This part replaces 31500-283-000.
31500-460-672AH
Unavailable
3
BATTERY (12V12) This part replaces 31500-292-670.
31500-460-672AH
Unavailable
3
BATTERY (12V12) This part replaces 31500-310-671.
31500-460-672AH
Unavailable
3
BATTERY (12V12) This part replaces 31500-460-672.
31500-460-672AH
Unavailable
3
BATTERY (12V12) This part replaces 98203-22250.
31500-460-672AH
Unavailable
4
COVER, BATTERY (NOT AVAILABLE) | Use up to Frame SN 1019680 This part replaces 31532-292-000.
31532-292-010
Unavailable
4
COVER, BATTERY (NOT AVAILABLE)
31532-292-010
Unavailable
5
RECTIFIER ASSY. This part replaces 31700-292-008.
31700-455-671
Unavailable
5
RECTIFIER ASSY.
31700-455-671
Unavailable
6
CABLE, STARTER BATTERY (NOT AVAILABLE) | Use up to Frame SN 1027563
32401-286-000
Unavailable
6
CABLE, STARTER BATTERY (NOT AVAILABLE) | Use from Frame SN 1027564
32401-286-010
Unavailable
8
CABLE, BATTERY GROUND (NOT AVAILABLE)
32601-286-000
Unavailable
10
SPRING, STOP SWITCH (NOT AVAILABLE)
35357-286-010
Unavailable
11
SWITCH ASSY., STARTER MAGNETIC (HONDALOCK) (NOT AVAILABLE) This part replaces 35850-286-007.
35850-286-315
Unavailable
11
SWITCH ASSY., STARTER MAGNETIC (HONDALOCK) (NOT AVAILABLE) This part replaces 35850-286-017.
35850-286-315
Unavailable
11
SWITCH ASSY., STARTER MAGNETIC (HONDALOCK) (NOT AVAILABLE)
35850-286-315
Unavailable
12
SWITCH ASSY., STARTER MAGNETIC | Use from Frame SN 1027564 This part replaces 35850-286-027.
35850-375-000
Unavailable
12
SWITCH ASSY., STARTER MAGNETIC | Use from Frame SN 1027564
35850-375-000
Unavailable
13
COLLAR, STARTER MAGNETIC SWITCH SETTING (NOT AVAILABLE) | Use from Frame SN 1021684 to 1027563
35851-292-000
Unavailable
14
STAY, MAGNETIC RUBBER (NOT AVAILABLE) | Use from Frame SN 1027564
35855-286-000
Unavailable
16
COVER, MAGNETIC SWITCH (NOT AVAILABLE) | Use from Frame SN 1027564
35857-286-000
Unavailable
17
BOX, BATTERY *NH1* (BLACK) (NOT AVAILABLE) This part replaces 50325-286-020B.
50325-344-000B
Unavailable
17
BOX, BATTERY *NH1* (BLACK) (NOT AVAILABLE)
50325-344-000B
Unavailable
20
WASHER (18MM) | Use from Frame SN 1021683 to 1027563 This part replaces 90581-701-000.
90581-831-650
$1.87
21
BOLT, HEX. (6X10) | Use up to Frame SN 1021682 This part replaces 92000-06010.
92101-06010-0A
$1.49
21
BOLT, HEX. (6X10) | Use from Frame SN 1027564 This part replaces 92000-06010.
92101-06010-0A
$1.49
23
BOLT, HEX. (6X20) | Use from Frame SN 1021683 to 1027563 This part replaces 92000-06020.
92101-06020-0A
$1.49
