- Partiron
- OEM Parts
- Honda
- MOTORCYCLE
- Models With No Year
- CB175K3A MOTORCYCLE, JPN, VIN# CB175-4000001
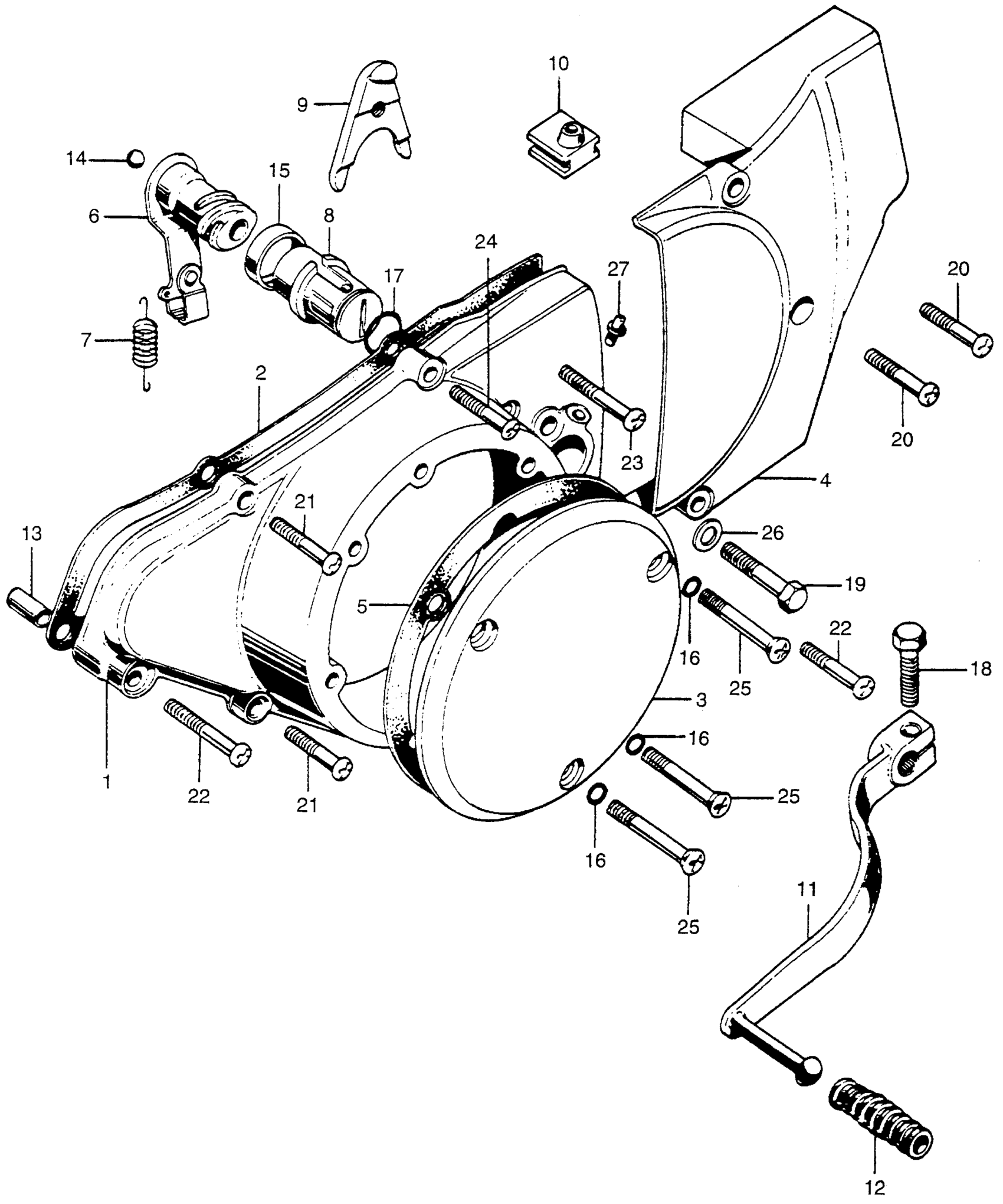
LEFT CRANKCASE COVER
Honda CB175K3A MOTORCYCLE, JPN, VIN# CB175-4000001 LEFT CRANKCASE COVER Diagram
#
Description
Price
1
COVER, L. CRANKCASE
11340-302-020
Unavailable
2
GASKET, L. This part replaces 11395-302-010.
11395-302-307
Unavailable
3
COVER, ALTERNATOR
11431-338-000
Unavailable
4
COVER A, DRIVE CHAIN
11661-306-010
Unavailable
5
GASKET, DYNAMO COVER This part replaces 11691-216-000.
11691-354-306
Unavailable
5
GASKET, DYNAMO COVER This part replaces 11691-354-000.
11691-354-306
Unavailable
6
THREAD, CLUTCH LIFTER (NOT AVAILABLE)
22810-216-030
Unavailable
7
SPRING, CLUTCH LEVER (NOT AVAILABLE)
22815-216-010
Unavailable
8
ADJUSTER, CLUTCH
22841-216-030
Unavailable
9
PIECE, ADJUSTER FIXING
22844-200-010
Unavailable
10
JOINT, CLUTCH CABLE (NOT AVAILABLE)
22875-216-000
Unavailable
11
PEDAL, GEARSHIFT This part replaces 24700-304-010.
24700-304-020
Unavailable
11
PEDAL, GEARSHIFT
24700-304-020
Unavailable
15
OIL SEAL (20X26X29X8) (NOT AVAILABLE) This part replaces 91205-222-005.
91205-222-003
Unavailable
