- Partiron
- OEM Parts
- Honda
- MOTORCYCLE
- Models With No Year
- CB175K3A MOTORCYCLE, JPN, VIN# CB175-4000001
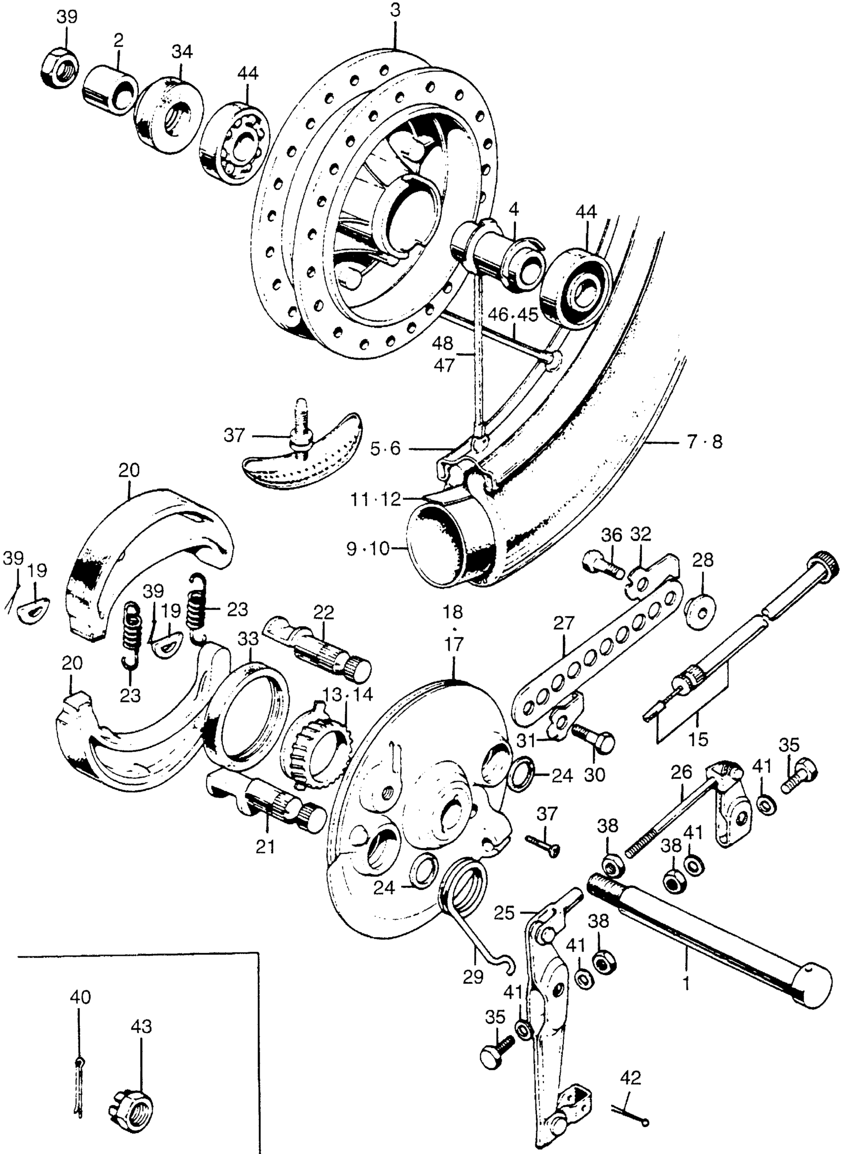
CB/CL175FRONT WHEEL
Honda CB175K3A MOTORCYCLE, JPN, VIN# CB175-4000001 CB/CL175FRONT WHEEL Diagram
#
NI
SHOE, FR. BRAKE (NOT AVAILABLE)
45120-354-670
Unavailable
1
AXLE, FR. WHEEL
44301-240-000
Unavailable
3
HUB, FR. WHEEL (NOT AVAILABLE)
44601-235-010
Unavailable
4
COLLAR, FR. AXLE DISTANCE (NOT AVAILABLE)
44620-235-000
Unavailable
5
RIM, FR. WHEEL (NOT AVAILABLE)
44701-235-003
Unavailable
7
TIRE, FR. (2.75-18) (YOKOHAMA) (NOT AVAILABLE) This part replaces 44711-268-000.
44711-315-009
Unavailable
7
TIRE, FR. (2.75-18) (YOKOHAMA) (NOT AVAILABLE)
44711-315-009
Unavailable
9
TUBE (275/300-18) (IRC) This part replaces 08400-21600.
42712-KC6-005
Unavailable
9
TUBE (275/300-18) (IRC) This part replaces 44712-150-005.
42712-KC6-005
Unavailable
9
TUBE (275/300-18) (IRC) This part replaces 44712-205-000.
42712-KC6-005
Unavailable
13
GEAR, SPEEDOMETER
44806-236-000
Unavailable
15
CABLE ASSY., SPEEDOMETER This part replaces 44830-307-000.
44830-389-770
Unavailable
15
CABLE ASSY., SPEEDOMETER
44830-389-770
Unavailable
17
PANEL, FR. BRAKE (NOT AVAILABLE)
45100-306-000
Unavailable
19
WASHER, FR. ANCHOR PIN (NOT AVAILABLE)
45106-235-000
Unavailable
20
SHOE, FR. BRAKE (NOT AVAILABLE) This part replaces 45120-235-000.
45120-354-670
Unavailable
20
SHOE, FR. BRAKE (SEE KIT P/N--END OF BLOCK) (NOT AVAILABLE)
45120-354-670
Unavailable
21
CAM A, FR. BRAKE (NOT AVAILABLE)
45131-235-010
Unavailable
22
CAM B, FR. BRAKE
45132-235-000
Unavailable
23
SPRING, BRAKE SHOE (NOT AVAILABLE)
45133-235-000
Unavailable
25
ARM, FR. BRAKE This part replaces 45410-235-010.
45410-354-670
Unavailable
26
ARM B, FR. BRAKE (NOT AVAILABLE)
45420-235-010
Unavailable
27
ARM, FR. BRAKE STOPPER This part replaces 45431-235-000.
45431-336-000
Unavailable
27
ARM, FR. BRAKE STOPPER
45431-336-000
Unavailable
28
COLLAR, FR. BRAKE STOPPER ARM (NOT AVAILABLE)
45432-283-000
Unavailable
29
SPRING, FR. BRAKE ARM RETURN (NOT AVAILABLE)
45461-222-000
Unavailable
31
WASHER B, TONGUED (8.2MM) (NOT AVAILABLE) This part replaces 90532-292-000.
90533-286-000
Unavailable
31
WASHER B, TONGUED (8.2MM) (NOT AVAILABLE)
90533-286-000
Unavailable
32
WASHER B, TONGUED (8.2MM) (NOT AVAILABLE)
90533-286-000
Unavailable
45
SPOKE B (9X169.5) (NOT AVAILABLE)
97365-52181-1
Unavailable
46
SPOKE B (9X150) (NOT AVAILABLE)
97394-52156-1
Unavailable
48
SPOKE B (9X157.5) (NOT AVAILABLE)
97688-52155-1
Unavailable
