- Partiron
- OEM Parts
- Honda
- MOTORCYCLE
- 2015
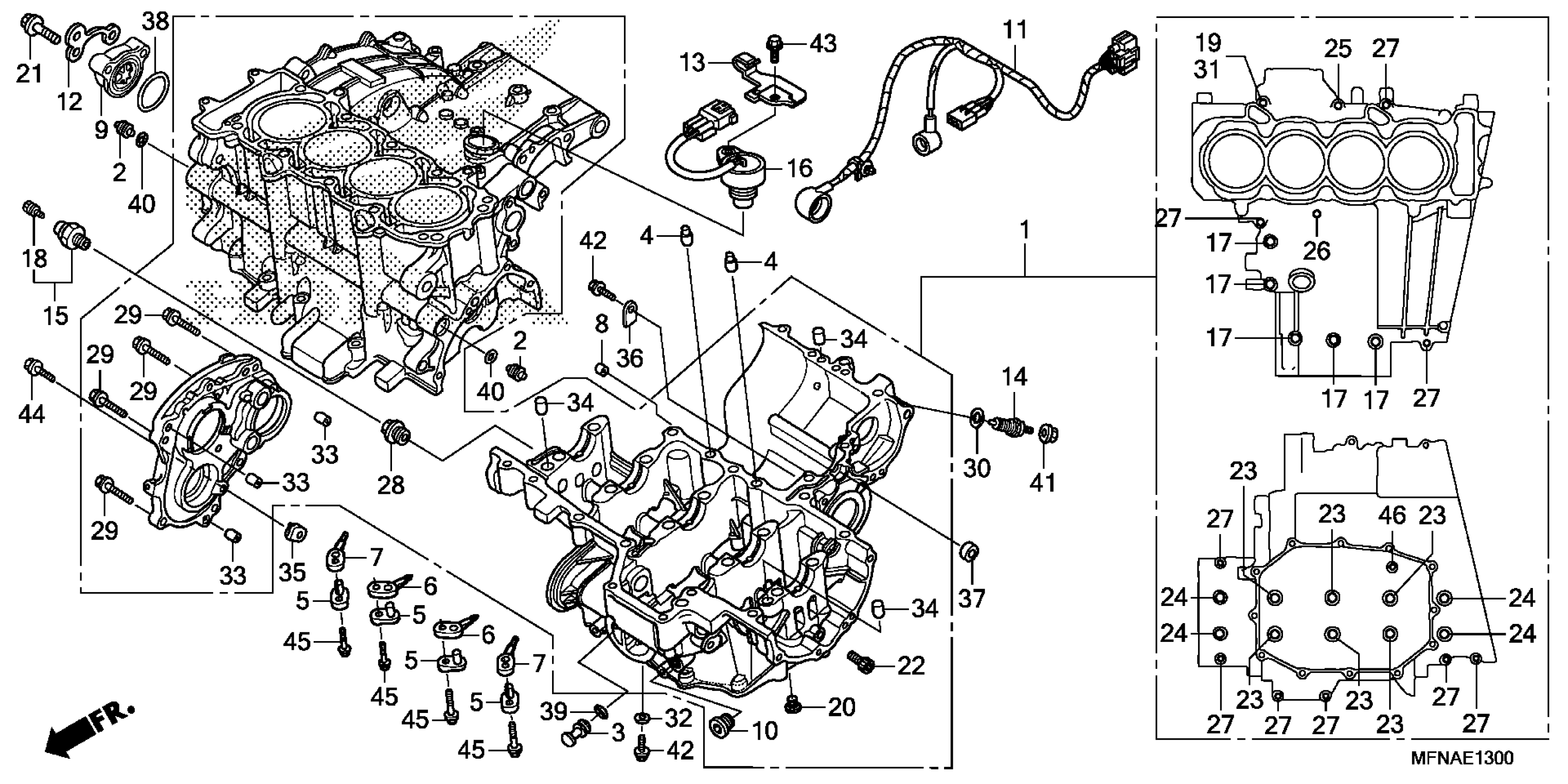
- CB1000R4AC (15) MOTORCYCLE, ITA, VIN# ZDCSC601-FF220001 TO ZDCSC601-FF224999
CRANKCASE
Honda CB1000R4AC (15) MOTORCYCLE, ITA, VIN# ZDCSC601-FF220001 TO ZDCSC601-FF224999 CRANKCASE Diagram
#
Description
Price
