- Partiron
- OEM Parts
- Honda
- MOTORCYCLE
- Models With No Year
- CA95A MOTORCYCLE, JPN, VIN# C95-100001
FRONT WHEEL
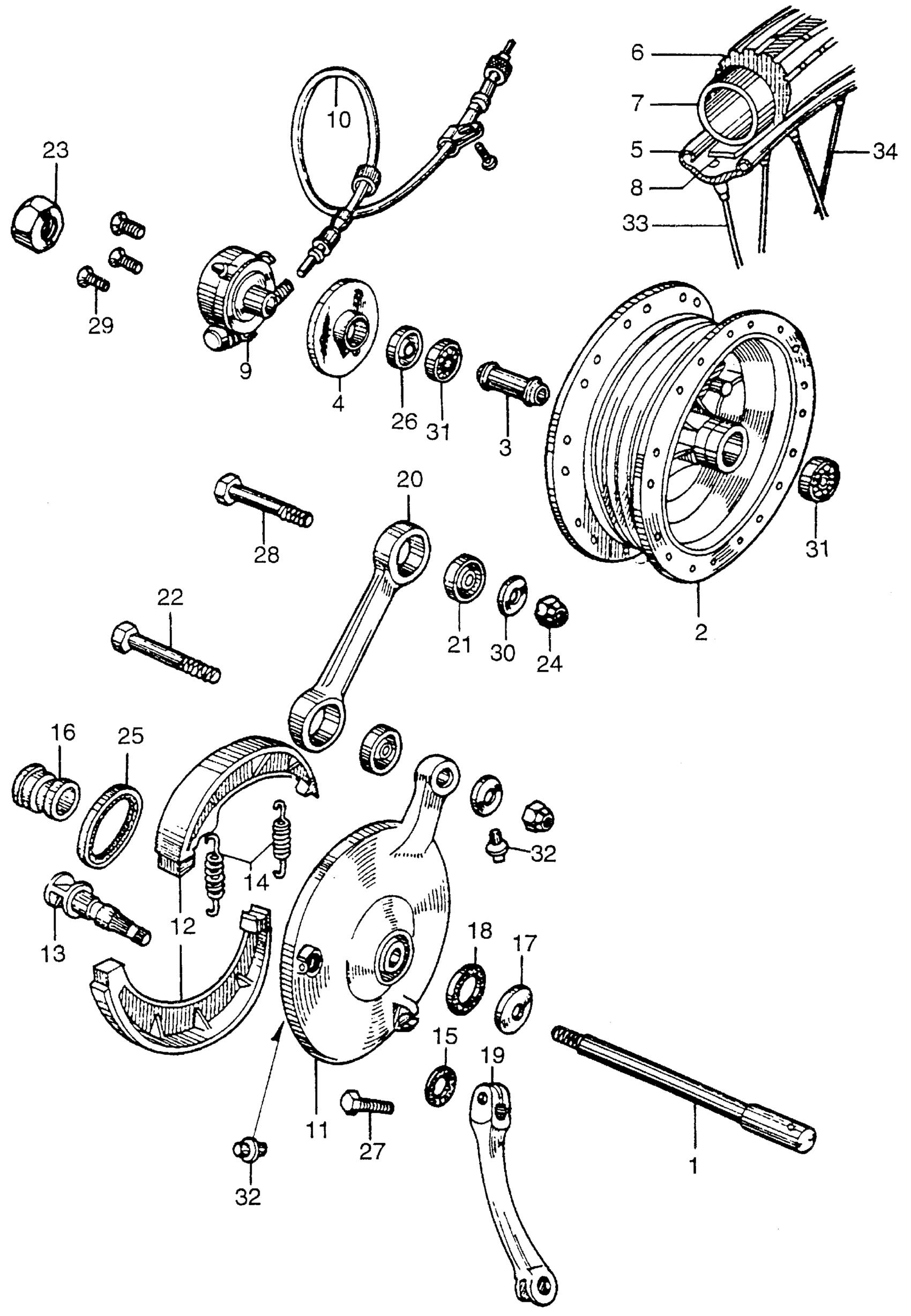
Honda CA95A MOTORCYCLE, JPN, VIN# C95-100001 FRONT WHEEL Diagram
#
1
AXLE, FR. WHEEL (NOT AVAILABLE)
44301-202-000
Unavailable
2
HUB, FR. WHEEL | Use up to Frame SN 1100500
44601-202-000
Unavailable
2
HUB, FR. WHEEL (NOT AVAILABLE) | Use from Frame SN 1100501 to 2100600
44601-202-010
Unavailable
2
HUB, FR. WHEEL (NOT AVAILABLE) | Use from Frame SN 2100601
44601-202-020
Unavailable
3
COLLAR, FR. AXLE DISTANCE | Use from Frame SN 1100501 to 2100600
44620-202-000
Unavailable
3
COLLAR, FR. AXLE DISTANCE (NOT AVAILABLE) | Use from Frame SN 2100601
44620-202-010
Unavailable
4
RETAINER, FR. WHEEL BEARING | Use from Frame SN 1100501 to 2100600
44641-202-000
Unavailable
4
RETAINER, FR. WHEEL BEARING | Use from Frame SN 2100601
44641-202-010
Unavailable
5
RIM, WHEEL (NOT AVAILABLE)
44701-202-010
Unavailable
6
TIRE, FR. WHEEL (3.00-16) (BS) (NOT AVAILABLE) | Use up to Frame SN 3106640 This part replaces 44711-200-000.
44711-230-000
Unavailable
6
TIRE, FR. WHEEL (3.00-16) (BS) (NOT AVAILABLE) | Use up to Frame SN 4013095 This part replaces 44711-219-000.
44711-230-000
Unavailable
6
TIRE, FR. WHEEL (3.00-16) (BS) (NOT AVAILABLE) This part replaces 44711-219-010.
44711-230-000
Unavailable
6
TIRE, FR. WHEEL (3.00-16) (BS) (NOT AVAILABLE)
44711-230-000
Unavailable
7
TUBE, WHEEL (2.75/3.00-16) (IRC) This part replaces 0Y400-41900.
42712-167-005
Unavailable
7
TUBE, WHEEL (2.75/3.00-16) (IRC) This part replaces 08400-41900.
42712-167-005
Unavailable
7
TUBE, WHEEL (2.75/3.00-16) (IRC) This part replaces 42712-167-003.
42712-167-005
Unavailable
7
TUBE, WHEEL (2.75/3.00-16) (IRC)
42712-167-005
Unavailable
7
TUBE, WHEEL (2.75/3.00-16) (IRC) This part replaces 44712-200-000.
42712-167-005
Unavailable
9
BOX, SPEEDOMETER GEAR (NOT AVAILABLE) | Use from Frame SN 2100601
44800-202-010
Unavailable
10
CABLE ASSY., SPEEDOMETER (NOT AVAILABLE) | Use up to Frame SN 4003877 This part replaces 44830-200-000.
44830-200-305
Unavailable
10
CABLE ASSY., SPEEDOMETER (NOT AVAILABLE)
44830-200-305
Unavailable
11
PANEL, FR. BRAKE (NOT AVAILABLE) | Use up to Frame SN 1100500
45100-202-010
Unavailable
11
PANEL, FR. BRAKE (NOT AVAILABLE) | Use from Frame SN 1100501
45100-202-020
Unavailable
12
SHOE, BRAKE (NOT AVAILABLE)
45120-200-000
Unavailable
13
CAM, FR. BRAKE (NOT AVAILABLE)
45131-200-010
Unavailable
14
SPRING, BRAKE SHOE (NOT AVAILABLE)
45133-250-000
Unavailable
16
SPACER, FR. BRAKE PANEL (NOT AVAILABLE)
45141-202-000
Unavailable
17
CAP, FR. PANEL DUST (NOT AVAILABLE) | Use up to Frame SN 4022460
45142-250-000
Unavailable
17
CAP, FR. BRAKE PANEL DUST (NOT AVAILABLE) | Use from Frame SN 5000001
45142-271-000
Unavailable
18
RING, FR. BRAKE PANEL FELT (NOT AVAILABLE) | Use up to Frame SN 4022460
45143-222-000
Unavailable
18
DUST SEAL, FR. BRAKE PANEL (NOT AVAILABLE) | Use from Frame SN 5000001
45435-271-000
Unavailable
19
ARM, FR. BRAKE (NOT AVAILABLE)
45410-200-010
Unavailable
20
TORQUE LINK, FR. BRAKE (NOT AVAILABLE)
45433-202-000
Unavailable
21
BUSH, STOPPER ARM RUBBER (NOT AVAILABLE)
45437-254-330
Unavailable
22
BOLT, FR. BRAKE PANEL STOPPER (NOT AVAILABLE)
90104-200-000
Unavailable
23
NUT, AXLE (NOT AVAILABLE)
90305-200-000
Unavailable
25
OIL SEAL (43X58X8) (NOT AVAILABLE) | Use up to Frame SN 1100500
91251-200-000
Unavailable
25
OIL SEAL (50X64X8) (NOT AVAILABLE) | Use from Frame SN 1100501
91251-250-000
Unavailable
26
OIL SEAL (22X35X8) (NOT AVAILABLE) | Use up to Frame SN 1100500
91254-200-000
Unavailable
31
BEARING, RADIAL BALL (6302Z) (SOURCE: VINTAGE PARTS INC.)
96120-63020
Unavailable
33
SPOKE A, FR. (NOT AVAILABLE)
97422-41111-11
Unavailable
34
SPOKE B, FR.
97687-41108-11
Unavailable
