- Partiron
- OEM Parts
- Honda
- MOTORCYCLE
- Models With No Year
- CA95A MOTORCYCLE, JPN, VIN# C95-100001
ALTERNATOR + POINTS + ADVANCER
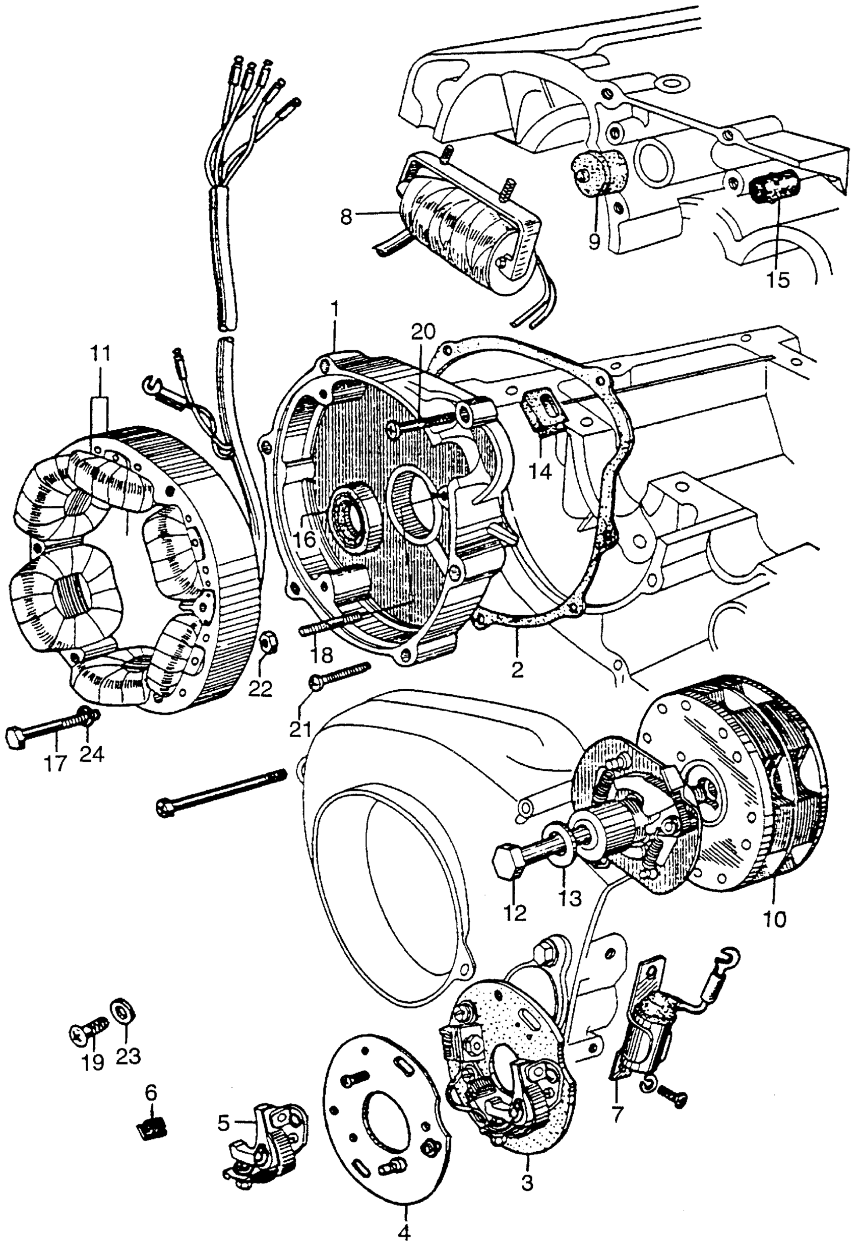
Honda CA95A MOTORCYCLE, JPN, VIN# C95-100001 ALTERNATOR + POINTS + ADVANCER Diagram
#
Description
Price
1
BASE, ALTERNATOR STATOR (NOT AVAILABLE)
11321-201-020
Unavailable
2
GASKET, ALTERNATOR STATOR BASE (NOT AVAILABLE)
11392-200-000
Unavailable
3
PLATE, POINTS BASE (NOT AVAILABLE) This part replaces 30200-003-004.
30200-039-154
Unavailable
3
PLATE, POINTS BASE (NOT AVAILABLE) This part replaces 30200-039-005.
30200-039-154
Unavailable
3
PLATE, POINTS BASE (NOT AVAILABLE)
30200-039-154
Unavailable
4
PLATE, POINTS BASE (NOT AVAILABLE)
30201-003-004
Unavailable
4
PLATE, POINTS BASE (NOT AVAILABLE) | Use up to Engine SN 2100347 This part replaces 30201-205-014.
30201-003-004
Unavailable
5
POINTS (NOT AVAILABLE)
30202-253-014
Unavailable
6
FELT, OIL (DENSO) (NOT AVAILABLE)
30205-205-014
Unavailable
7
CONDENSER (NOT AVAILABLE) | Use up to Engine SN 2100347 This part replaces 30250-205-034.
30251-003-004
Unavailable
7
CONDENSER (NOT AVAILABLE)
30251-003-004
Unavailable
8
COIL, IGNITION (NOT AVAILABLE) This part replaces 30500-202-004.
30500-230-000
Unavailable
8
COIL, IGNITION (NOT AVAILABLE)
30500-230-000
Unavailable
9
ALTERNATOR ASSY.
31100-205-094
Unavailable
9
RUBBER, SEALING (26MM) (NOT AVAILABLE)
90802-200-000
Unavailable
10
ROTOR
31102-205-094
Unavailable
11
STATOR ASSY. (NOT AVAILABLE)
31103-205-094
Unavailable
12
BOLT, ALTERNATOR ROTOR SETTING (NOT AVAILABLE)
31104-201-004
Unavailable
13
WASHER 14MM This part replaces 31105-200-000.
90484-001-000
Unavailable
14
GROMMET, ALTERNATOR WIRE (NOT AVAILABLE)
32971-200-000
Unavailable
15
GROMMET, WIRE (NOT AVAILABLE)
32971-205-000
Unavailable
16
OIL SEAL (17.9X38X5) (NOT AVAILABLE)
91305-202-010
Unavailable
